GM Service Manual Online
For 1990-2009 cars only

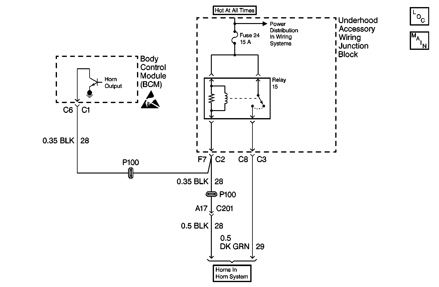
Object Number: 501913  Size: MF
Horns Components
Horn Schematics

Circuit Description

The Body Control Module (BCM) can control the Horn Relay. The Keyless Entry System can be custumized to tell the BCM to toot the horn and the Theft Deterrent System can also tell the BCM to toot the horn. The BCM can do this by grounding the horn relay control circuit.

Conditions for Running the DTC

The Body Control Module must be commanding the Horn relay to energize.

Conditions for Setting the DTC

    • The BCM detects a short to battery in the horn relay control circuit.
    • The condition above must be present for more than 0.3 seconds.

Action Taken When the DTC Sets

The BCM stores DTC B2753 in memory.

Conditions for Clearing the DTC

    • A short to battery in the horn relay control circuit is no longer detected by the BCM when the horn relay is commanded to engergize.
    • A history DTC B2753 will clear after 100 consecutive ignition cycles if the condition for the malfunction is no longer present.
    • A scan tool may be used to clear the DTC.

Diagnostic Aids

    • If the DTC B2753 is a history DTC, the fault may be intermittent. Refer to Testing for Intermittent Conditions and Poor Connections .
    • The following conditions may cause an intermittent malfunction to occur:
       - An intermittent short to battery in the horn relay control circuit
       - The horn relay coil is shorted to battery internally
       - The BCM is shorted to battery internally

Test Description

The number(s) below refer to the step number(s) on the diagnostic table.

  1. Listen for an audible click when the Horn relay operates. Command both the ON and OFF states. Repeat the commands as necessary.

  2. Tests for voltage at the coil side of the horn relay. Fuse 24 supplies power to the coil side of the Horn relay.

  3. Verifies that the Body Control Module is providing ground to the horn relay.

  4. Tests if ground is constantly being applied to the horn relay.

Step

Action

Value(s)

Yes

No

1

Did you perform the Diagnostic System Check for the horn system?

--

Go to Step 2

Go to Horns System Check

2

  1. Install a scan tool.
  2. Turn ON the ignition, with the engine OFF.
  3. With a scan tool, command the Horn relay ON and OFF.

Does the Horn relay turn ON and OFF with each command?

--

Go to Diagnostic Aids

Go to Step 3

3

  1. Turn OFF the ignition.
  2. Disconnect the Horn relay.
  3. Turn ON the ignition, with the engine OFF.
  4. Probe the coil side feed circuit of the Horn relay with a test lamp that is connected to a good ground.

Does the test lamp illuminate?

--

Go to Step 4

Go to Step 10

4

  1. Connect a test lamp between the control circuit of the Horn relay and the coil side feed circuit of the Horn relay.
  2. With a scan tool, command the Horn relay ON and OFF .

Does the test lamp turn ON and OFF with each command?

--

Go to Step 8

Go to Step 5

5

Does the test lamp remain illuminated with each command?

--

Go to Step 7

Go to Step 6

6

Test the control circuit of the Horn relay for a short to voltage or an open. Refer to Circuit Testing and Wiring Repairs in Wiring Systems.

Did you find and correct the condition?

--

Go to Step 13

Go to Step 9

7

Test the control circuit of the Horn relay for a short to ground. Refer to Circuit Testing and Wiring Repairs in Wiring Systems.

Did you find and correct the condition?

--

Go to Step 13

Go to Step 9

8

Inspect for poor connections at the Horn relay. Refer to Testing for Intermittent Conditions and Poor Connections and Connector Repairs in Wiring Systems.

Did you find and correct the condition?

--

Go to Step 13

Go to Step 11

9

Inspect for poor connections at the harness connector of the Body Control Module. Refer to Testing for Intermittent Conditions and Poor Connections and Connector Repairs in Wiring Systems.

Did you find and correct the condition?

--

Go to Step 13

Go to Step 12

10

Repair the coil side feed circuit of the Horn relay. Refer to Wiring Repairs in Wiring Systems.

Did you complete the repair?

--

Go to Step 13

--

11

Replace the Horn relay. Refer to Horn Relay Replacement .

Did you complete the replacement?

--

Go to Step 13

--

12

  1. Replace the Body Control Module. Refer to Body Control Module Replacement in Body Control System.
  2. Perform the set up procedure for the Body Control Module. Refer to Body Control Module (BCM) Programming/RPO Configuration in Body Control System.

Did you complete the replacement?

--

Go to Step 13

--

13

  1. Use the scan tool in order to clear the DTCs .
  2. Operate the vehicle within the Conditions for Running the DTC as specified in the supporting text.

Does the DTC reset?

--

Go to Step 2

System OK