GM Service Manual Online
For 1990-2009 cars only

Refer to

Interior Lights Output


Object Number: 484061  Size: FS
Fuse Block, BCM, Cluster, Radio and DLC
G200 ( 1 of 2)
G402
Handling ESD Sensitive Parts Notice
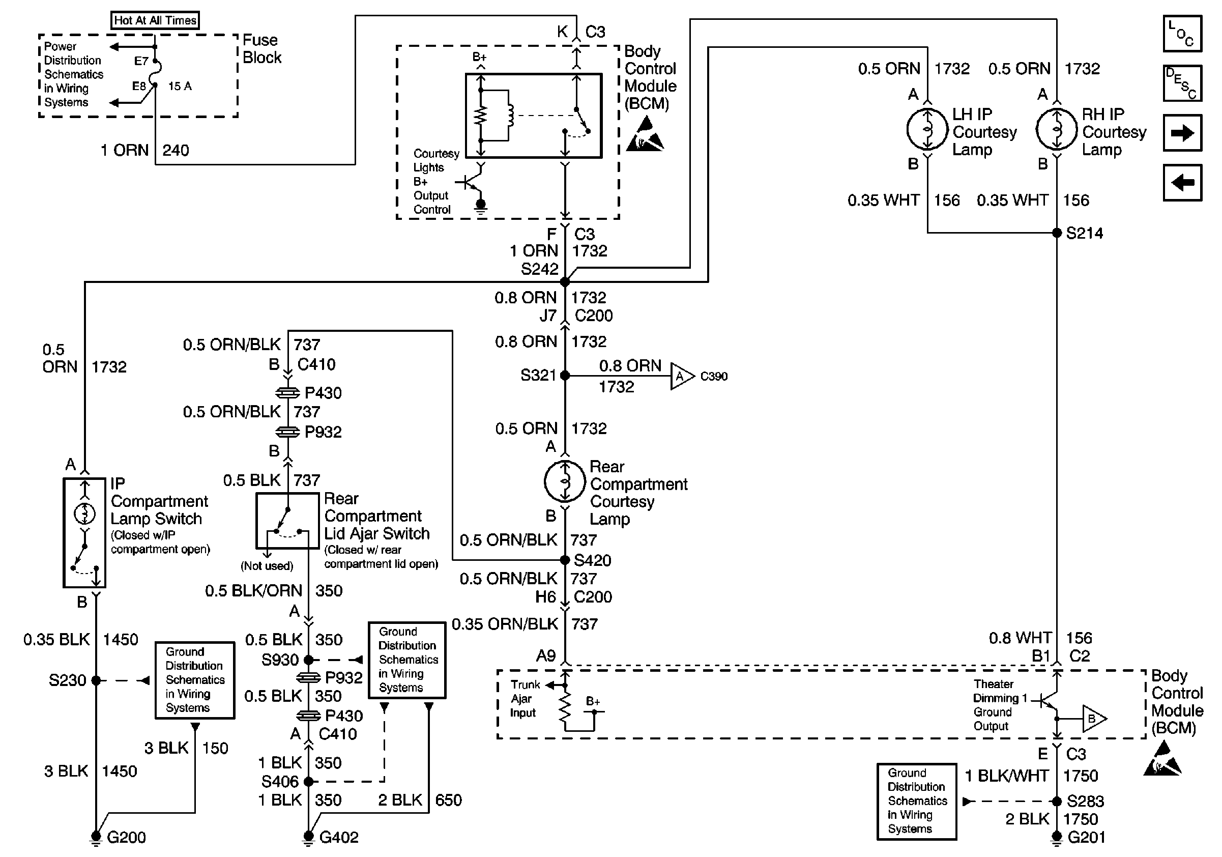
Interior Lights Output
G201)
Handling ESD Sensitive Parts Notice
Lighting Systems Components
Interior Lights Circuit Description
Interior Lights Output
Interior Lights Door Inputs
.

Circuit Description

The body control module (BCM) controls the interior illumination. The BCM turns ON the IP courtesy lamps and the ignition switch illumination bulb under the following conditions:

    • Any vehicle door is opened.
    • The IP dimmer switch is in the DOME position.
    • During exit illumination or delayed illumination
    • When lifting either the left front or the right front door handle
    • When unlocking the doors using the keyless entry transmitter

The BCM turns off the lamps when all of the doors are closed and the IP dimmer switch is off.

All vehicle doors contain a door lock ajar switch. When the driver's door is open, the left front door lock ajar switch closes and sends a ground signal to the BCM through the driver-door-open input circuit. When the left front , right front, left rear, or right rear door is open, the corresponding door lock ajar switch closes and sends a ground signal to the BCM through circuit 727. The left front and the right front door locks have a door handle switch. When either left front or the right front door handle is lifted, the corresponding door lock switch sends a ground signal to the BCM through circuit 394. The BCM grounds circuit 156 when detecting a ground signal in circuit 49, circuit 394, or circuit 727.

When the driver's door is closed, the left front door lock ajar switch opens the driver-door-open input circuit. When the left front , right front, left rear, and right rear doors are closed, the corresponding door lock ajar switches open circuit 727. When the left front and the right front door handles are released, circuit 394 opens. The BCM then opens circuit 156 when circuit 49, circuit 394, and circuit 727 are open.

The BCM uses the voltage in circuit 240 in order to power the courtesy lights through circuit 1732. The BCM controls the power supplied in circuit 1732 for inadvertent load (battery rundown) protection. The BCM opens circuit 156 when the inadvertent load (battery rundown) protection is active (circuit 1732 is open).

Conditions for Setting the DTC

The BCM must not be commanded, and the courtesy lamps must be ON.

Conditions for Running the DTC

The BCM detects a short to ground or an open on the theatre dimming 1 output circuit.

Action Taken When the DTC Sets

The BCM stores DTC B2612 in memory.

Conditions for Clearing the DTC

    • The BCM no longer detects a short to ground or an open in the theatre dimming 1 output circuit.
    • A history DTC will clear after 100 consecutive ignition cycles if the condition for the fault is no longer present.
    • Using a scan tool

Diagnostic Aids

    • The following conditions may cause an intermittent malfunction to occur:
       - An intermittent short to ground or an open in the theatre dimming 1 output circuit
       - The BCM is shorted to ground internally.
    • If the DTC is a history DTC, the condition may be intermittent. Perform the tests shown while wiggling wiring and connectors. This may often cause the malfunction to reappear.

Test Description

The numbers below refer to the step numbers on the diagnostic table.

  1. This step tests for a short to ground in circuit 157.

  2. This step tests for an open in circuit 157.

  3. This step determines whether the malfunction is intermittent or the BCM is faulty.

Step

Action

Value(s)

Yes

No

1

Did you perform the Diagnostic System Check?

--

Go to Step 2

Go to Diagnostic System Check - Lighting Systems in Body Control System

2

Inspect for current DTCs.

Is current DTC B1344 set also?

--

Go to Diagnostic Trouble Code (DTC) List/Type

Go to Step 3

3

  1. Turn OFF the ignition switch.
  2. Disconnect the BCM connectors C2 and C3.
  3. Ensure that the instrument panel compartment is closed.
  4. Ensure that the rear compartment lid is closed.
  5. Ensure that all reading lights are OFF.
  6. Ensure that all sunshade mirror lamps are OFF.
  7. Using a DMM, measure the resistance between the BCM harness connector C2 terminal B1 and ground.

Is the resistance measured the same as the specified value?

Go to Step 4

Go to Step 6

4

  1. Using a 10A fused jumper, connect between B+ and the BCM harness connector C3 terminal F.
  2. Using a 10A fused jumper, connect between the BCM harness connector C2 terminal B1 and ground.
  3. Observe the IP illumination lamps.

Are the IP courtesy lamps ON?

--

Go to Step 5

Go to Step 7

5

  1. Disconnect fused jumpers from the previous step.
  2. Reconnect the connectors and reinstall the components that were removed.
  3. Turn the ignition switch to the ON position.
  4. Turn the IP dimmer switch to the DOME position.
  5. Clear the BCM DTCs. Refer to Clearing DTCs in Body Control System.
  6. Inspect for BCM DTCs. Refer to Diagnostic Trouble Code (DTC) Displaying in Body Control System.

Does BCM DTC B2612 reset as a current DTC?

--

Go to Step 8

Go to Step 9

6

Repair a short to ground in circuit 156.

Is the repair complete?

--

Go to Step 10

--

7

Repair a poor connection or open in circuit 156 or circuit 1732.

Is the repair complete?

--

Go to Step 10

--

8

Replace the BCM. Refer to Body Control Module Replacement in Body Control System.

Is the repair complete?

--

Go to Step 10

--

9

The malfunction is not present at this time. Refer to Diagnostic Aids for additional information regarding this DTC.

Is the repair complete?

--

Go to Step 10

--

10

  1. Turn the ignition switch to the OFF position.
  2. Reconnect the connectors and reinstall the components that were removed.
  3. Turn the ignition switch to the ON position.
  4. Clear the DTCs.
  5. Inspect for DTCs.

Are any current DTCs set?

--

Go to Diagnostic System Check - Lighting Systems in Body Control System

System OK