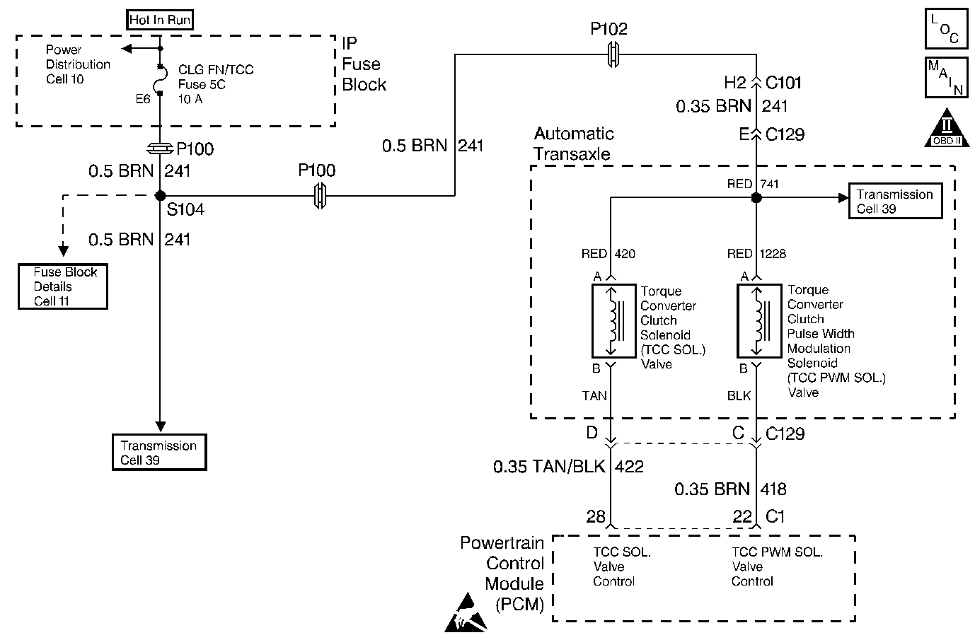
The Torque Converter Clutch Pulse Width Modulation Solenoid Valve (TCC PWM Sol Valve) controls the fluid acting on the converter clutch valve. The clutch valve controls the application and the release of the TCC. When you command the TCC PWM Sol Valve OFF, the Powertrain Control Module (PCM) receives high voltage. When you command the TCC PWM Sol Valve ON, the PCM receives low voltage.
DTC P1860 sets anytime the received voltage is outside of the calibration limits. DTC P1860 is a type A DTC .
| • | No System Voltage Malfunction DTC P0560 |
| • | The engine speed is more than 500 RPM for 5 seconds. |
| • | Not in fuel shut off |
| • | The TCC duty cycle is less than 10% or more than 90%. |
| • | No open or short to ground exists for 4.3 seconds. |
| • | The PCM inhibits TCC operation. |
| • | The PCM inhibits 4th gear if the transmission is in the hot mode |
| • | The PCM illuminates the Malfunction Indicator Lamp (MIL). |
| • | The PCM turns OFF the MIL after three consecutive ignition cycles without a failure reported. |
| • | A scan tool can clear the DTC from the PCM history. The PCM clears the DTC from the PCM history if the vehicle completes 40 warm-up cycles without a failure reported. |
| • | The PCM cancels the DTC default actions when the fault no longer exists and the ignition is OFF long enough in order to power down the PCM. |
| - | A bent terminal |
| - | A backed out terminal |
| - | A damaged terminal |
| - | Poor terminal tension |
| - | A chafed wire |
| - | A broken wire inside the insulation |
The numbers below refer to the step numbers on the diagnostic chart.
This step isolates the engine harness from the transmission harness. Use a test lamp in order to verify the circuitry.
This step verifies that circuit 418 is not open or shorted to power.
This step verifies that the TCC PWM solenoid is not shorted across its windings or increased its resistance.
Step | Action | Value(s) | Yes | No | ||||||||||||
|---|---|---|---|---|---|---|---|---|---|---|---|---|---|---|---|---|
1 | Was the Powertrain On-Board Diagnostic (OBD) System Check performed? | -- | ||||||||||||||
2 |
Important: Before clearing the DTCs, use the scan tool in order to record the Freeze Frame and Failure Records for reference. The Clear Info function will erase the data. Are DTCs P0753, P0758, and P1864 set? | -- | ||||||||||||||
3 | Remove the CLG FN/TCC fuse. Inspect the fuse for an open. Refer to Troubleshooting Procedures, Section 8. Did you find and correct a problem? | -- | ||||||||||||||
4 | Repair the short to ground in circuit 241. Refer to Troubleshooting Procedures, Section 8. Did you find and correct a problem? | -- | -- | |||||||||||||
5 | Repair the open in circuit 241. Refer to Troubleshooting Procedures, Section 8. Did you find and correct a problem? | -- | -- | |||||||||||||
Is the test lamp OFF? | -- | |||||||||||||||
7 | Inspect circuit 418 for an open. Refer to Troubleshooting procedures, Section 8. Did you find and correct a problem? | -- | ||||||||||||||
Important: When the TCC PWM solenoid is ON, the test lamp will be brilliant. When the TCC PWM solenoid is OFF, the test lamp will pulsate. Does the solenoid cycle ON and OFF as commanded? | -- | |||||||||||||||
9 | Inspect circuit 418 for a short to ground. Refer to Troubleshooting Procedures, Section 8. Did you find and correct a problem? | -- | ||||||||||||||
10 | Is the test lamp always OFF? | -- | -- | |||||||||||||
11 | Inspect circuit 418 for a short to power. Refer to Troubleshooting Procedures, Section 8. Did you find and correct a problem? | -- | ||||||||||||||
Is the measured resistance within the specified range? | 10ohms to 15ohms | |||||||||||||||
13 | Is the resistance greater than the specified value? | 100ohms | ||||||||||||||
14 | Inspect the RED wire circuit 241 for an open. Inspect the BLK wire circuit 418 for an open. Refer to Troubleshooting Procedures, Section 8. Did you find and correct a problem? | -- | ||||||||||||||
15 | Connect an ohmmeter from terminal C of the jumper to ground. Is the measured resistance less than the specified value? | 100ohms | ||||||||||||||
16 | Inspect the BLK wire circuit 418 for a short to ground. Refer to Troubleshooting Procedures, Section 8. Did you find and correct a problem? | -- | -- | |||||||||||||
17 | Replace the TCC PWM Sol. Valve. Refer to Solenoids and Wiring Harness, Section 7. Is the replacement complete? | -- | -- | |||||||||||||
18 | Replace the PCM. Refer to Powertrain Control Module Replacement/Programming , Section 6. Is the replacement complete? | -- | -- | |||||||||||||
19 | In order to verify your repair, perform the following procedure:
Has the test run and passed? | -- | System OK |
The Torque Converter Clutch Pulse Width Modulation Solenoid Valve (TCC PWM Sol Valve) controls the fluid acting on the converter clutch valve. The clutch valve controls the application and the release of the TCC. When you command the TCC PWM Sol Valve OFF, the Powertrain Control Module (PCM) receives high voltage. When you command the TCC PWM Sol Valve ON, the PCM receives low voltage.
DTC P1860 sets anytime the received voltage is outside of the calibration limits. DTC P1860 is a type A DTC .
| • | No System Voltage Malfunction DTC P0560 |
| • | The engine speed is more than 500 RPM for 5 seconds. |
| • | Not in fuel shut off |
| • | The TCC duty cycle is less than 10% or more than 90%. |
| • | No open or short to ground exists for 4.3 seconds. |
| • | The PCM inhibits TCC operation. |
| • | The PCM inhibits 4th gear if the transmission is in the hot mode |
| • | The PCM illuminates the Malfunction Indicator Lamp (MIL). |
| • | The PCM turns OFF the MIL after three consecutive ignition cycles without a failure reported. |
| • | A scan tool can clear the DTC from the PCM history. The PCM clears the DTC from the PCM history if the vehicle completes 40 warm-up cycles without a failure reported. |
| • | The PCM cancels the DTC default actions when the fault no longer exists and the ignition is OFF long enough in order to power down the PCM. |
| - | A bent terminal |
| - | A backed out terminal |
| - | A damaged terminal |
| - | Poor terminal tension |
| - | A chafed wire |
| - | A broken wire inside the insulation |
The numbers below refer to the step numbers on the diagnostic chart.
This step isolates the engine harness from the transmission harness. Use a test lamp in order to verify the circuitry.
This step verifies that circuit 418 is not open or shorted to power.
This step verifies that the TCC PWM solenoid is not shorted across its windings or increased its resistance.
Step | Action | Value(s) | Yes | No | ||||||||||||
|---|---|---|---|---|---|---|---|---|---|---|---|---|---|---|---|---|
1 | Was the Powertrain On-Board Diagnostic (OBD) System Check performed? | -- | ||||||||||||||
2 |
Important: Before clearing the DTCs, use the scan tool in order to record the Freeze Frame and Failure Records for reference. The Clear Info function will erase the data. Are DTCs P0753, P0758, and P1864 set? | -- | ||||||||||||||
3 | Remove the CLG FN/TCC fuse. Inspect the fuse for an open. Refer to Troubleshooting Procedures, Section 8. Did you find and correct a problem? | -- | ||||||||||||||
4 | Repair the short to ground in circuit 241. Refer to Troubleshooting Procedures, Section 8. Did you find and correct a problem? | -- | -- | |||||||||||||
5 | Repair the open in circuit 241. Refer to Troubleshooting Procedures, Section 8. Did you find and correct a problem? | -- | -- | |||||||||||||
Is the test lamp OFF? | -- | |||||||||||||||
7 | Inspect circuit 418 for an open. Refer to Troubleshooting procedures, Section 8. Did you find and correct a problem? | -- | ||||||||||||||
Important: When the TCC PWM solenoid is ON, the test lamp will be brilliant. When the TCC PWM solenoid is OFF, the test lamp will pulsate. Does the solenoid cycle ON and OFF as commanded? | -- | |||||||||||||||
9 | Inspect circuit 418 for a short to ground. Refer to Troubleshooting Procedures, Section 8. Did you find and correct a problem? | -- | ||||||||||||||
10 | Is the test lamp always OFF? | -- | -- | |||||||||||||
11 | Inspect circuit 418 for a short to power. Refer to Troubleshooting Procedures, Section 8. Did you find and correct a problem? | -- | ||||||||||||||
Is the measured resistance within the specified range? | 10ohms to 15ohms | |||||||||||||||
13 | Is the resistance greater than the specified value? | 100ohms | ||||||||||||||
14 | Inspect the RED wire circuit 241 for an open. Inspect the BLK wire circuit 418 for an open. Refer to Troubleshooting Procedures, Section 8. Did you find and correct a problem? | -- | ||||||||||||||
15 | Connect an ohmmeter from terminal C of the jumper to ground. Is the measured resistance less than the specified value? | 100ohms | ||||||||||||||
16 | Inspect the BLK wire circuit 418 for a short to ground. Refer to Troubleshooting Procedures, Section 8. Did you find and correct a problem? | -- | -- | |||||||||||||
17 | Replace the TCC PWM Sol. Valve. Refer to Solenoids and Wiring Harness, Section 7. Is the replacement complete? | -- | -- | |||||||||||||
18 | Replace the PCM. Refer to Powertrain Control Module Replacement/Programming , Section 6. Is the replacement complete? | -- | -- | |||||||||||||
19 | In order to verify your repair, perform the following procedure:
Has the test run and passed? | -- | System OK |