GM Service Manual Online
For 1990-2009 cars only
Makes
🢒
Buick
🢒
1999
🢒
LeSabre
🢒
Body and Accessories
🢒
Instrument Panel, Gauges, and Console
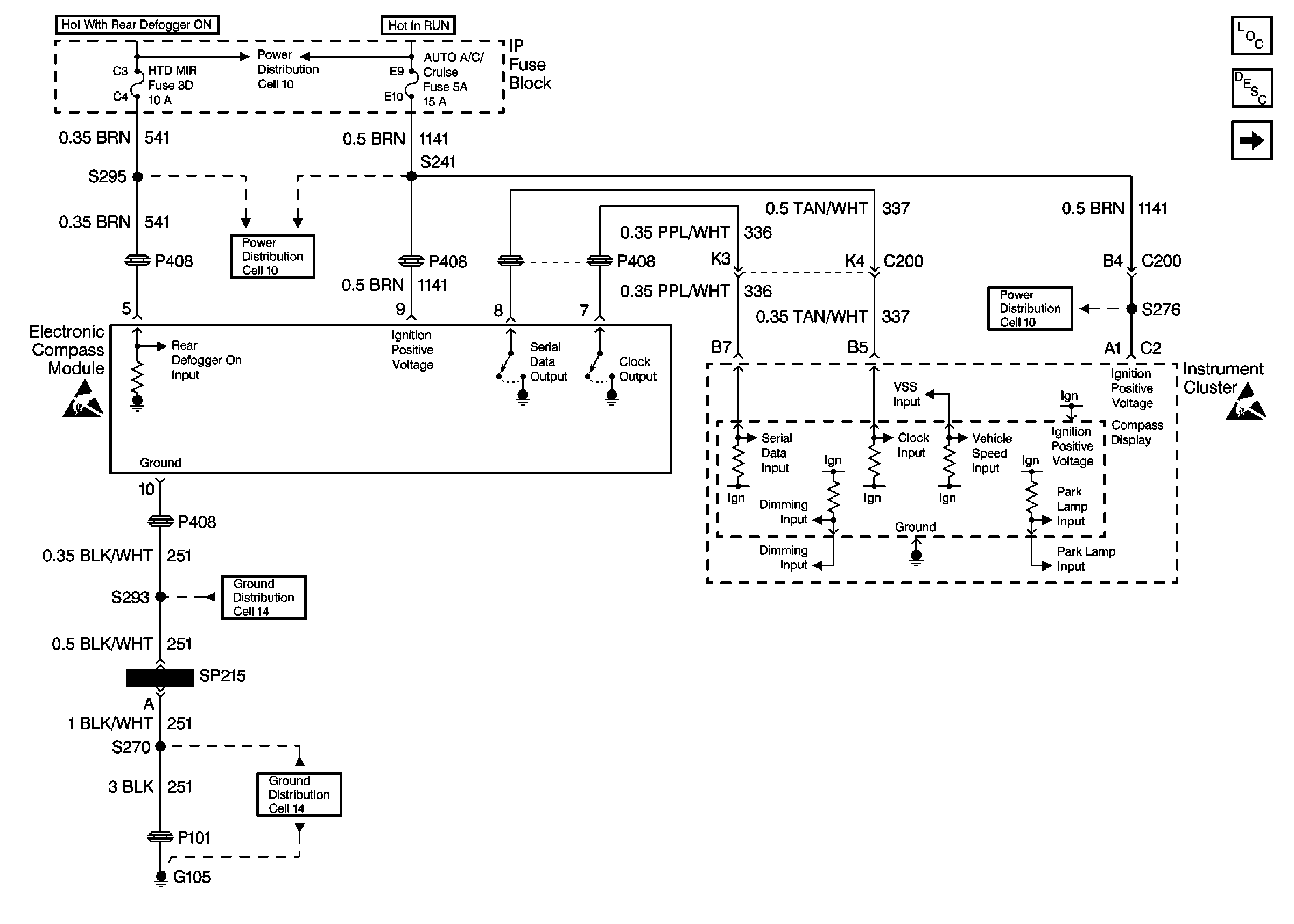
🢒 Head Up Display Schematics
Figure
1:
Cell 84: IP Fuse Block
Instrument Cluster and HUD Components
Instrument Cluster Circuit Description
Cell 84: Instrument Cluster
Power Distribution Schematics
Power Distribution Schematics
Power Distribution Schematics
Ground Distribution Schematics
Ground Distribution Schematics
Handling ESD Sensitive Parts Notice
Handling ESD Sensitive Parts Notice
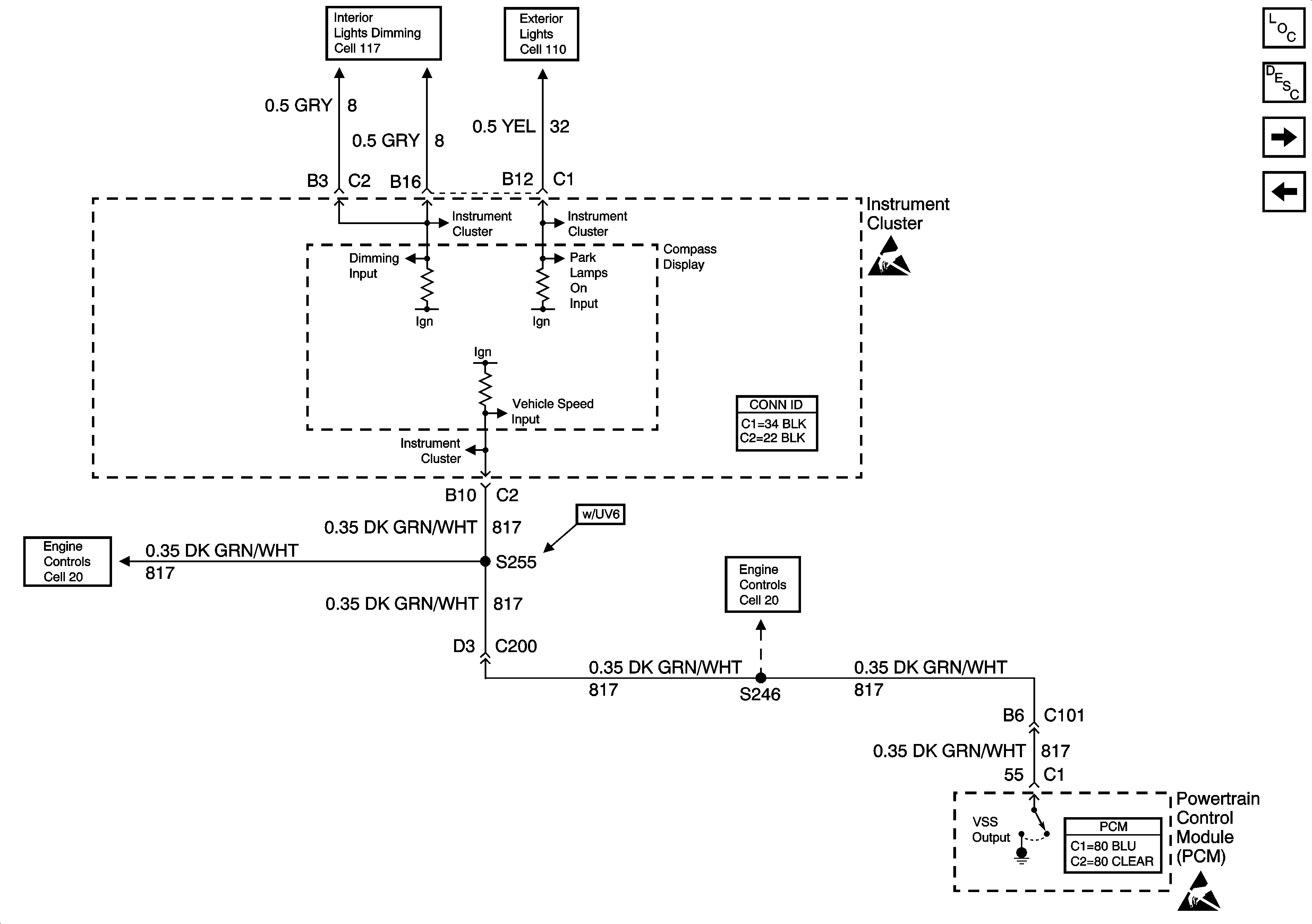
Figure
2:
Cell 84: Instrument Cluster
Instrument Cluster and HUD Components
Head Up Display Circuit Description
Cell 84: IP Fuse Block
Cell 20: VSS, Cruise Control Module
Cell 20: VSS, Cruise Control Module
Interior Lights Dimming Schematics Buick
Exterior Lights Schematics Buick
Instrument Cluster and HUD Connector End Views
Handling ESD Sensitive Parts Notice
Handling ESD Sensitive Parts Notice
Figure
3:
HUD Schematic