GM Service Manual Online
For 1990-2009 cars only
Makes
🢒
Buick
🢒
1999
🢒
LeSabre
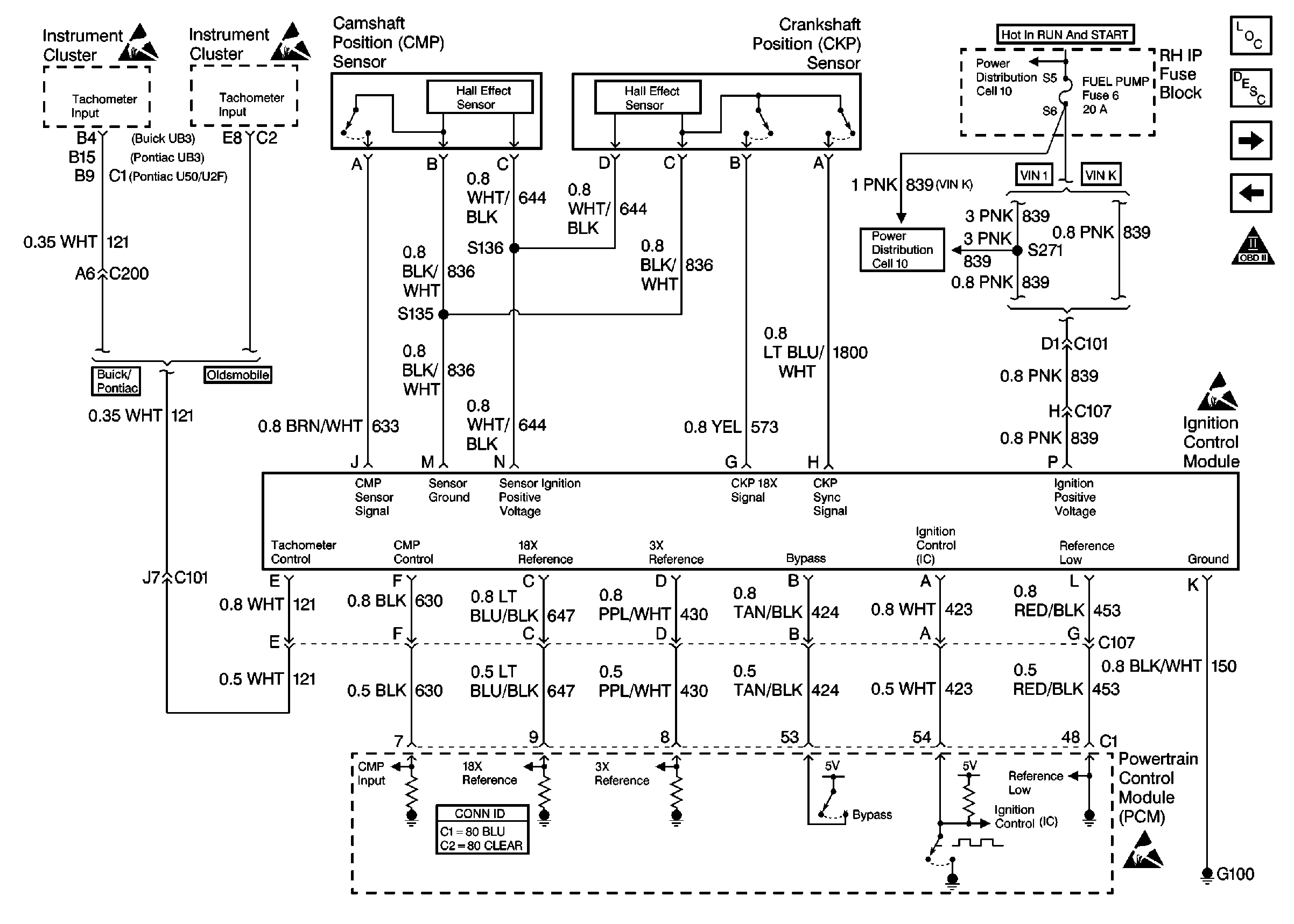
🢒 Cell 20: Ignition Control Module
Cell 20: Ignition Control Module
Cell 20: Ignition Control Module
Engine Controls Components
Powertrain Control Module Description
Cell 20: Fuel Control (VIN K)
Cell 20: MIL Control
OBD II Symbol Description Notice
Handling ESD Sensitive Parts Notice
Handling ESD Sensitive Parts Notice
Handling ESD Sensitive Parts Notice
Power Distribution Schematics
Power Distribution Schematics
Instrument Cluster: Analog Schematics Pontiac with U50/U2F
Instrument Cluster: Analog Schematics Pontiac with UB3
Instrument Cluster: Analog Schematics Buick with UB3
Instrument Cluster: Analog Schematics Oldsmobile
Powertrain Control Module Connector End Views