GM Service Manual Online
For 1990-2009 cars only
Makes
🢒
Buick
🢒
2000
🢒
LeSabre
🢒 Cell 100: Daytime Running Lamps
Cell 100: Daytime Running Lamps
Cell 100: Daytime Running Lamps
Lighting Systems Components
Headlights Circuit Description
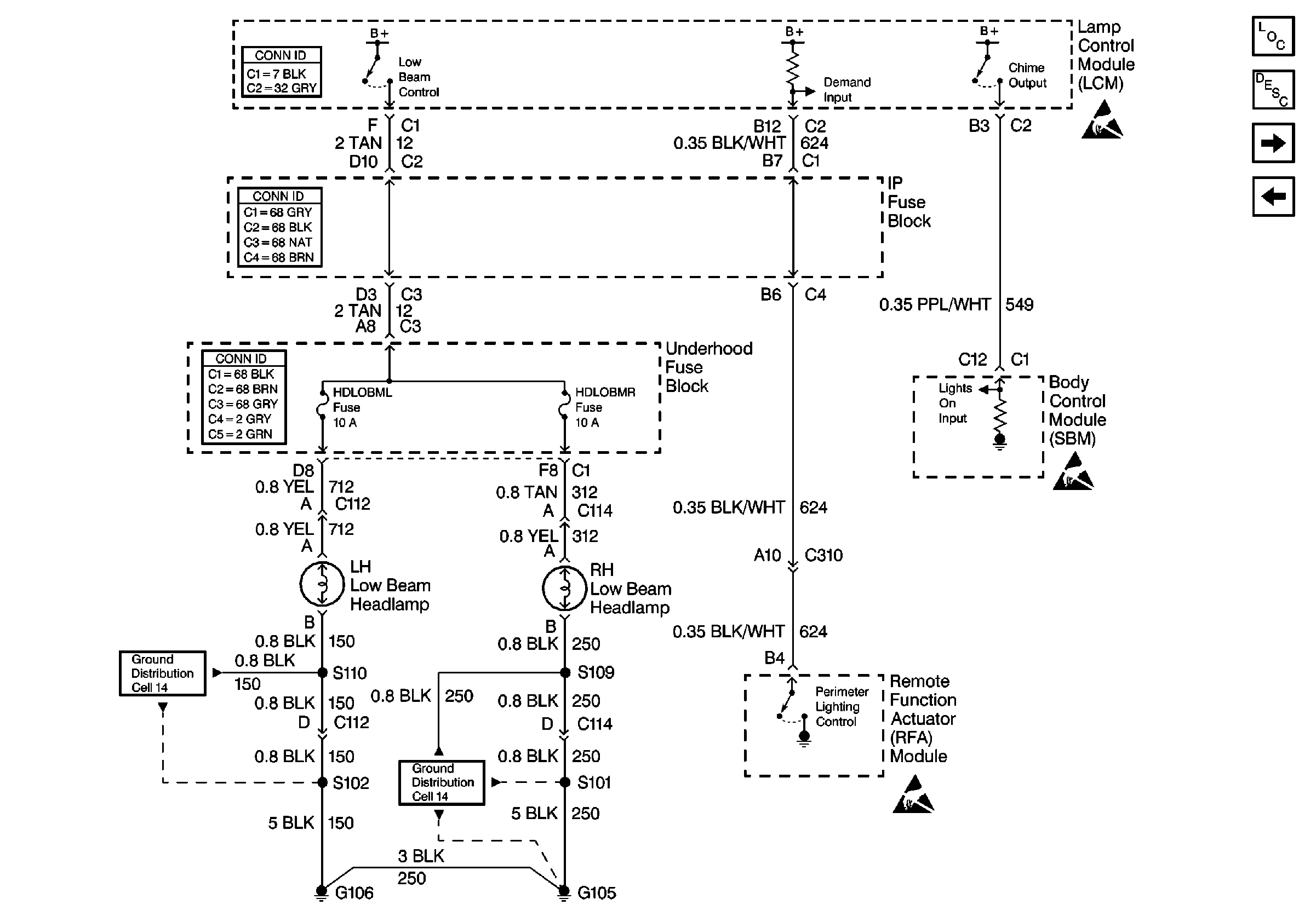
Cell 100: Headlamps
Cell 100: Headlamp Dimmer, Park Gear Input, and High Beam Indicator
Handling ESD Sensitive Parts Notice
Handling ESD Sensitive Parts Notice
Handling ESD Sensitive Parts Notice
Ground Distribution Schematics
Ground Distribution Schematics
Lighting Systems Connector End Views
Power and Grounding Connector End Views
Power and Grounding Connector End Views