GM Service Manual Online
For 1990-2009 cars only
Makes
🢒
Buick
🢒
2000
🢒
LeSabre
🢒 Cell 100: Headlamps
Cell 100: Headlamps
Cell 100: Headlamps
Lighting Systems Components
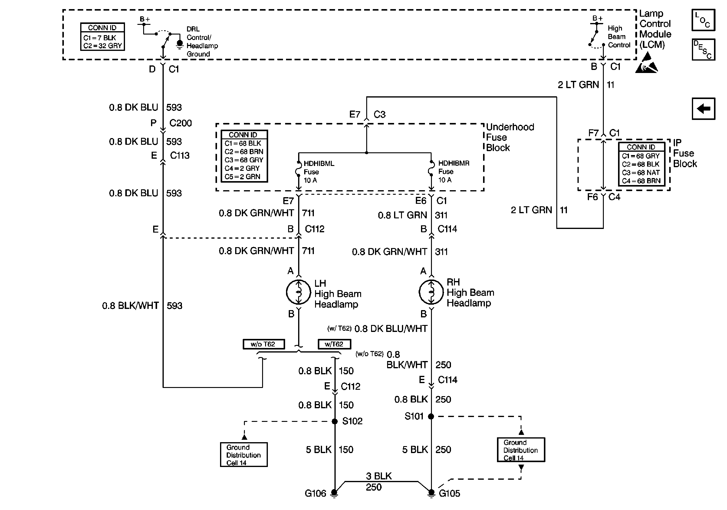
Headlights Circuit Description
Cell 100: Daytime Running Lamps
Handling ESD Sensitive Parts Notice
Ground Distribution Schematics
Ground Distribution Schematics
Lighting Systems Connector End Views
Power and Grounding Connector End Views
Power and Grounding Connector End Views