GM Service Manual Online
For 1990-2009 cars only
Makes
🢒
Buick
🢒
2000
🢒
LeSabre
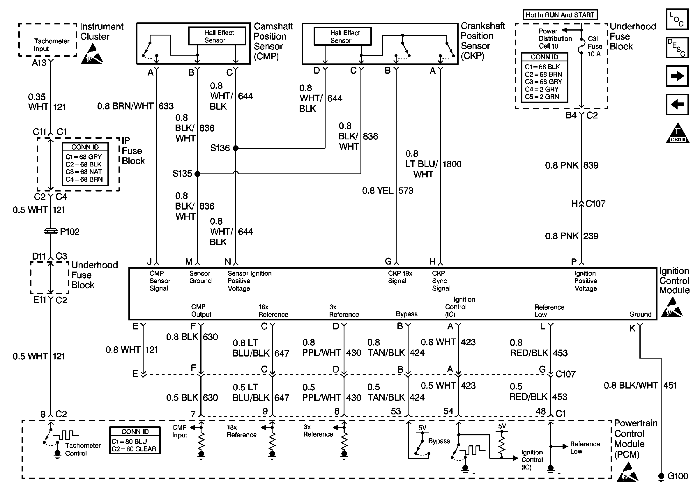
🢒 Cell 20: Ignition Control
Cell 20: Ignition Control
Cell 20: Ignition Control
Engine Controls Components
Powertrain Control Module Description
Cell 20: Fuel Control (VIN 1)
Cell 20: MIL and Data Link Connector (DLC)
OBDII Symbol Description Notice
Cell 10: PDM, SIR, C31, INJR, and A/C CLU Fuses
Powertrain Control Module Connector End Views
Power and Grounding Connector End Views
Power and Grounding Connector End Views
Handling ESD Sensitive Parts Notice
Handling ESD Sensitive Parts Notice
Handling ESD Sensitive Parts Notice