GM Service Manual Online
For 1990-2009 cars only
Makes
🢒
Buick
🢒
2000
🢒
LeSabre
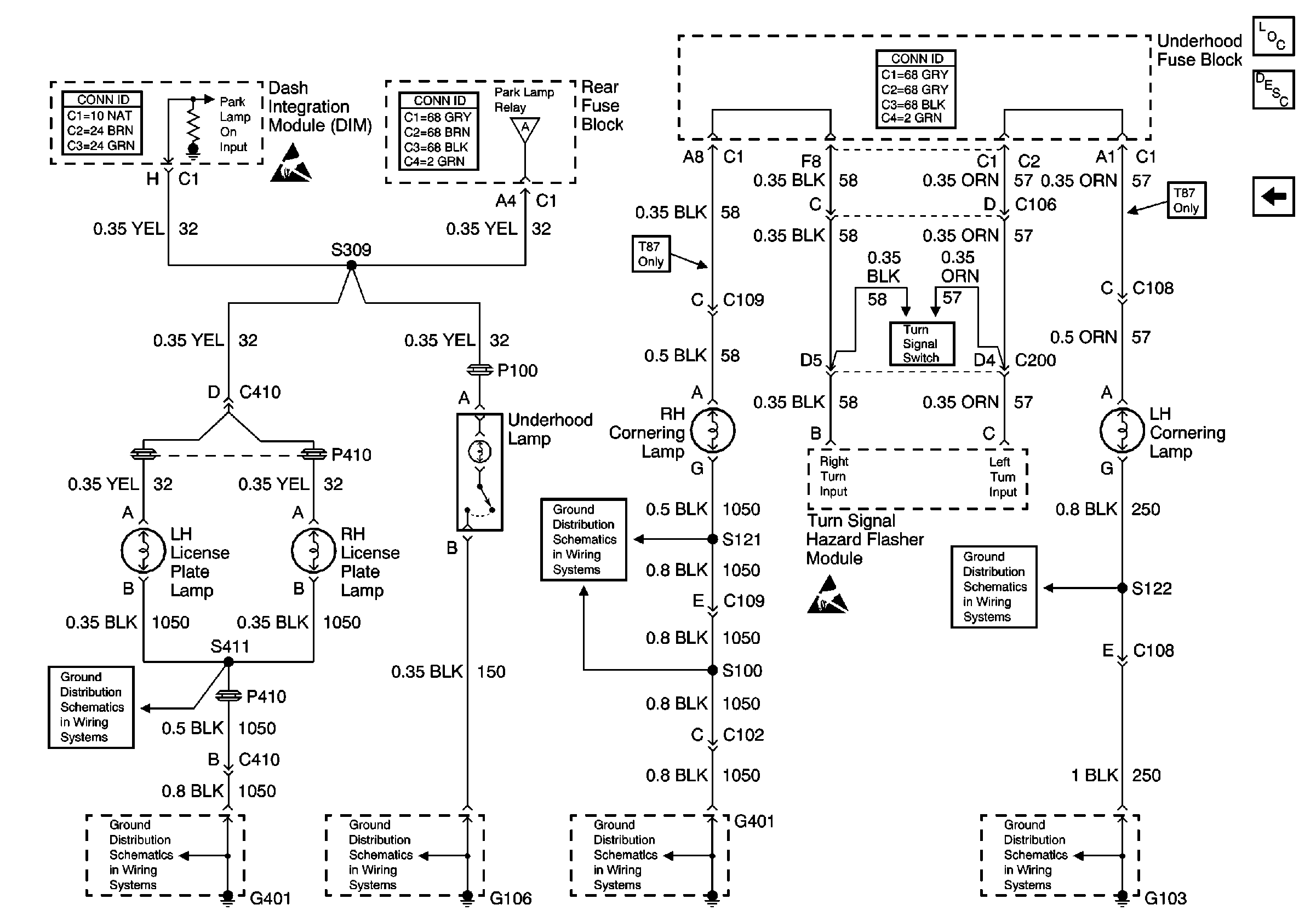
🢒 License, Under Hood, and Cornering Lamps
License, Under Hood, and Cornering Lamps
License, UnderHood, and Cornering Lamps
Lighting Systems Components
Exterior Lights Circuit Description
LH Exterior Lamps
Park Lamp Relay
Handling ESD Sensitive Parts Notice
Turn Signal Switch and Hazard Flasher Module Inputs
Handling ESD Sensitive Parts Notice
G401 (2 of 2)
G103
G401 (1 of 2)
G401 (1 of 2)
G101, G106, and G107
G401 (2 of 2)
G103