GM Service Manual Online
For 1990-2009 cars only
Makes
🢒
Buick
🢒
2000
🢒
LeSabre
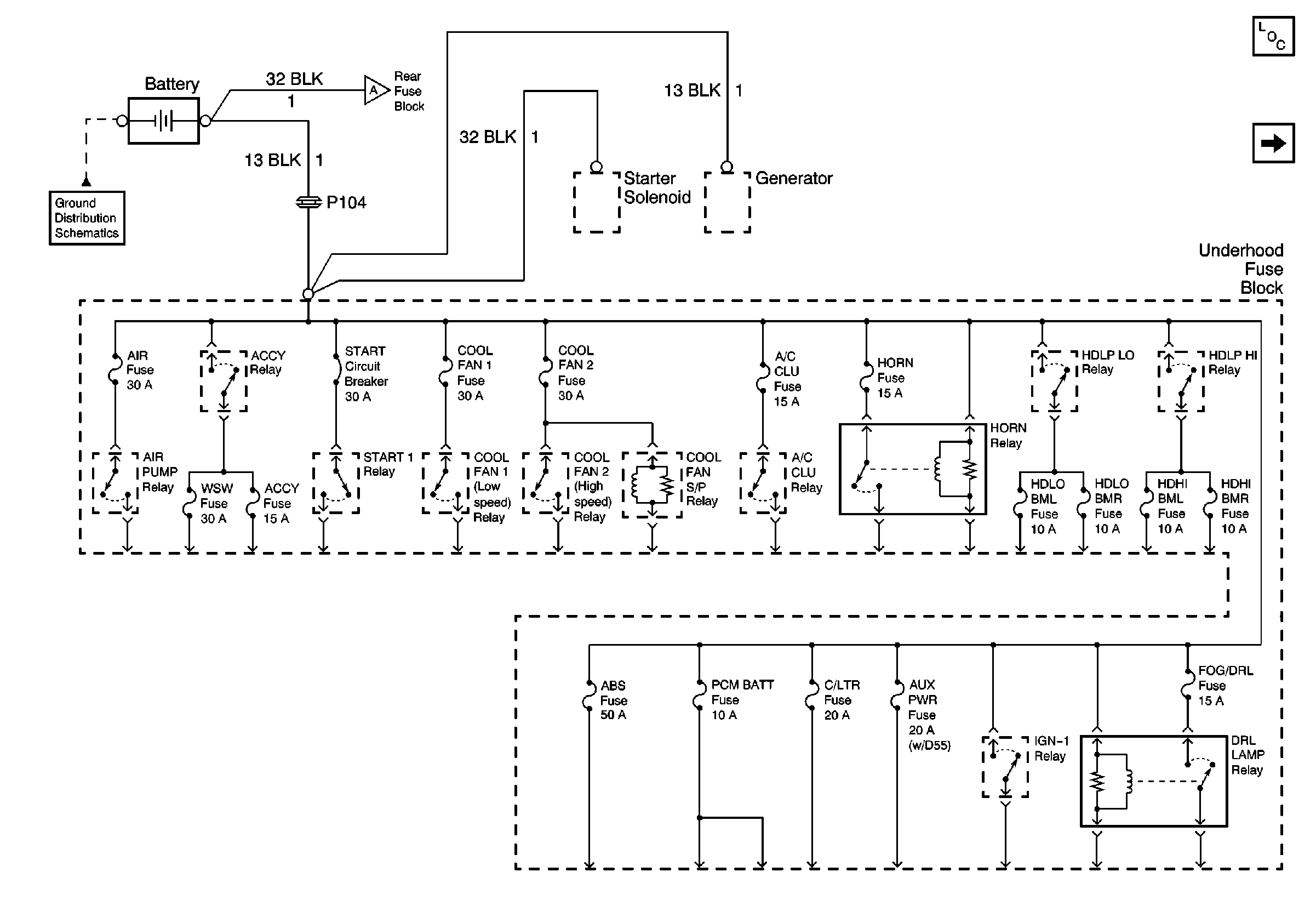
🢒 Battery Feed to the Underhood Fuse Block
Battery Feed to the Underhood Fuse Block
Battery Feed to the Underhood Fuse Block
Power and Grounding Components
Battery Feed to the Rear Fuse Block
Battery Feed to the Rear Fuse Block