GM Service Manual Online
For 1990-2009 cars only
Makes
🢒
Buick
🢒
2000
🢒
LeSabre
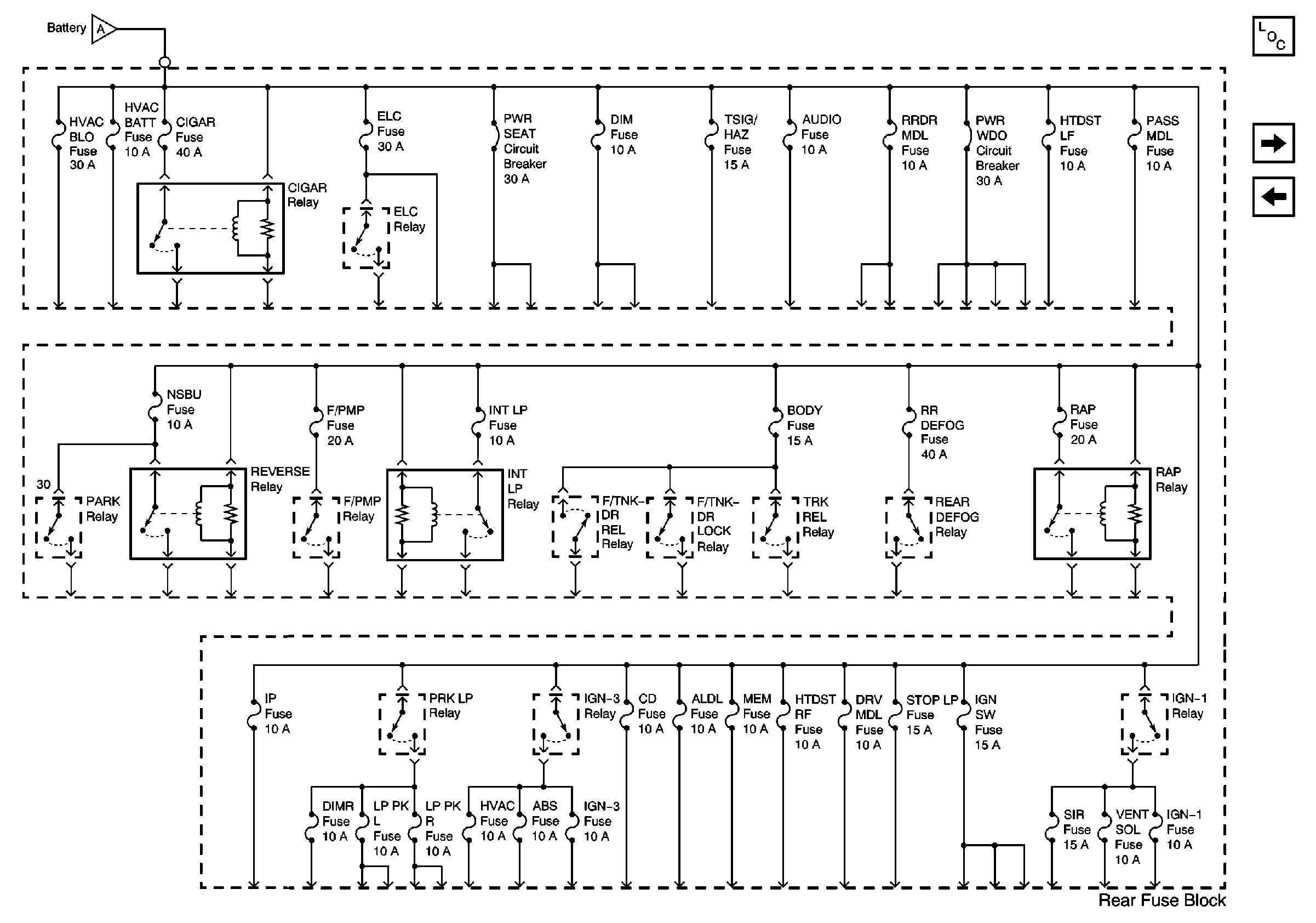
🢒 Battery Feed to the Rear Fuse Block
Battery Feed to the Rear Fuse Block
Battery Feed to the Rear Fuse Block
Power and Grounding Components
IGN-1 Relay, TRANS, DIS, OXY SEN and IGN 1 Fuses (Underhood Fuse Block)
Battery Feed to the Underhood Fuse Block
Battery Feed to the Underhood Fuse Block