GM Service Manual Online
For 1990-2009 cars only
Makes
🢒
Buick
🢒
2000
🢒
LeSabre
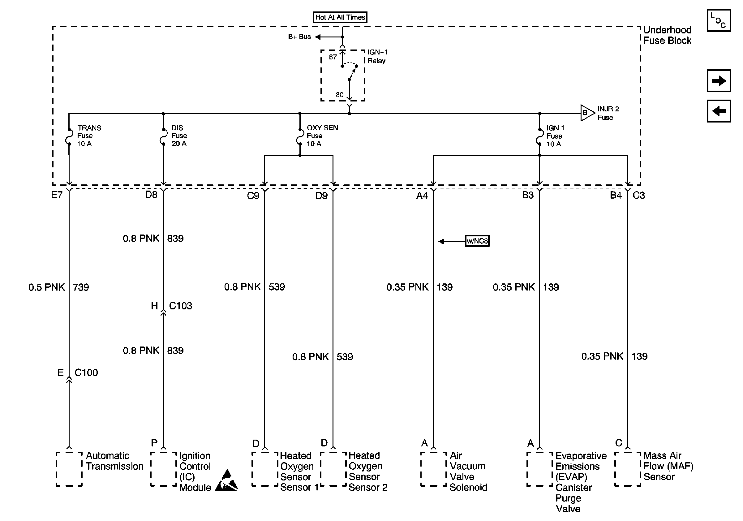
🢒 IGN-1 Relay, TRANS, DIS, OXY SEN and IGN 1 Fuses (Underhood Fuse Block)
IGN-1 Relay, TRANS, DIS, OXY SEN and IGN 1 Fuses (Underhood Fuse Block)
IGN-1 Relay, TRANS, DIS, OXY SEN and IGN 1 Fuses (Underhood Fuse Block)
Power and Grounding Components
START 1 Relay, INJR 2, PCM IGN, CR CONT, and INJR 1 Fuses (UnDERhood Fuse Block)
Battery Feed to the Rear Fuse Block
START 1 Relay, INJR 2, PCM IGN, CR CONT, and INJR 1 Fuses (UnDERhood Fuse Block)
Handling ESD Sensitive Parts Notice