GM Service Manual Online
For 1990-2009 cars only
Makes
🢒
Buick
🢒
2000
🢒
LeSabre
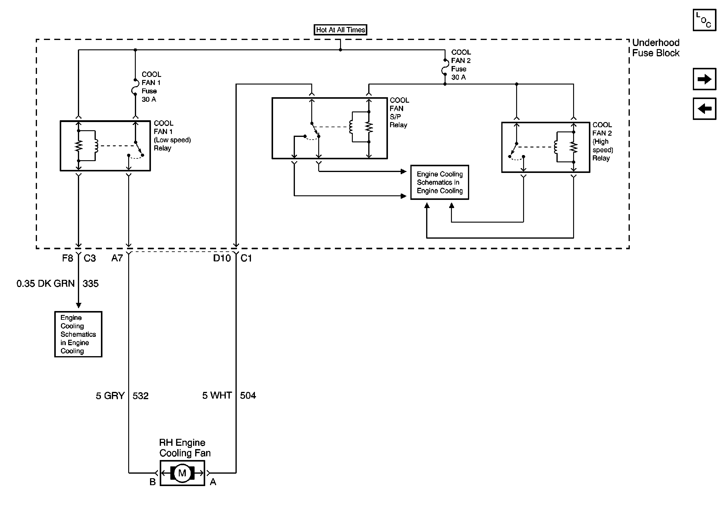
🢒 COOL FAN S/P Relay and COOL FAN 1 & 2 Fuses and Relays (UnDERhood Fuse Block)
COOL FAN S/P Relay and COOL FAN 1 & 2 Fuses and Relays (UnDERhood Fuse Block)
COOL FAN S/P Relay and COOL FAN 1 & 2 Fuses and Relays (Underhood Fuse Block)
Power and Grounding Components
AIR PUMP and ACCY Relays, AIR, C/LTR, AUX PWR, WSW and ACCY Fuses (Underhood Fuse Block)
ABS and PCM BATT Fuses (Underhood Fuse Block)
G103
Cooling Fans and Relays
Cooling Fans and Relays