GM Service Manual Online
For 1990-2009 cars only
Makes
🢒
Buick
🢒
2000
🢒
LeSabre
🢒 Cooling Fans and Relays
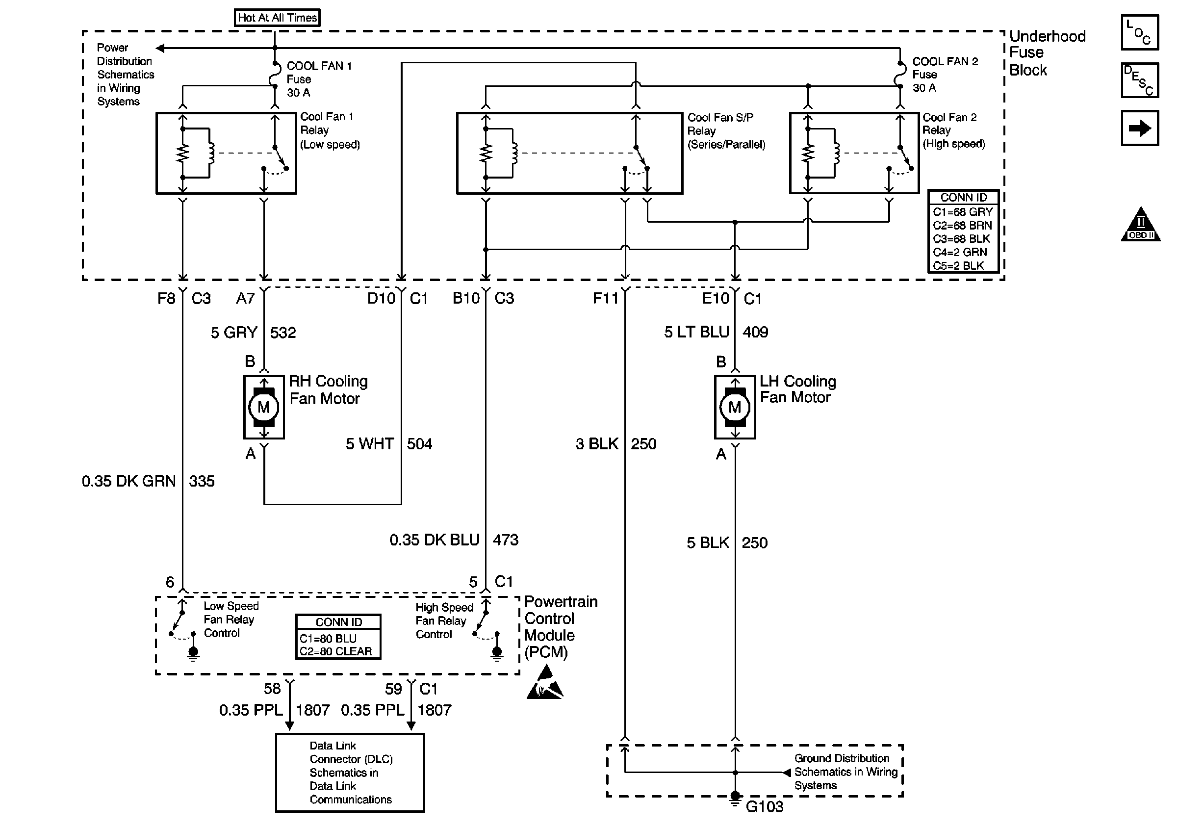
Cooling Fans and Relays
Cooling Fans and Relays
Cooling System Components
Engine Cooling Fan Description - Electric
Instrument Panel Cluster (IPC) Displays
OBD II Symbol Description Notice
Serial Data Class 2
G103
Battery Feed to the Underhood Fuse Block
PCM and ESD Notice