GM Service Manual Online
For 1990-2009 cars only
Makes
🢒
Buick
🢒
2000
🢒
LeSabre
🢒 Sensors
Sensors
Sensors
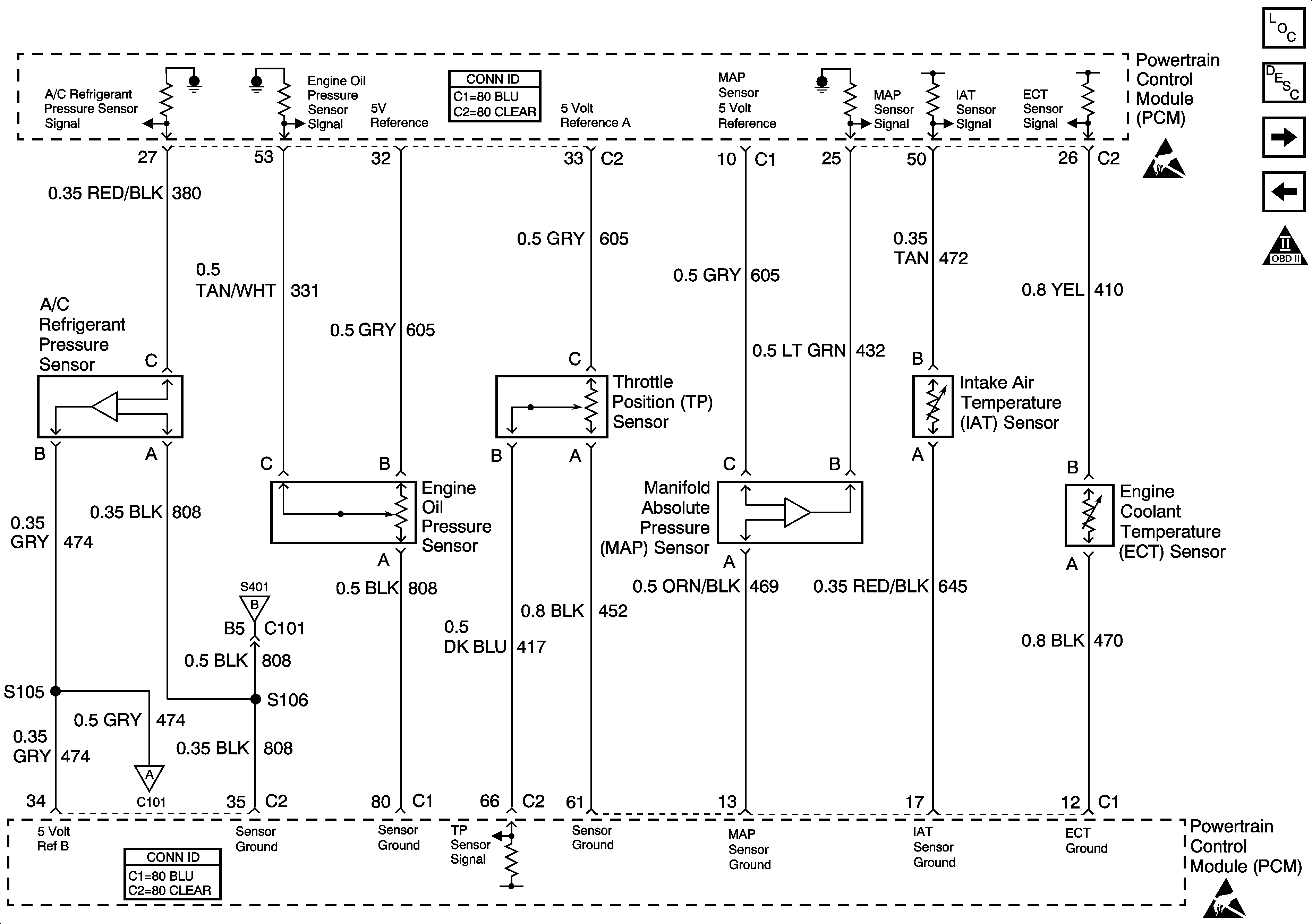
Engine Controls Components
Information Sensors/Switches Description
Fuel Tank Pressure Sensor, EVAP Canister Vent Solenoid
Fuel Injectors
Fuel Tank Pressure Sensor, EVAP Canister Vent Solenoid
Fuel Tank Pressure Sensor, EVAP Canister Vent Solenoid
Handling ESD Sensitive Parts Notice
Handling ESD Sensitive Parts Notice