GM Service Manual Online
For 1990-2009 cars only
Makes
🢒
Buick
🢒
2000
🢒
LeSabre
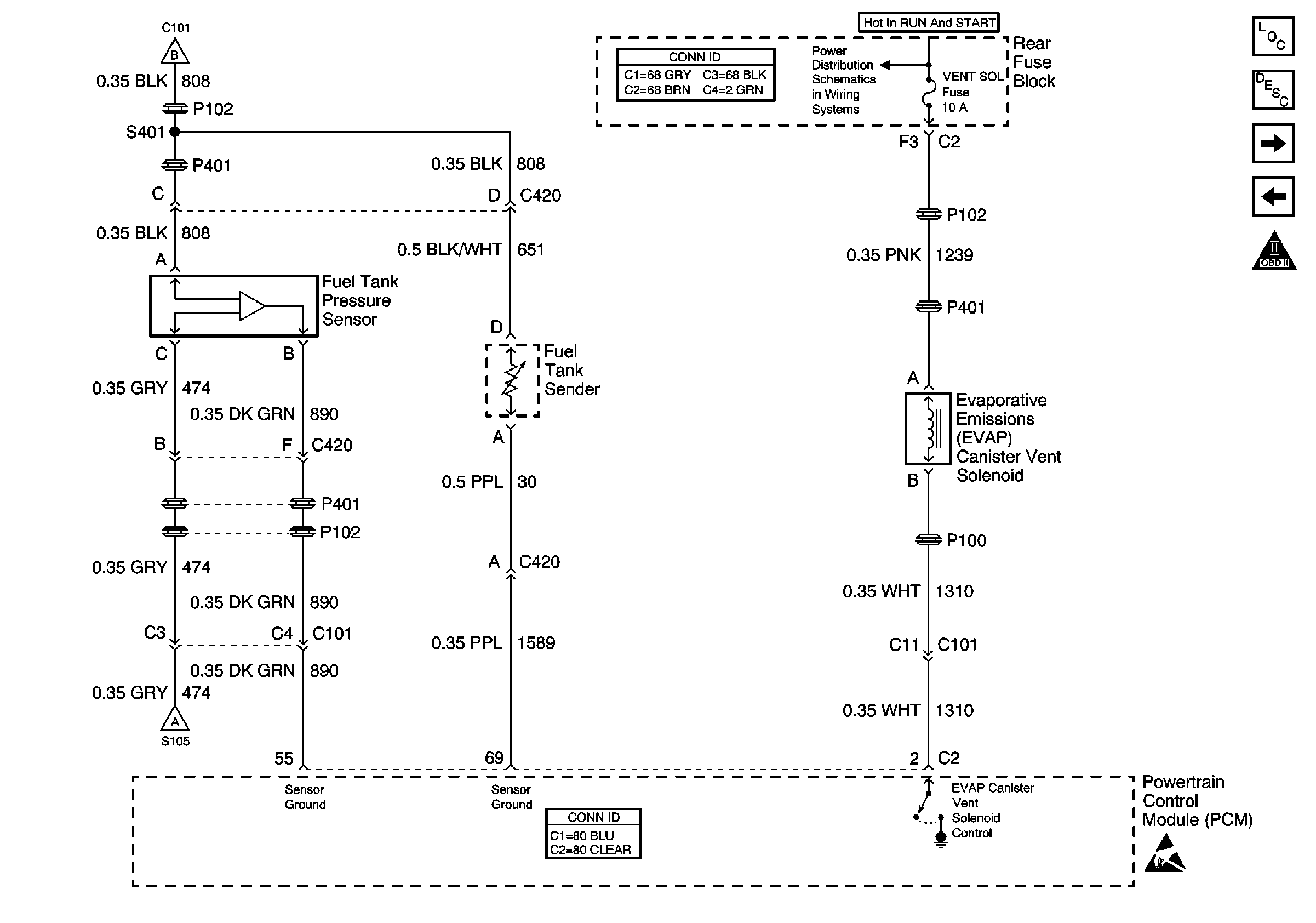
🢒 Fuel Tank Pressure Sensor, EVAP Canister Vent Solenoid
Fuel Tank Pressure Sensor, EVAP Canister Vent Solenoid
Fuel Tank Pressure Sensor, EVAP Cansiter Vent Solenoid
Engine Controls Components
Fuel System Description
HO2S 1, HO2S 2
Sensors
Battery Feed to the Rear Fuse Block
Sensors
Sensors
Handling ESD Sensitive Parts Notice