GM Service Manual Online
For 1990-2009 cars only
Makes
🢒
Buick
🢒
2000
🢒
LeSabre
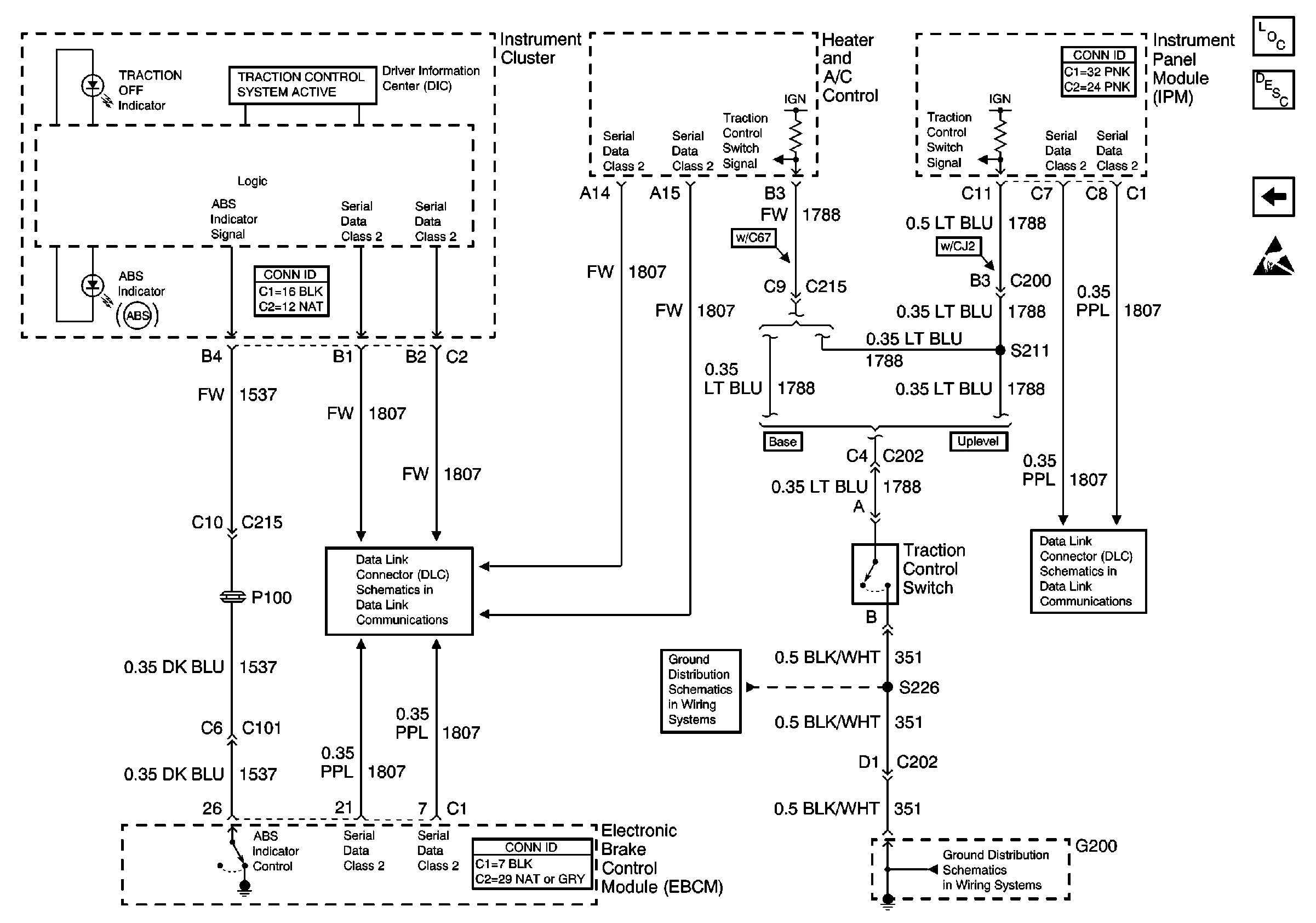
🢒 Indicators and Traction Control Switch
Indicators and Traction Control Switch
Indicators and Traction Control Switch
ABS Components
ABS Description
Traction Control (w/NW9) and Variable Effort Steering (w/NV8)
Handling ESD Sensitive Parts Notice
Serial Data Class 2
Serial Data Class 2
G200 (1 of 2)
G200 (1 of 2)