GM Service Manual Online
For 1990-2009 cars only
Makes
🢒
Buick
🢒
2000
🢒
LeSabre
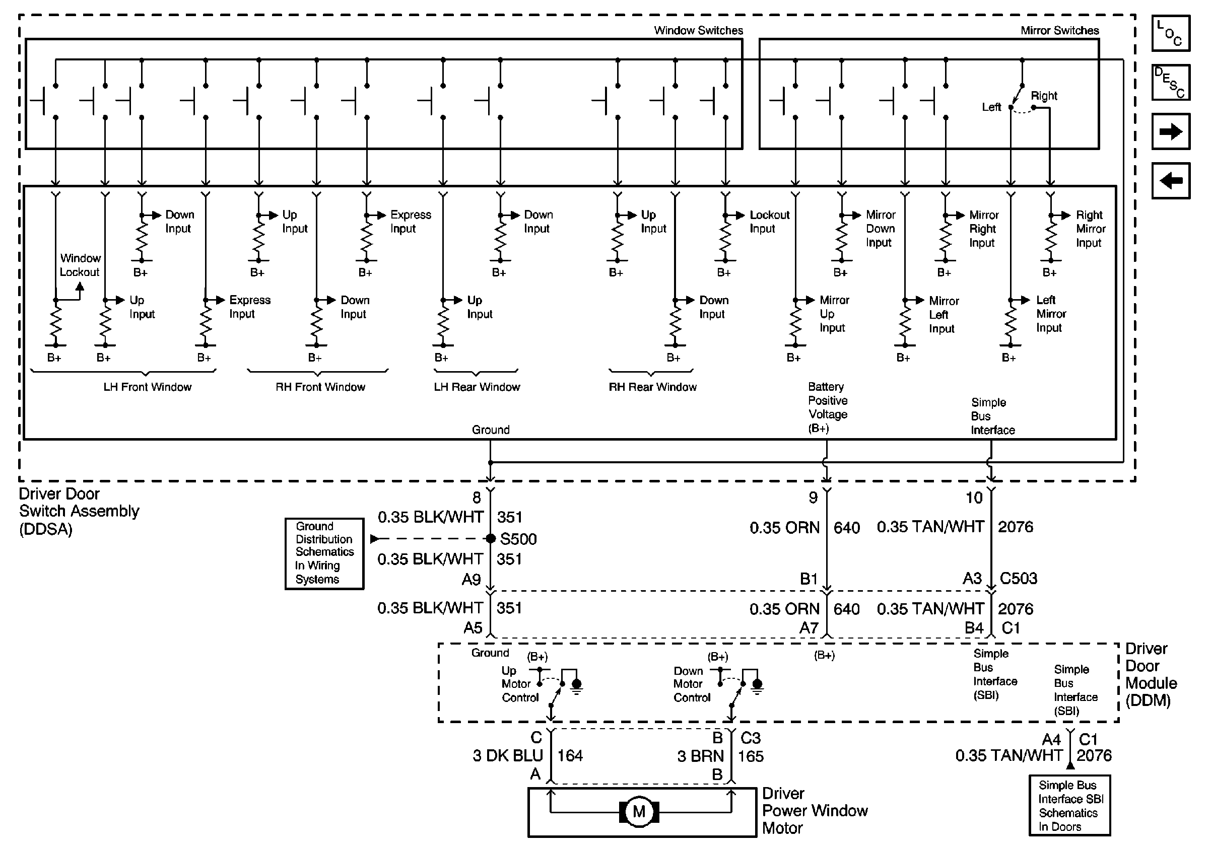
🢒 LH Front Door
LH Front Door
LH Front Door
Power Door Systems Components
RH Rear Door
RH Front Door
G200 (2 of 2)
Simple Bus Interface