GM Service Manual Online
For 1990-2009 cars only
Makes
🢒
Buick
🢒
2000
🢒
LeSabre
🢒 Instrument Panel and Console Dimming
Instrument Panel and Console Dimming
Instrument Panel and Console Dimming
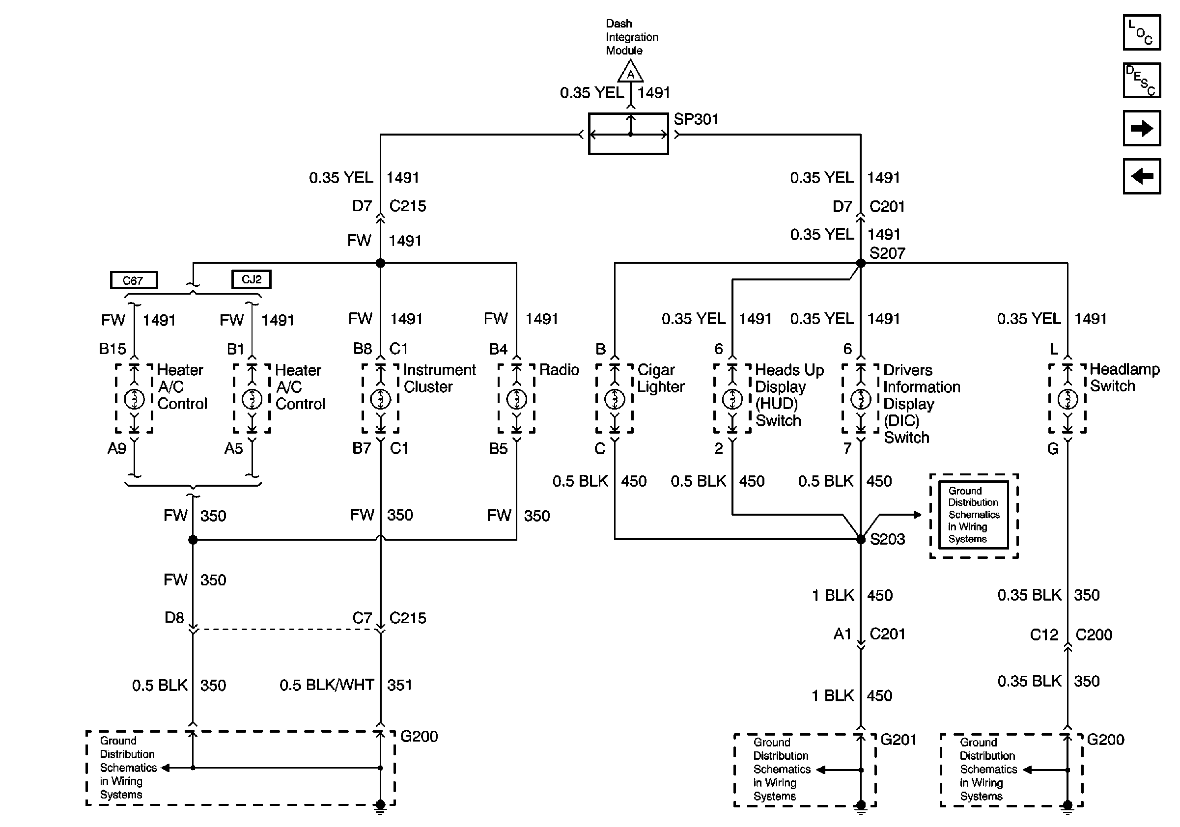
Dimmer Control
G200 (1 of 3)
G201
Lighting Systems Components
Interior Lights Dimming Circuit Description
Front Door Dimming
Dimmer Control
G201
G201