GM Service Manual Online
For 1990-2009 cars only
Makes
🢒
Buick
🢒
2000
🢒
LeSabre
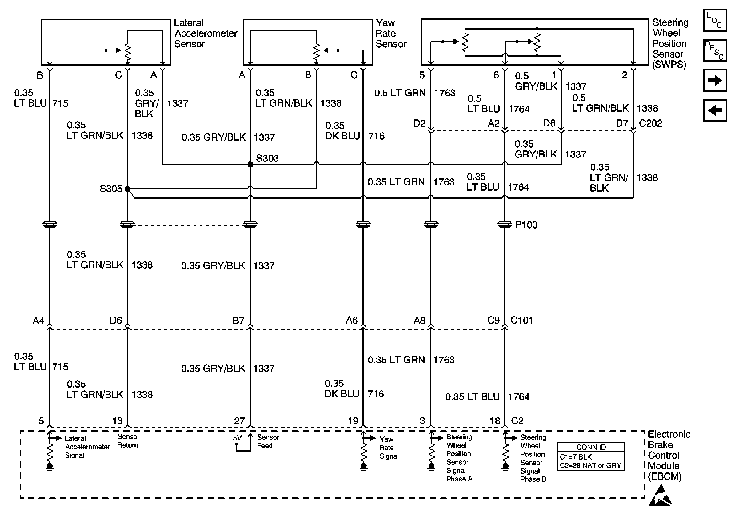
🢒 Vehicle Stability Enhancement System (w/JL4)
Vehicle Stability Enhancement System (w/JL4)
Vehicle Stability Enhancement System (w/JL4)
ABS Components
ABS Description
Traction Control (w/NW9) and Variable Effort Steering (w/NV8)
Wheel Speed Sensors
Handling ESD Sensitive Parts Notice