GM Service Manual Online
For 1990-2009 cars only

Object Number: 475485  Size: SF
Engine Controls Components
Serial Data Class 2
OBD II Symbol Description Notice
Handling ESD Sensitive Parts Notice
Handling ESD Sensitive Parts Notice

Circuit Description

The PCM receives rough road information from the electronic brake control module (EBCM) or the elelctronic brake and traction control module (EBTCM) on the Class 2 Serial Data circuit. The PCM uses the rough road information to enhance the misfire diagnostic by distinguishing crankshaft speed variations caused by driving on rough road surfaces from variations caused by true misfires. The EBCM or EBTCM transmits rough road information based on inputs from the wheel speed sensors. If a loss of communication occurs that prevents the PCM from receiving rough road information while DTC P0300 is requesting the malfunction indicator lamp (MIL), DTC P1381 will set.

Conditions for Running the DTC

    • The engine load is less than 87 percent.
    • The engine speed is less than 5000 RPM.
    • The vehicle speed is more than 10 mph.
    • A misfire DTC is occurring and illumination of the MIL has been requested.

Conditions for Setting the DTC

The PCM detects a loss of communication with the EBCM or EBTCM for at least 10 seconds.

Action Taken When the DTC Sets

    • The PCM does not illuminate the malfunction indicator lamp (MIL).
    • The PCM stores the conditions that were present when the DTC set as Fail Records data only. This information is not stored as Freeze Frame data.

Conditions for Clearing the MIL/DTC

    • A history DTC cleas after 40 consecutive warm-up cycles have occurred without a malfunction.
    • The DTC can be cleared by using the scan tool Clear Information function or by disconnecting the PCM battery feed.

Diagnostic Aids

Check for the following conditions:

    • A faulty connection at the PCM or at the EBCM or the EBTCM--Inspect harness connectors for backed out terminals, improper mating, broken locks, improperly formed or damaged terminals, and poor terminal to wire connection. Use a corresponding mating terminal to test for correct terminal tension.
    • A damaged harness--Inspect the wiring harness for damage. If the harness appears to be OK, observe ABS data on the scan tool while moving connectors and wiring harnesses related to the EBCM / EBTCM. A loss of ABS data will indicate the location of the malfunction.

Reviewing the Fail Records vehicle mileage since the diagnostic test last failed may help determine how often the condition occurs that caused the DTC to set. This may assist in diagnosing the condition.

Test Description

The numbers below refer to the step numbers on the Diagnostic Table.

  1. Ensures that the EBCM or the EBTCM is capable of transmitting serial data on the Class II Data circuit.

  2. Checks the Class II data circuit at the EBCM or the EBTCM for the correct voltage.

DTC P1381 - Misfire Detected - No EBCM/PCM Serial Data

Step

Action

Values

Yes

No

1

Was the Powertrain On-Board Diagnostic (OBD) System Check performed?

--

Go to Step 2

Go to Powertrain On Board Diagnostic (OBD) System Check

2

  1. Turn ON the ignition switch.
  2. Select chassis application on the scan tool.
  3. Attempt to display ABS data on the scan tool.

Can ABS data be displayed?

--

Go to Step 3

Go to Step 4

3

  1. Check the Serial Data circuit for an open or a faulty connection between the PCM and the EBCM.
  2. If a problem is found, repair as necessary. Refer to the following procedures:
  3. •  Wiring Repairs in Wiring Systems.

Was a problem found?

--

System OK

Go to Diagnostic Aids

4

  1. Turn OFF the ignition switch.
  2. Disconnect the EBCM.
  3. Turn ON the ignition switch.
  4. Using a digital multimeter (DMM), measure the voltage on the Serial Data circuit at the EBCM harness connector.

Does the voltage vary within a range between the specified values?

1-5V

Go to Step 5

Go to Step 6

5

  1. Check for a poor connection at the EBCM.
  2. If a problem is found, replace faulty terminals as necessary. Refer to the following procedures:

Was a problem found?

--

Go to Step 7

Go to Step 6

6

  1. Check for an open in the Serial Data circuit to the EBCM. Refer to Data Link Communications,

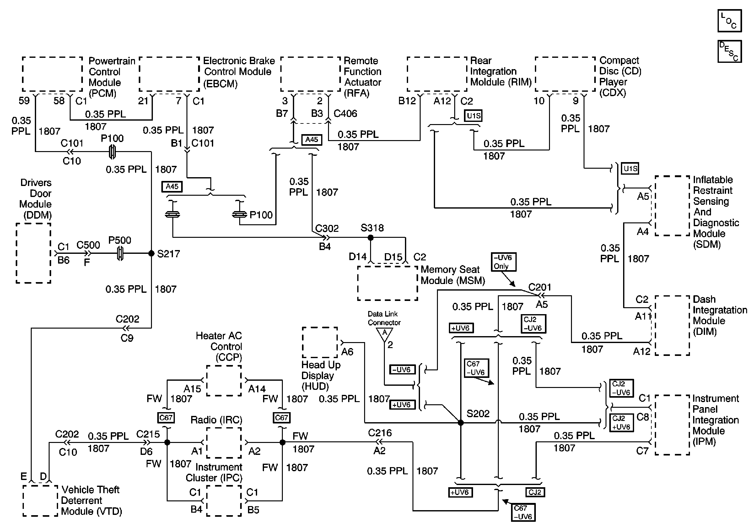
    Serial Data Class 2


    Object Number: 397511  Size: FS
    Engine Controls Schematics
    Antilock Brake System Schematics
    Keyless Entry Schematics
    Radio/Audio System Schematics
    SIR Schematics
    Body Control System Schematics
    Body Control System Schematics
    Memory Seats Schematics
    Head Up Display Schematics
    HVAC Blower Control Schematics
    Radio/Audio System Schematics
    Instrument Cluster: Analog Schematics
    Theft Deterrent System Schematics
    Door Control Module Schematics
    Data Link Communications Circuit Description
    for a complete mechanization.
  2. If a problem is found, repair as necessary. Refer to Wiring Repairs in Wiring Systems.

Was a problem found?

--

Go to Step 7

Go to Diagnostic System Check - ABS

7

  1. Turn ON the ignition switch.
  2. Select chassis application on the scan tool.
  3. Attempt to display ABS data on the scan tool.

Can ABS data be displayed?

--

System OK

Go to Step 4