GM Service Manual Online
For 1990-2009 cars only
Makes
🢒
Buick
🢒
2002
🢒
LeSabre
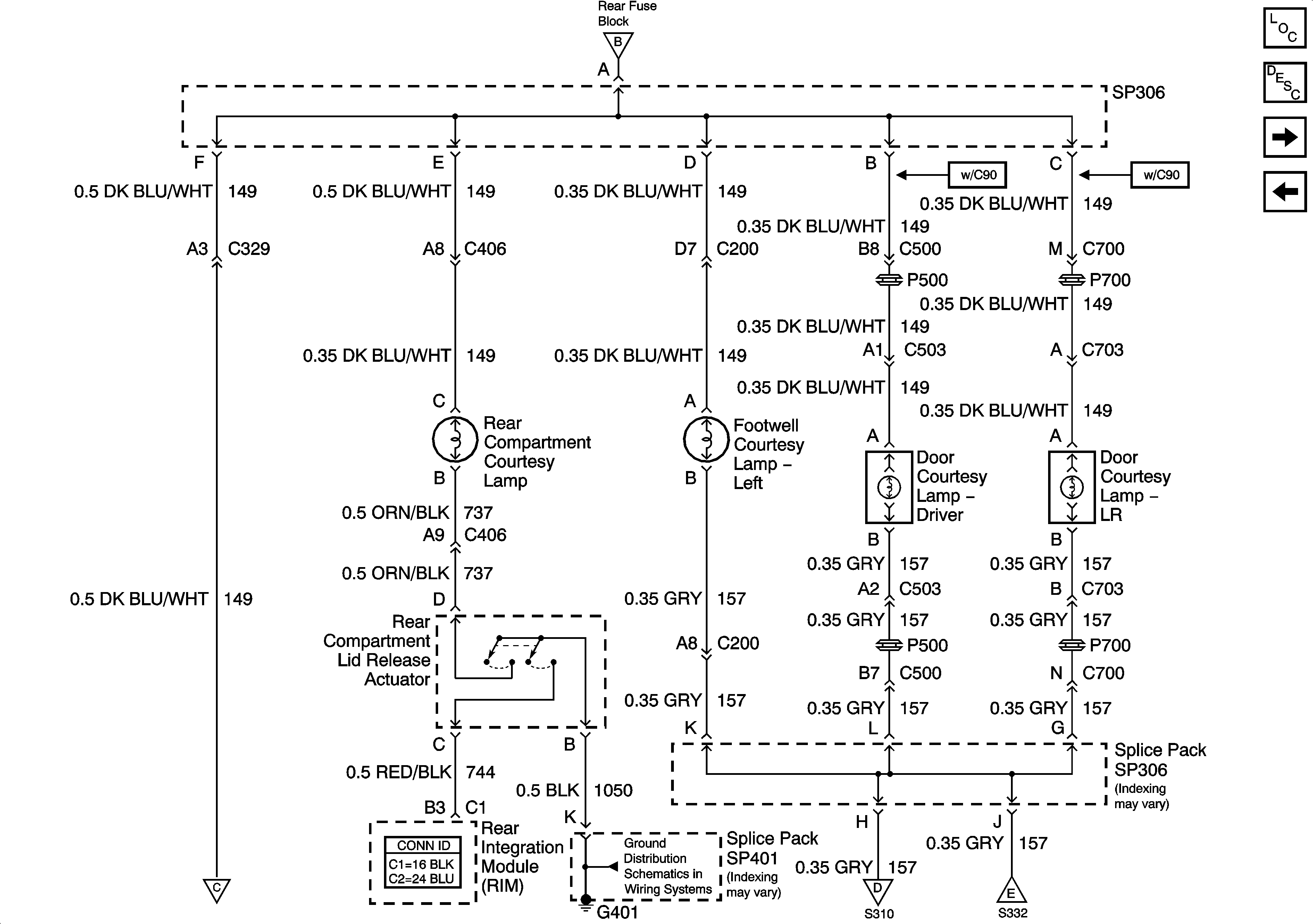
🢒 Drivers Side Courtesy Lamps
Drivers Side Courtesy Lamps
Drivers Side Courtesy Lamps
Master Electrical Component List
Courtesy/Reading Lamps and Vanity Mirrors
Door Actuator Switches
Courtesy/Reading Lamps and Vanity Mirrors
Passenger Side Courtesy Lamps
G401 (2 of 2)
Courtesy/Reading Lamps and Vanity Mirrors
Interior Lamp Relay