GM Service Manual Online
For 1990-2009 cars only
Makes
🢒
Buick
🢒
2005
🢒
LeSabre
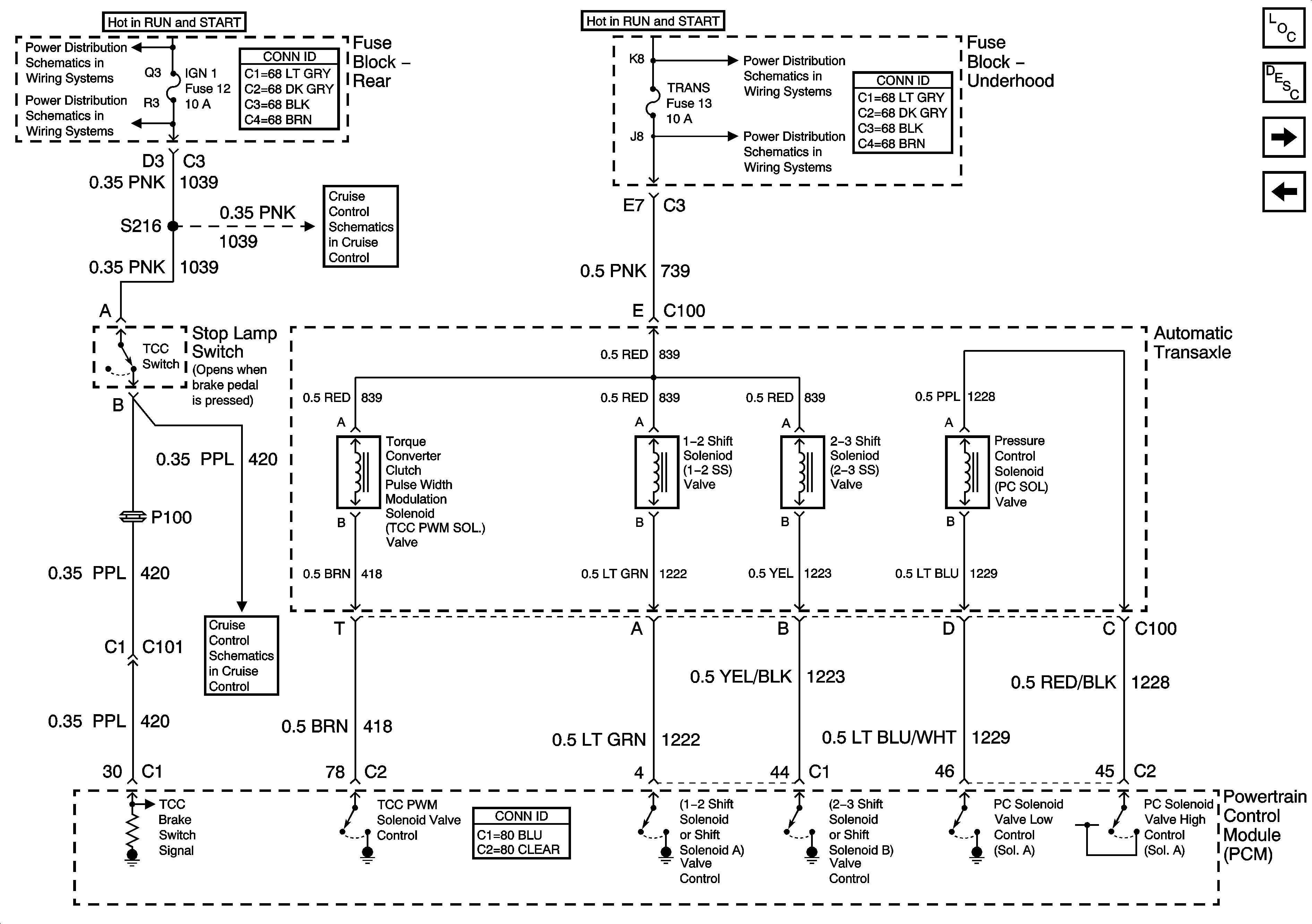
🢒 Transmission Solenoids (L36)
Transmission Solenoids (L36)
Transmission Solenoids (L36)
Master Electrical Component List
Transmission Component and System Description
Internal Mode Switch (IMS) Inputs
Transmission Inputs (L36)
Fuse Block Rear - IGN-1, VENT SOL and SIR Fuses
Fuse Block Rear - IGN-1, VENT SOL and SIR Fuses
Cruise Control Switch, Cruise Control Module (CCM), Power and Grounds
Fuse Block Underhood - IGN 1 Relay, Transmission, DIS, OXY SEN, and IGN 1 Fuses
Fuse Block Underhood - IGN 1 Relay, Transmission, DIS, OXY SEN, and IGN 1 Fuses
Cruise Control Switch, Cruise Control Module (CCM), Power and Grounds