GM Service Manual Online
For 1990-2009 cars only
Makes
🢒
Buick
🢒
2006
🢒
Lucerne
🢒
Vehicle Control Systems
🢒
Vehicle DTC Information
🢒 Starting and Charging Schematics
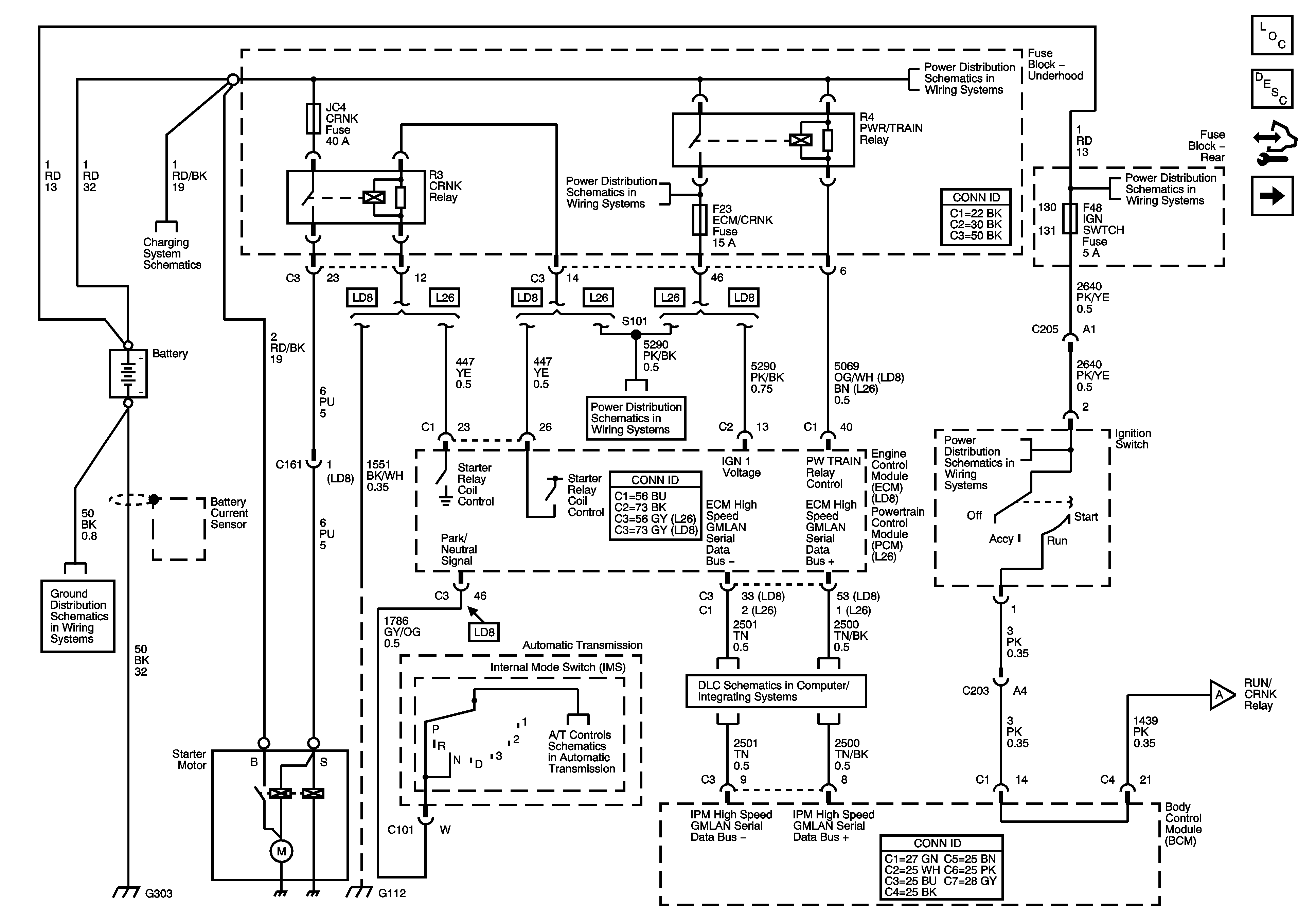
Figure
1:
Starting 1 of 2
Master Electrical Component List
Starting System Description and Operation
Control Module References
Starting 2 of 2
Charging
PWR/TRAIN, AIR PUMP, AIR/SOL Relays, ECM/CRNK, INJ/COIL, PWR TRN, AIR PUMP, AIR/SOL Fuses
Underhood Fuse Block B+
IGN SWTCH, STR/WHL/ILLUM Fuses
PWR/TRAIN, AIR PUMP, AIR/SOL Relays, ECM/CRNK, INJ/COIL, PWR TRN, AIR PUMP, AIR/SOL Fuses
IGN SWTCH, STR/WHL/ILLUM Fuses
G101, G110, G111, G114, G115, G302, G303, G306, G307
TCM Power and Ground
High Speed Serial Data
Starting 2 of 2
G112 (L26)
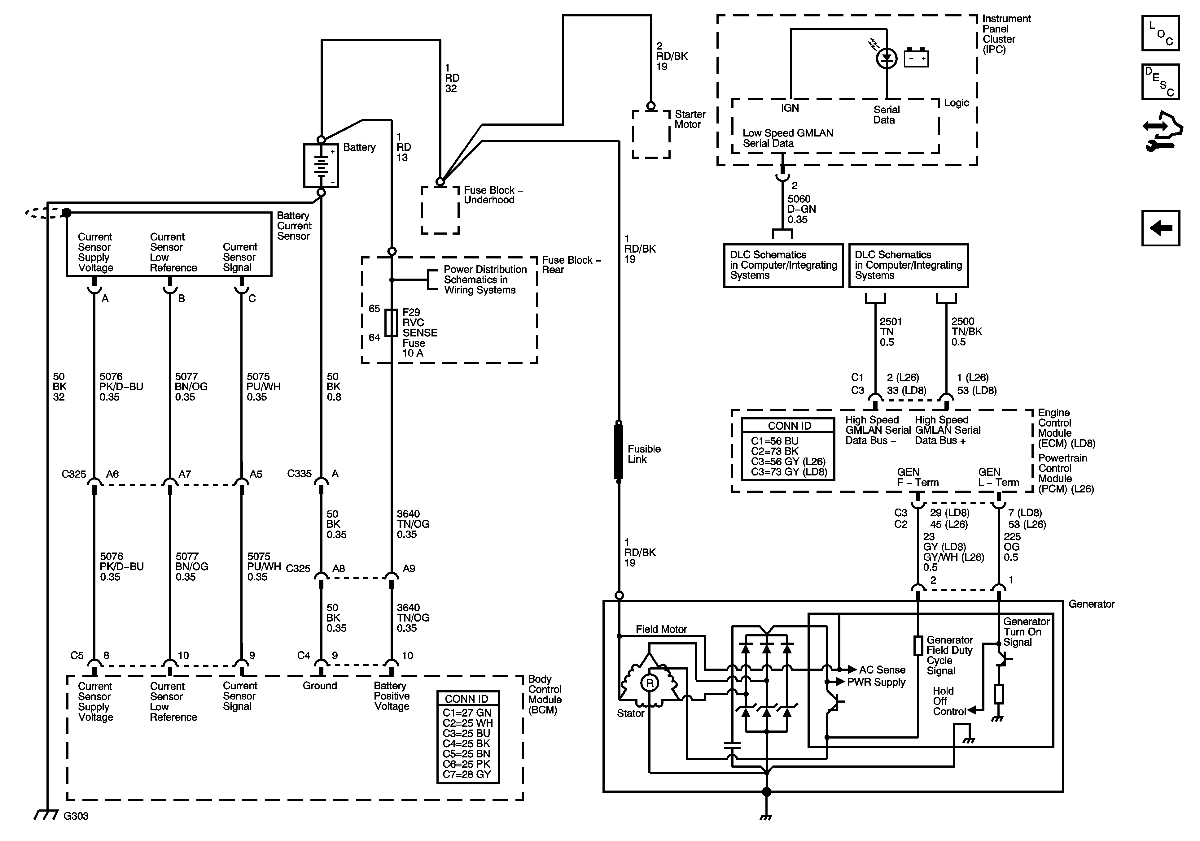
Figure
2:
Starting 2 of 2
Master Electrical Component List
Starting System Description and Operation
Control Module References
Charging
Starting 1 of 2
Starting 1 of 2
Underhood Fuse Block B+
RUN/CRANK Relay, TRANS IGN 3, AIRBAG IGN 3, HVAC/IPC, ECM IGN 3 Fuses
G112 (L26)
Figure
3:
Charging
Master Electrical Component List
Charging System Description and Operation
Control Module References
Starting 2 of 2
TRUNK RELSE Relay, AUX PWR, AUX PWR, CNSTR VENT, RVC SENSE, ELC MDL, MRTD MDL, TRUNK RELSE Fuses
Power, Ground, and Low Speed GMLAN
High Speed Serial Data
G101, G110, G111, G114, G115, G302, G303, G306, G307