GM Service Manual Online
For 1990-2009 cars only
Makes
🢒
Buick
🢒
2006
🢒
Lucerne
🢒
Suspension
🢒
Automatic Level Control
🢒 Automatic Level Control Schematics
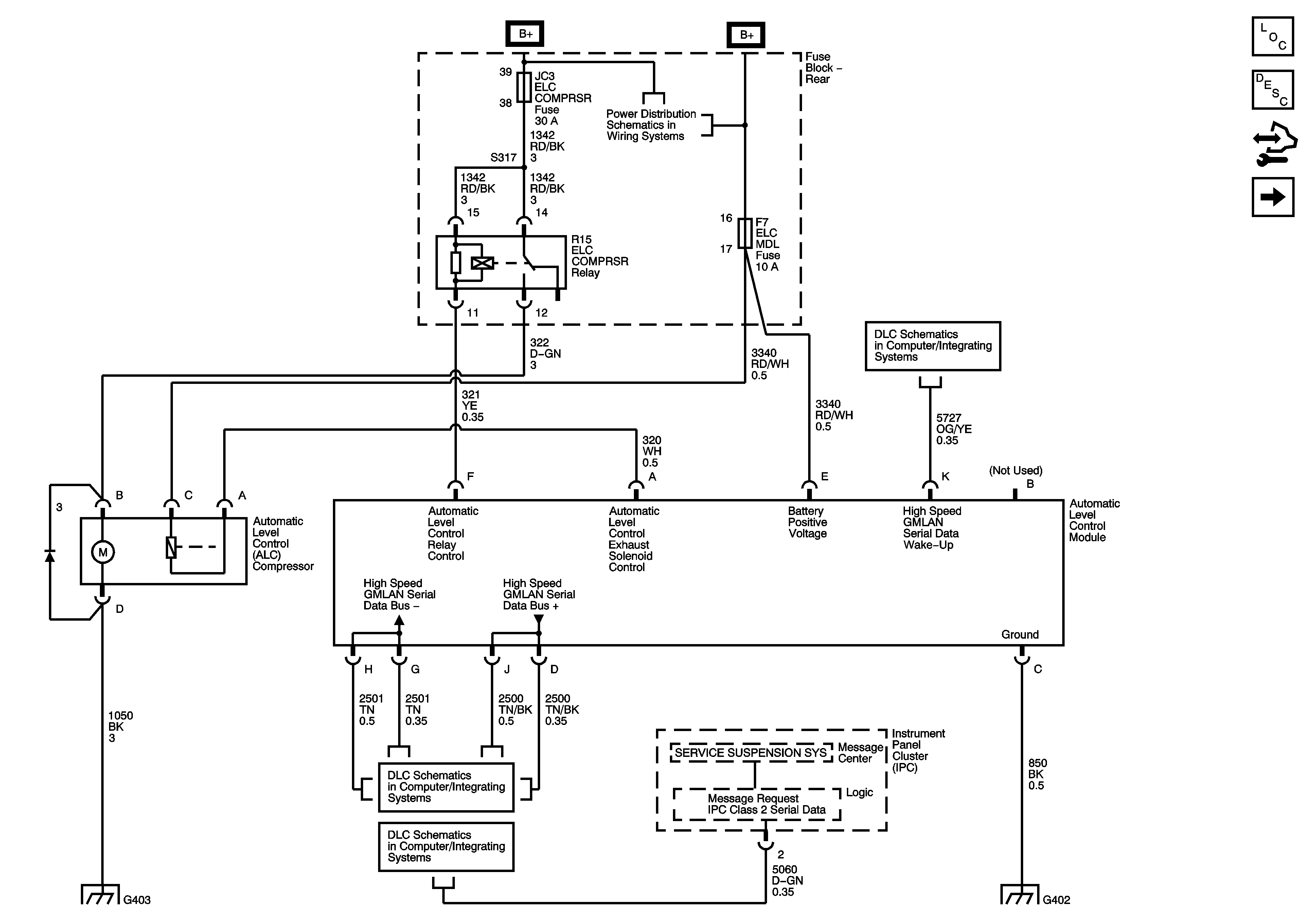
Figure
1:
Automatic Level Control - FE1, F41
Master Electrical Component List
Automatic Level Control Description and Operation (w/o F55)
Control Module References
Automatic Level Control Schematics (F55, FE3)
Rear Fuse Block B+
Serial Data Wake Up
High Speed Serial Data
Power, Ground, and Low Speed GMLAN
G403
G402
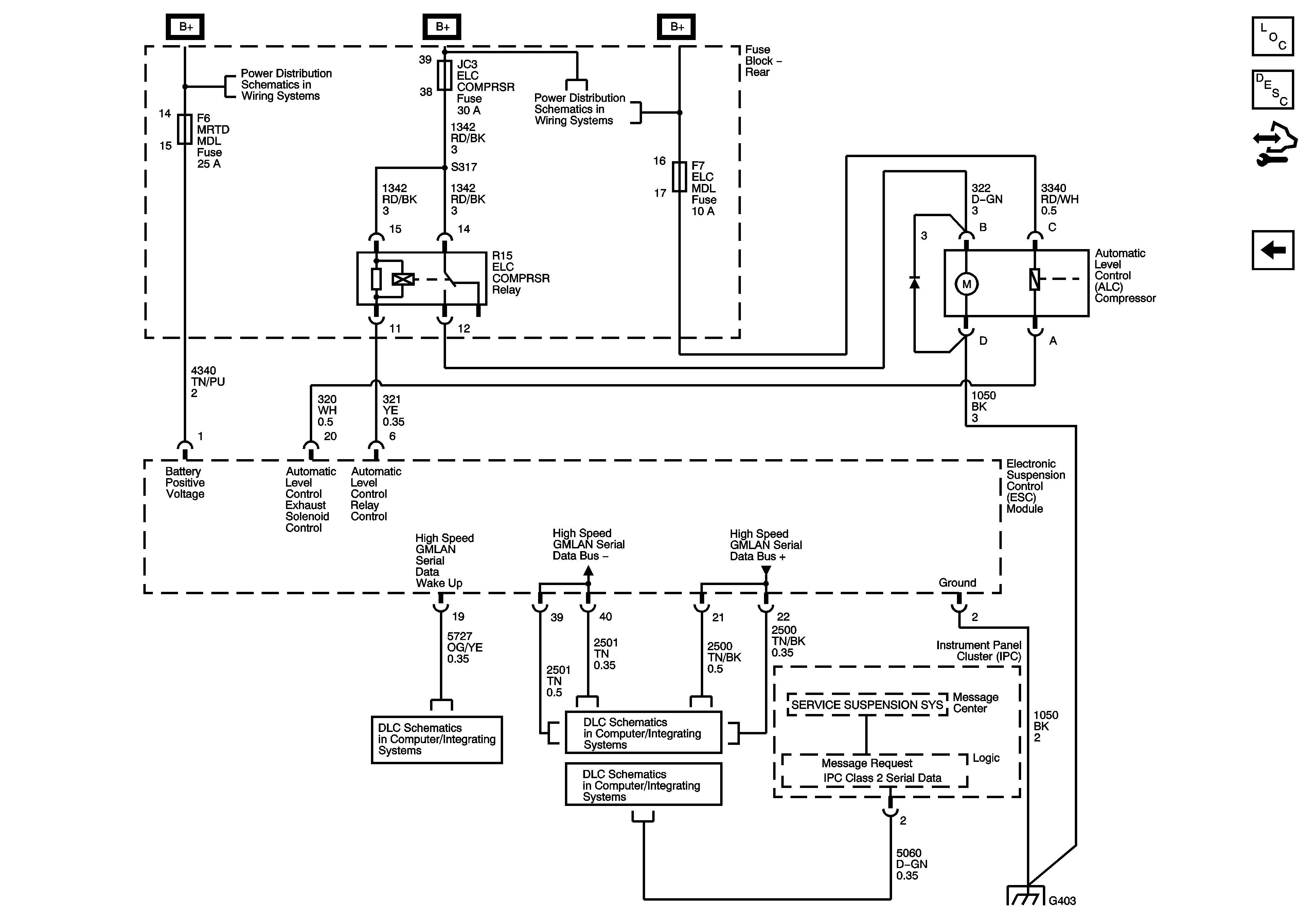
Figure
2:
Automatic Level Control - F55, FE3
Master Electrical Component List
Automatic Level Control Description and Operation (F55)
Control Module References
Automatic Level Control Schematics (FE1, F41)
Rear Fuse Block B+
Rear Fuse Block B+
Serial Data Wake Up
High Speed Serial Data
Power, Ground, and Low Speed GMLAN
G403