GM Service Manual Online
For 1990-2009 cars only
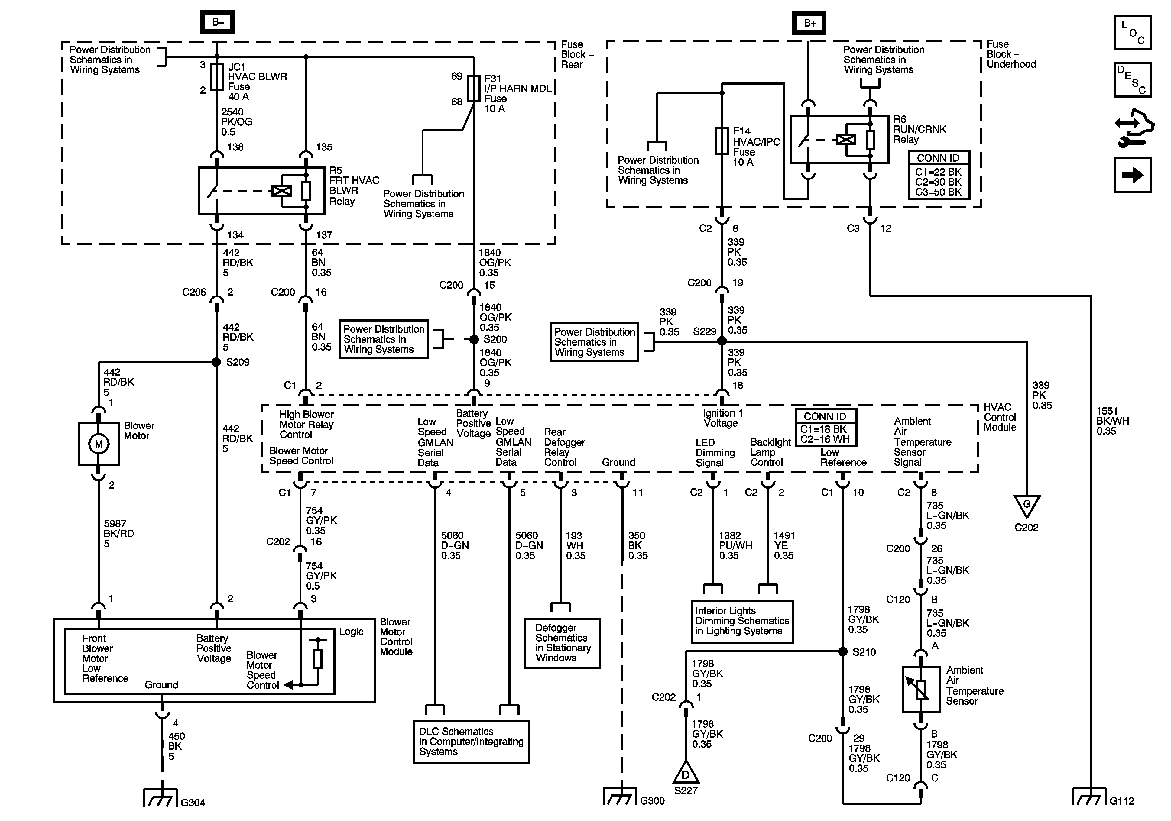
Figure 1:

Power, Ground, Blower Motor Controls


Object Number: 1703633  Size: FS
Master Electrical Component List
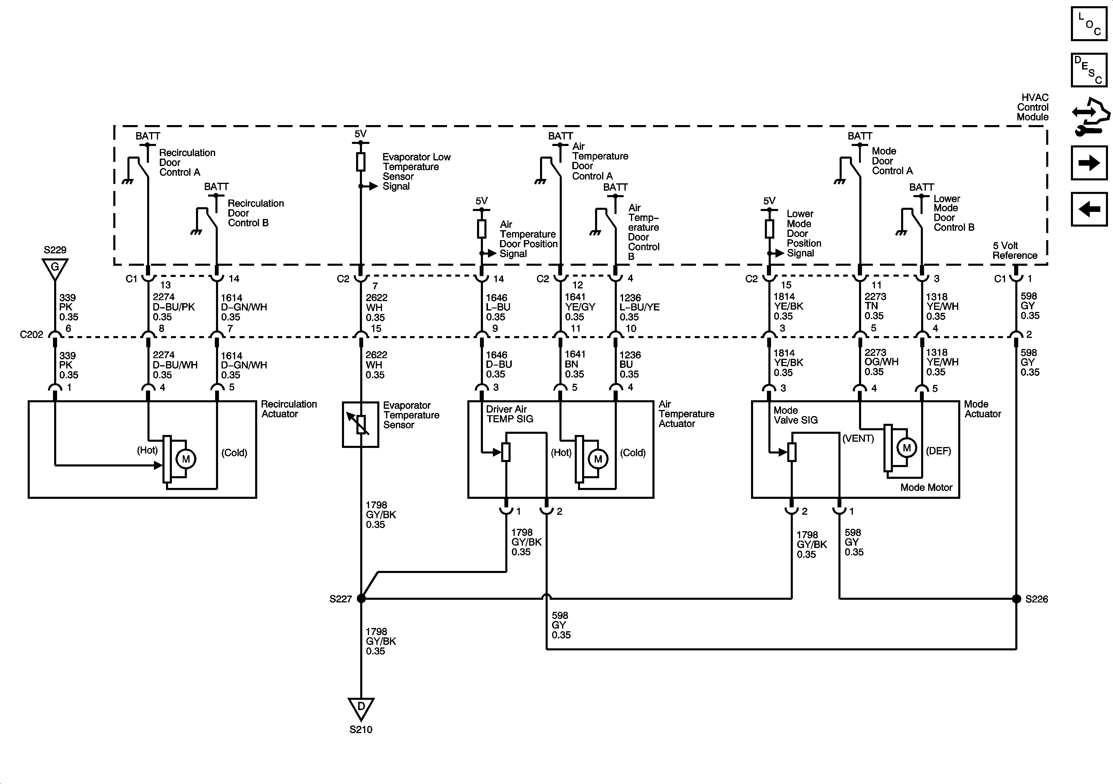
Air Delivery Description and Operation
Control Module References
Mode and Air Temperature Controls
Rear Fuse Block B+
RUN/CRANK Relay, TRANS IGN 3, AIRBAG IGN 3, HVAC/IPC, ECM IGN 3 Fuses
PRK LAMP, DRL Relays, IP HARN MDL, LT PRK LAMP, RT PRK LAMP, DRL Fuses
Underhood Fuse Block B+
PRK LAMP, DRL Relays, IP HARN MDL, LT PRK LAMP, RT PRK LAMP, DRL Fuses
RUN/CRANK Relay, TRANS IGN 3, AIRBAG IGN 3, HVAC/IPC, ECM IGN 3 Fuses
Defogger Schematics
Hazard, Headlamp, Driver Information Display Switches, Ashtray, HVAC Control Module, Radio
Mode and Air Temperature Controls
G304
Power, Ground, and Low Speed GMLAN
G300
Mode and Air Temperature Controls
G112 (L26)
Figure 2:

Mode and Air Temperature Controls


Object Number: 1703637  Size: FS
Master Electrical Component List
Air Delivery Description and Operation
Control Module References
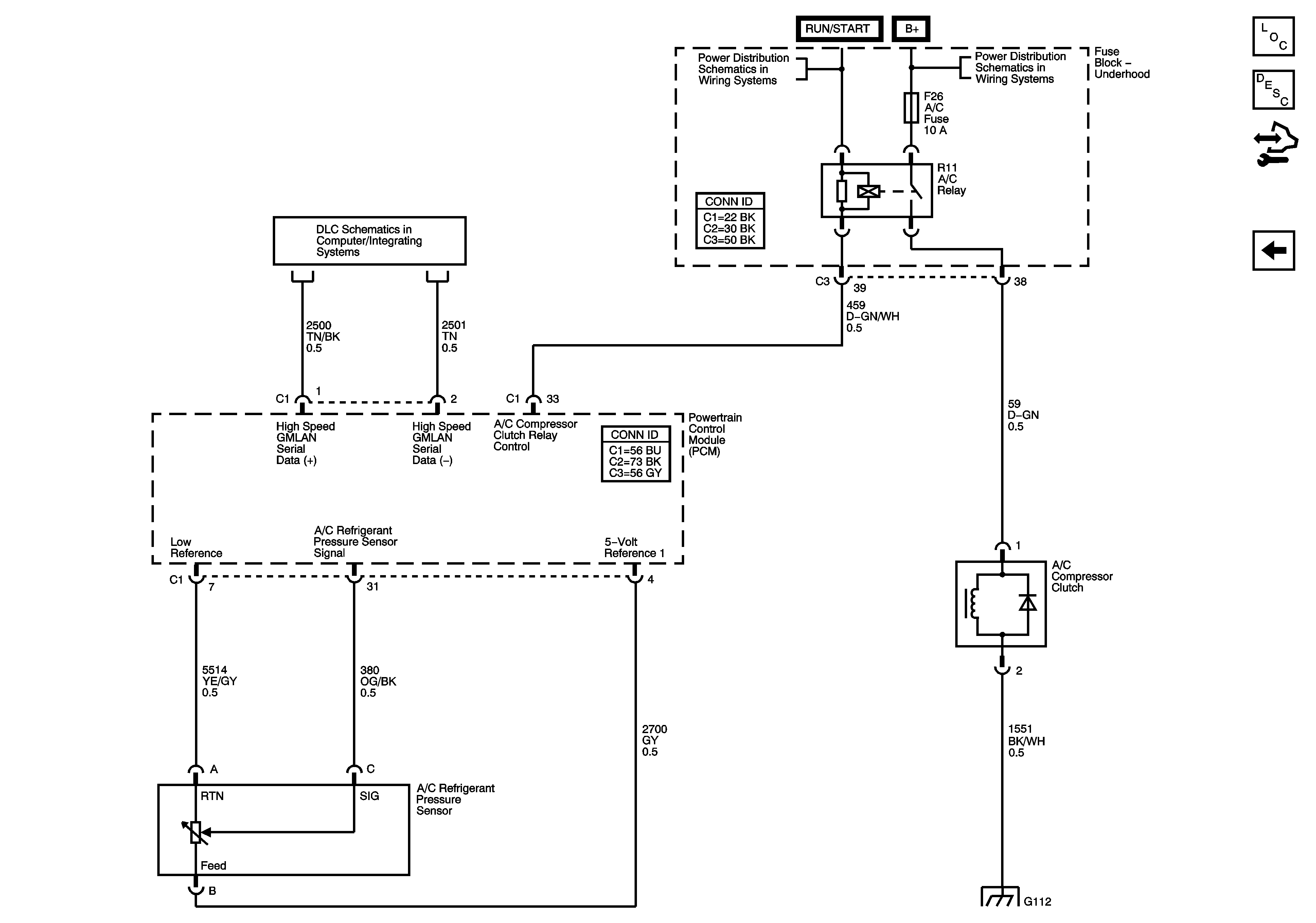
Compressor Controls
Power, Ground, Blower Motor Controls
Power, Ground, Blower Motor Controls
Power, Ground, Blower Motor Controls
Figure 3:

Compressor Controls


Object Number: 1703643  Size: FS
Master Electrical Component List
Air Delivery Description and Operation
Control Module References
Mode and Air Temperature Controls
Underhood Fuse Block B+
Underhood Fuse Block B+
High Speed Serial Data
G112 (L26)