GM Service Manual Online
For 1990-2009 cars only
Makes
🢒
Buick
🢒
2006
🢒
Lucerne
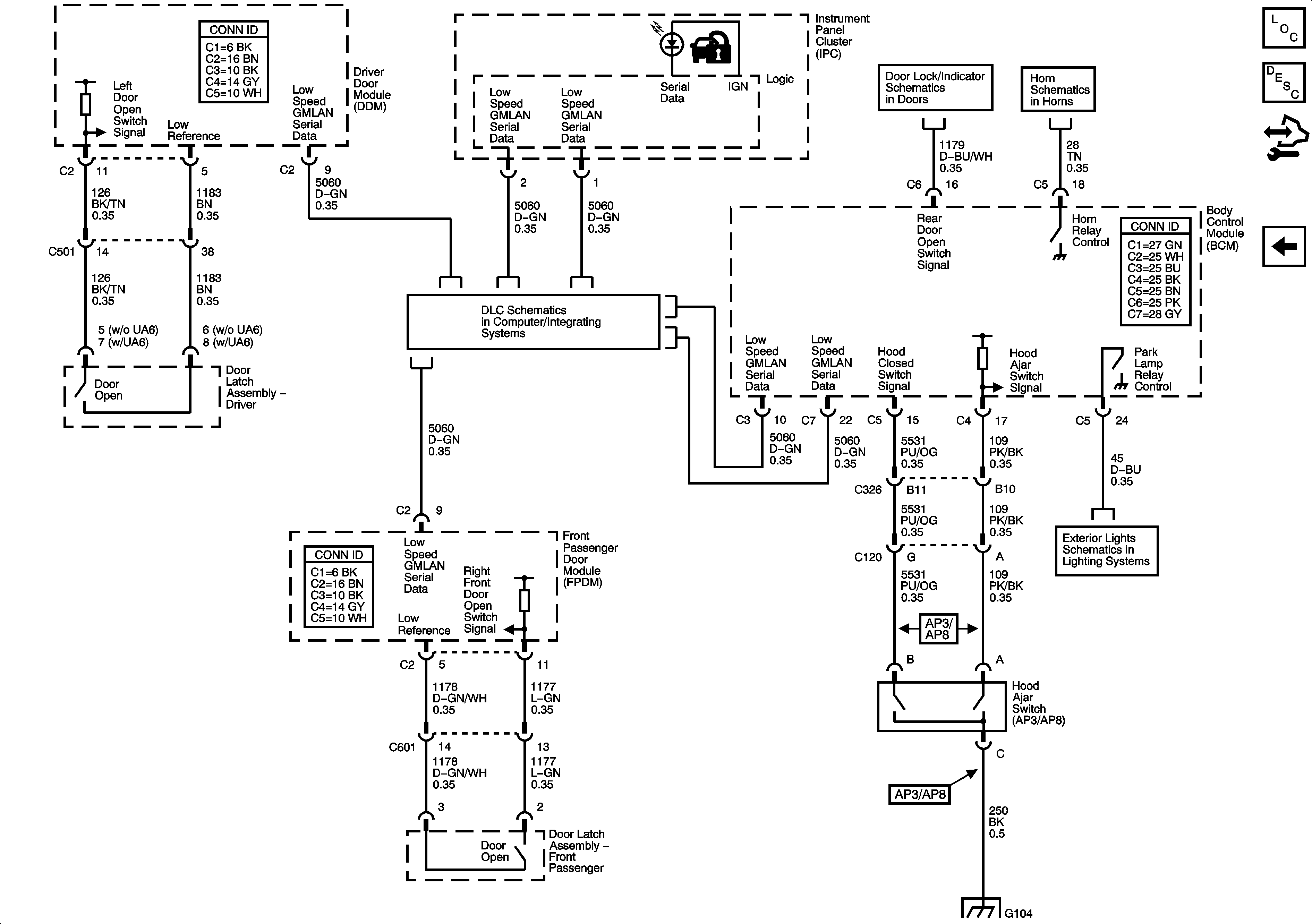
🢒 Door Latch Assemblies and Hood Ajar Switch
Door Latch Assemblies and Hood Ajar Switch
Door Latch Assemblies and Hood Ajar Switch
Master Electrical Component List
Keyless Entry System Description and Operation
Control Module References
Remote Control Door Lock Receiver RCDLR
Door Lock, Unlock Relays
Horns Schematics
Power, Ground, and Low Speed GMLAN
Front Park, Marker Lamps
G104