GM Service Manual Online
For 1990-2009 cars only
Makes
🢒
Buick
🢒
2006
🢒
Lucerne
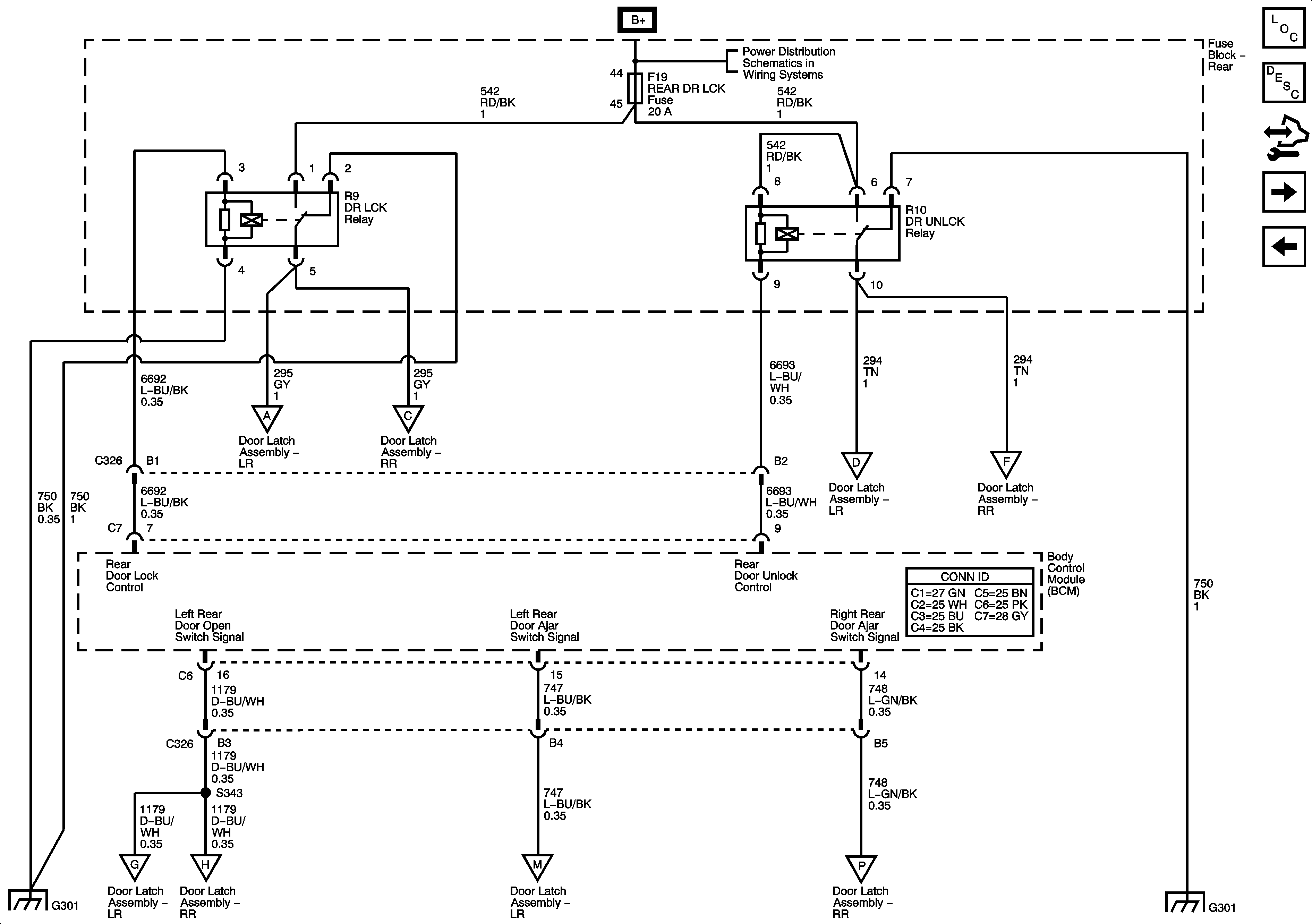
🢒 Door Lock, Unlock Relays
Door Lock, Unlock Relays
Door Lock, Unlock Relays
Master Electrical Component List
Power Door Locks Description and Operation
Control Module References
Rear Door Latch Assemblies
Front Passenger Door Module Power and Ground
Rear Fuse Block B+
Rear Door Latch Assemblies
Rear Door Latch Assemblies
Rear Door Latch Assemblies
Rear Door Latch Assemblies
G301
Rear Door Latch Assemblies
Rear Door Latch Assemblies
Rear Door Latch Assemblies
Rear Door Latch Assemblies
G301