GM Service Manual Online
For 1990-2009 cars only
Figure 1:

Starting 1 of 2


Object Number: 1791502  Size: FS
Master Electrical Component List
Starting System Description and Operation
Control Module References
Starting 2 of 2
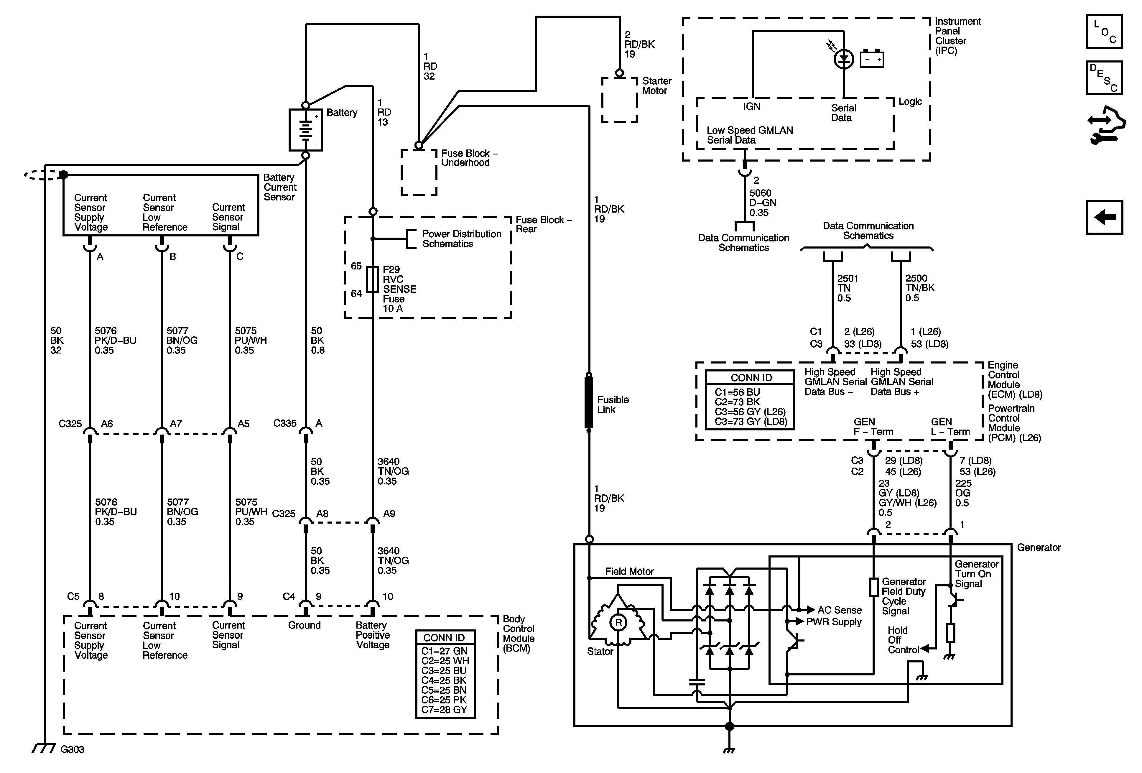
Charging
Underhood Fuse Block B+
Underhood Fuse Block B+
Rear Fuse Block B+
G101, G110, G111, G114, G115, G302, G303, G306, G307
PWR/TRAIN, AIR PUMP, AIR/SOL Relays, ECM/CRNK, INJ/COIL, PWR TRN, AIR PUMP, AIR/SOL Fuses
IGN SWTCH, STR/WHL/ILLUM Fuses
G101, G110, G111, G114, G115, G302, G303, G306, G307
G100, G112 (LD8)
TCM Power and Ground
High Speed Serial Data
Starting 2 of 2
Figure 2:

Starting 2 of 2


Object Number: 1791662  Size: FS
Master Electrical Component List
Starting System Description and Operation
Control Module References
Charging
Starting 1 of 2
Starting 1 of 2
Underhood Fuse Block B+
Underhood Fuse Block B+
G112 (L26)
Figure 3:

Charging


Object Number: 1791665  Size: FS
Master Electrical Component List
Starting System Description and Operation
Control Module References
Starting 2 of 2
Rear Fuse Block B+
Power, Ground, and Low Speed GMLAN
High Speed Serial Data
G101, G110, G111, G114, G115, G302, G303, G306, G307