GM Service Manual Online
For 1990-2009 cars only
Makes
🢒
Buick
🢒
2007
🢒
Lucerne
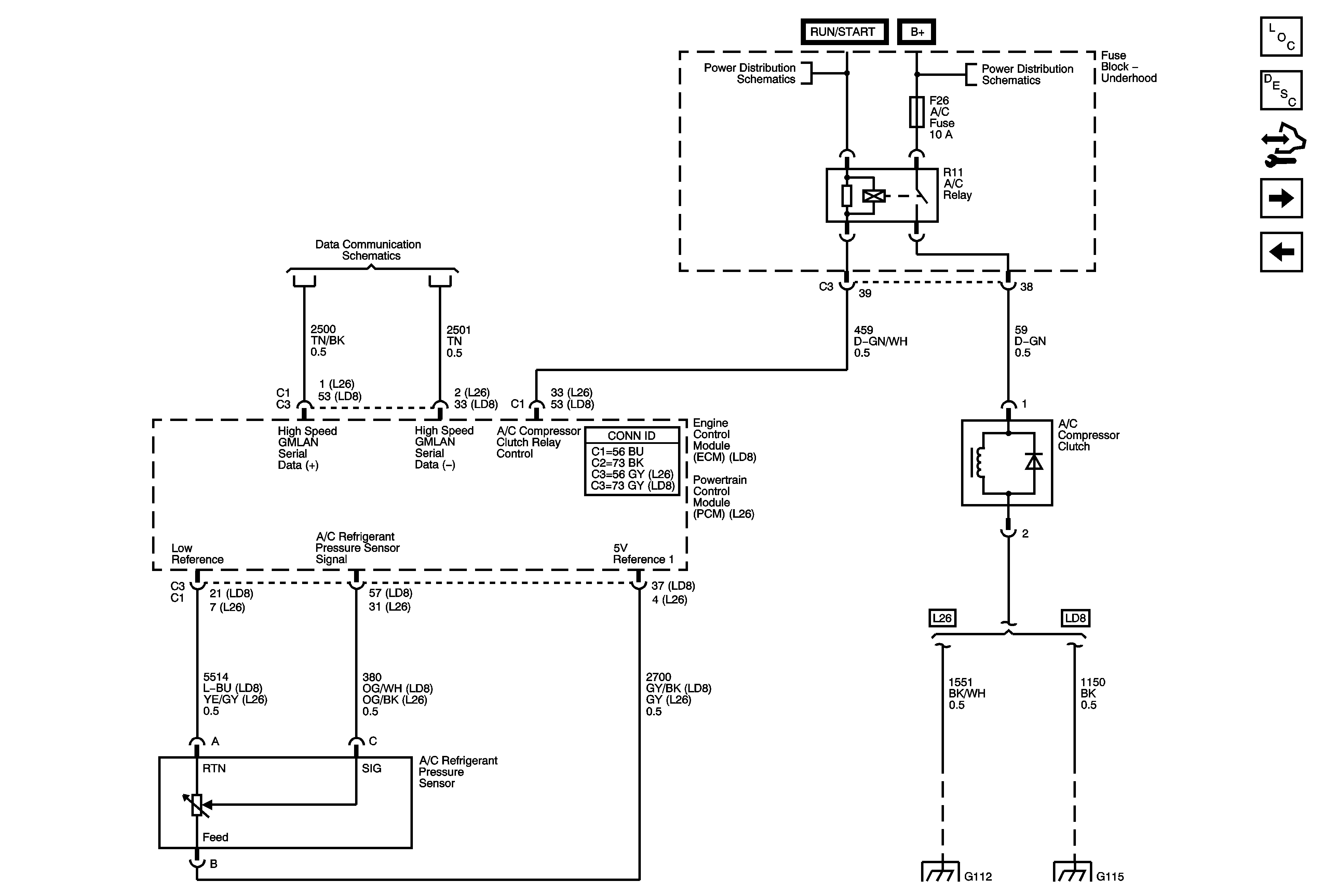
🢒 Compressor Controls
Compressor Controls
Compressor Controls
Master Electrical Component List
Air Temperature Description and Operation
Control Module References
Air Temperature Controls
Mode and Air Temperature Controls
High Speed Serial Data
Underhood Fuse Block B+
Underhood Fuse Block B+
G112 (L26)
G101, G110, G111, G114, G115, G302, G303, G306, G307