GM Service Manual Online
For 1990-2009 cars only

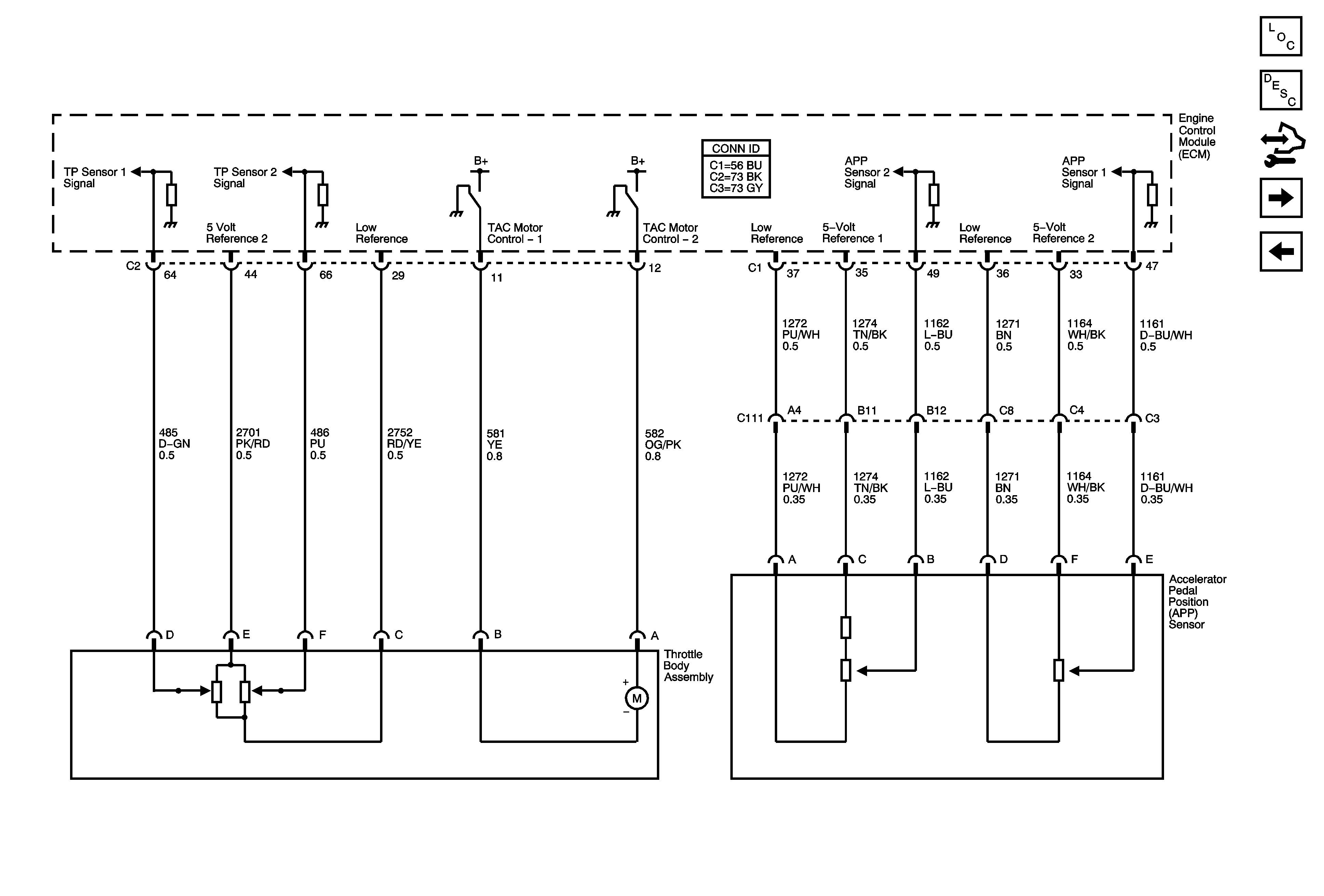
Engine Data Sensors - APP and Throttle Body Assembly

Engine Data Sensors, APP and Throttle Body Assembly


Object Number: 1791894  Size: FS
Master Electrical Component List
Throttle Actuator Control (TAC) System Description
Control Module References
Ignition Controls, 1 of 2
Engine Data Sensors - HO2S