GM Service Manual Online
For 1990-2009 cars only
Makes
🢒
Buick
🢒
2007
🢒
Lucerne
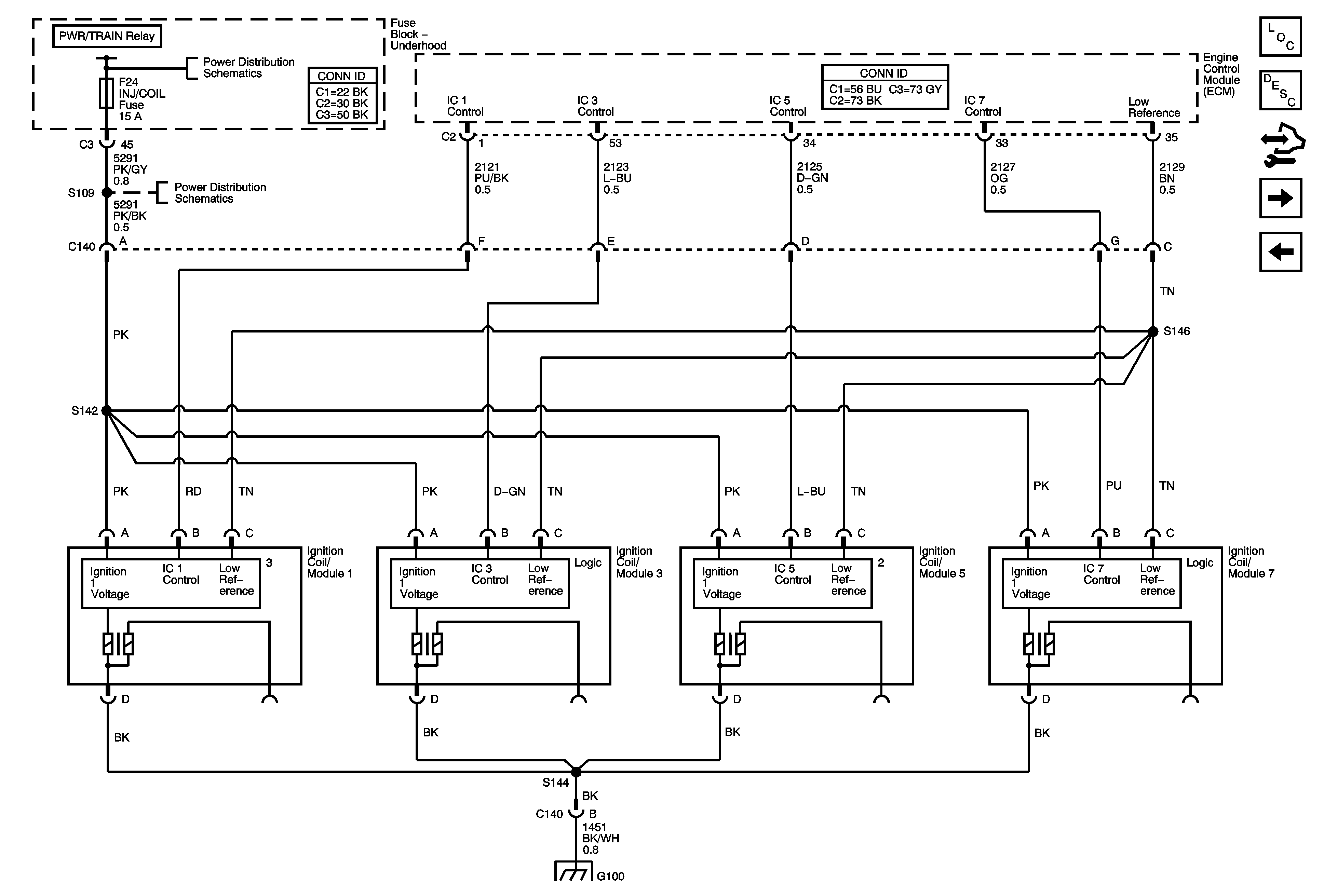
🢒 Ignition Controls, 1 of 2
Ignition Controls, 1 of 2
Ignition Controls - 1 of 2
Master Electrical Component List
Electronic Ignition (EI) System Description
Control Module References
Ignition Controls, 2 of 2
Engine Data Sensors - APP and Throttle Body Assembly
Underhood Fuse Block B+
PWR/TRAIN, AIR PUMP, AIR/SOL Relays, ECM/CRNK, INJ/COIL, PWR TRN, AIR PUMP, AIR/SOL Fuses
G100, G112 (LD8)