GM Service Manual Online
For 1990-2009 cars only
Makes
🢒
Buick
🢒
2007
🢒
Lucerne
🢒 Passenger Presence System
Passenger Presence System
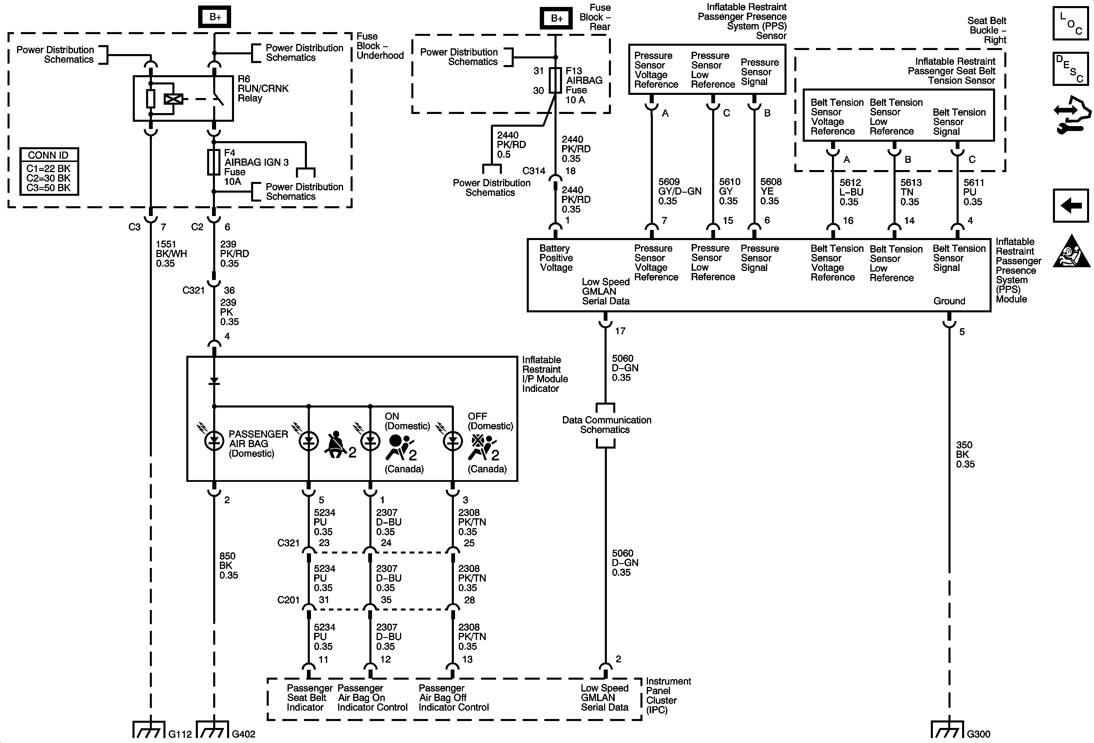
Passenger Presence System (PPS)
Master Electrical Component List
SIR System Description and Operation
Control Module References
Right Side Impact Sensor and Module, Roof Rail Module, I/P Module, Pretensioner
SIR Schematic Icons
RUN/CRANK Relay, TRANS IGN 3, AIRBAG IGN 3, HVAC/IPC, ECM IGN 3 Fuses
Underhood Fuse Block B+
RUN/CRANK Relay, TRANS IGN 3, AIRBAG IGN 3, HVAC/IPC, ECM IGN 3 Fuses
Rear Fuse Block B+
AIR BAG, OBJ SNSR, ONSTAR/S-BAND, BODY HARN MDL Fuses
Power, Ground, and Low Speed GMLAN
G112 (L26)
G402
G300