GM Service Manual Online
For 1990-2009 cars only
Makes
🢒
Buick
🢒
2007
🢒
Lucerne
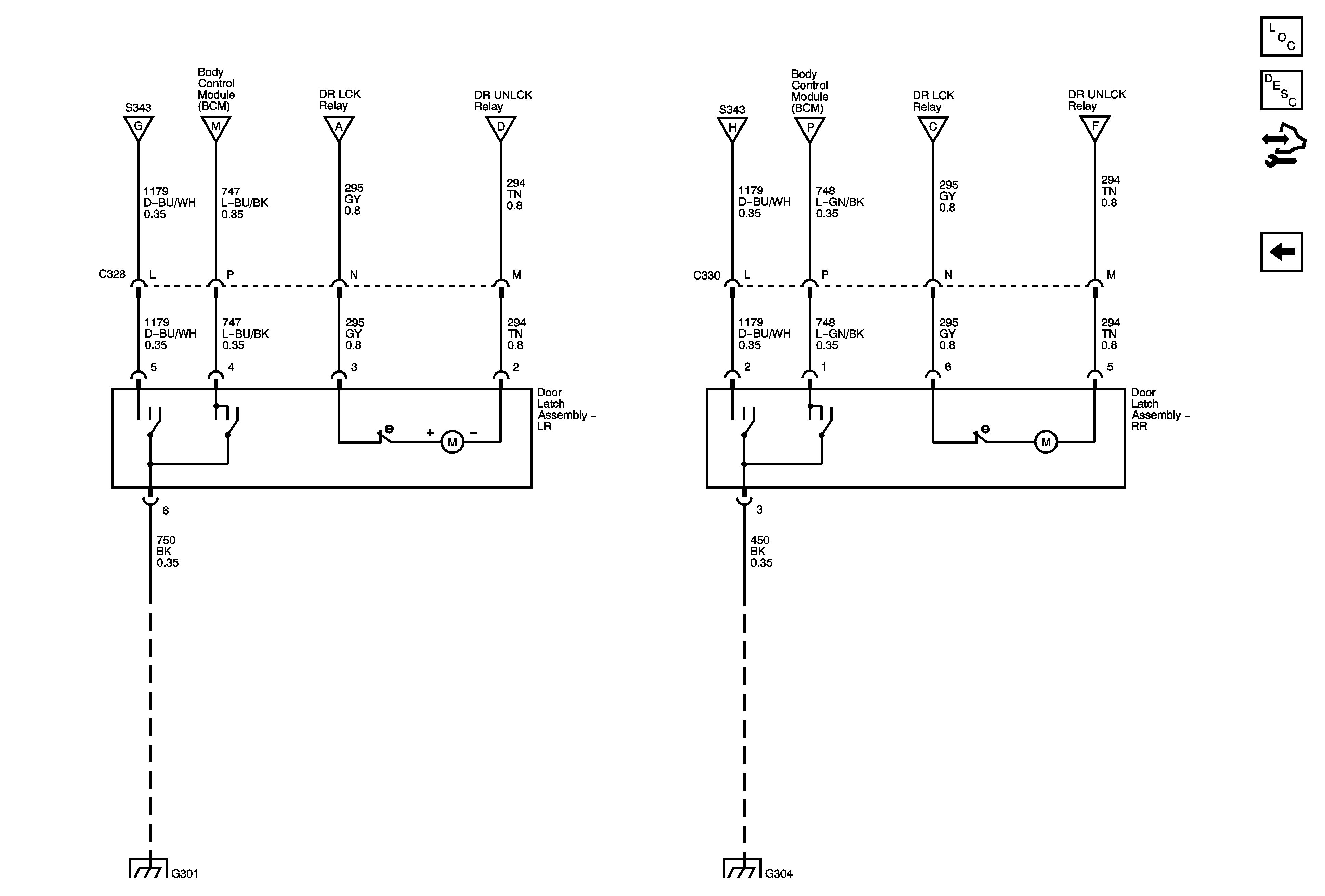
🢒 Rear Door Latch Assemblies
Rear Door Latch Assemblies
Rear Door Latch Assemblies
Master Electrical Component List
Power Door Latch Description and Operation
Control Module References
Door Lock, Unlock Relays
Door Lock, Unlock Relays
Door Lock, Unlock Relays
Door Lock, Unlock Relays
Door Lock, Unlock Relays
Door Lock, Unlock Relays
Door Lock, Unlock Relays
Door Lock, Unlock Relays
Door Lock, Unlock Relays
G301
G304