GM Service Manual Online
For 1990-2009 cars only
Makes
🢒
Buick
🢒
1998
🢒
Park Avenue
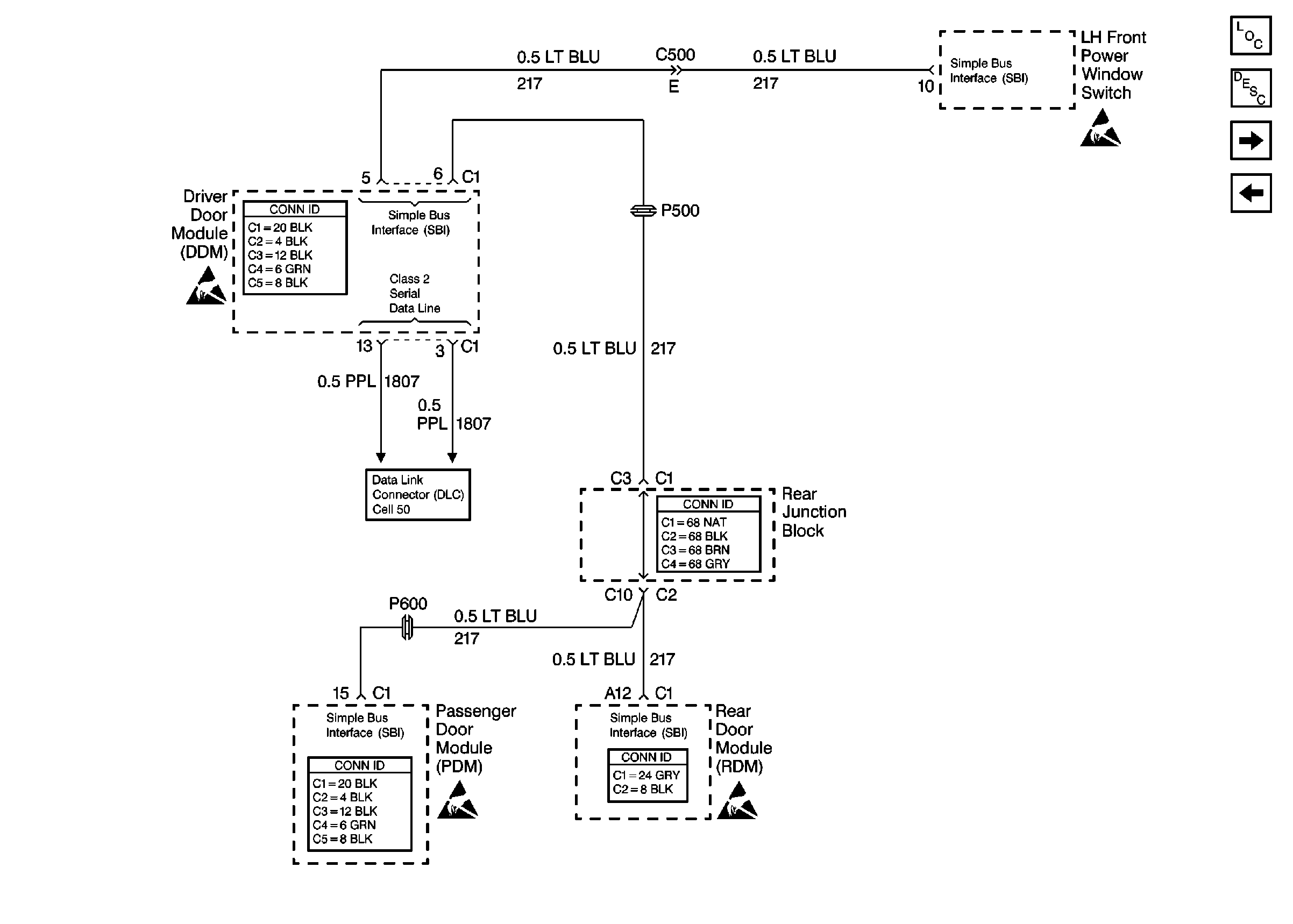
🢒 Cell 120: Power Window Modules
Cell 120: Power Window Modules
Cell 120: Power Window Modules
Handling ESD Sensitive Parts Notice
Power Windows Circuit Description
Cell 120: Front Power Window Components
Power Door Systems Components
Handling ESD Sensitive Parts Notice
Cell 120: DDM, PDM and RDM
Handling ESD Sensitive Parts Notice
Power Door Systems Connector End Views
Power Door Systems Connector End Views
Cell 50: Class 2 Serial Data Line
Power and Grounding Connector End Views
Power Door Systems Connector End Views
Handling ESD Sensitive Parts Notice