GM Service Manual Online
For 1990-2009 cars only

Refer to

Cell 133: PASS-Key® III


Object Number: 332341  Size: FS
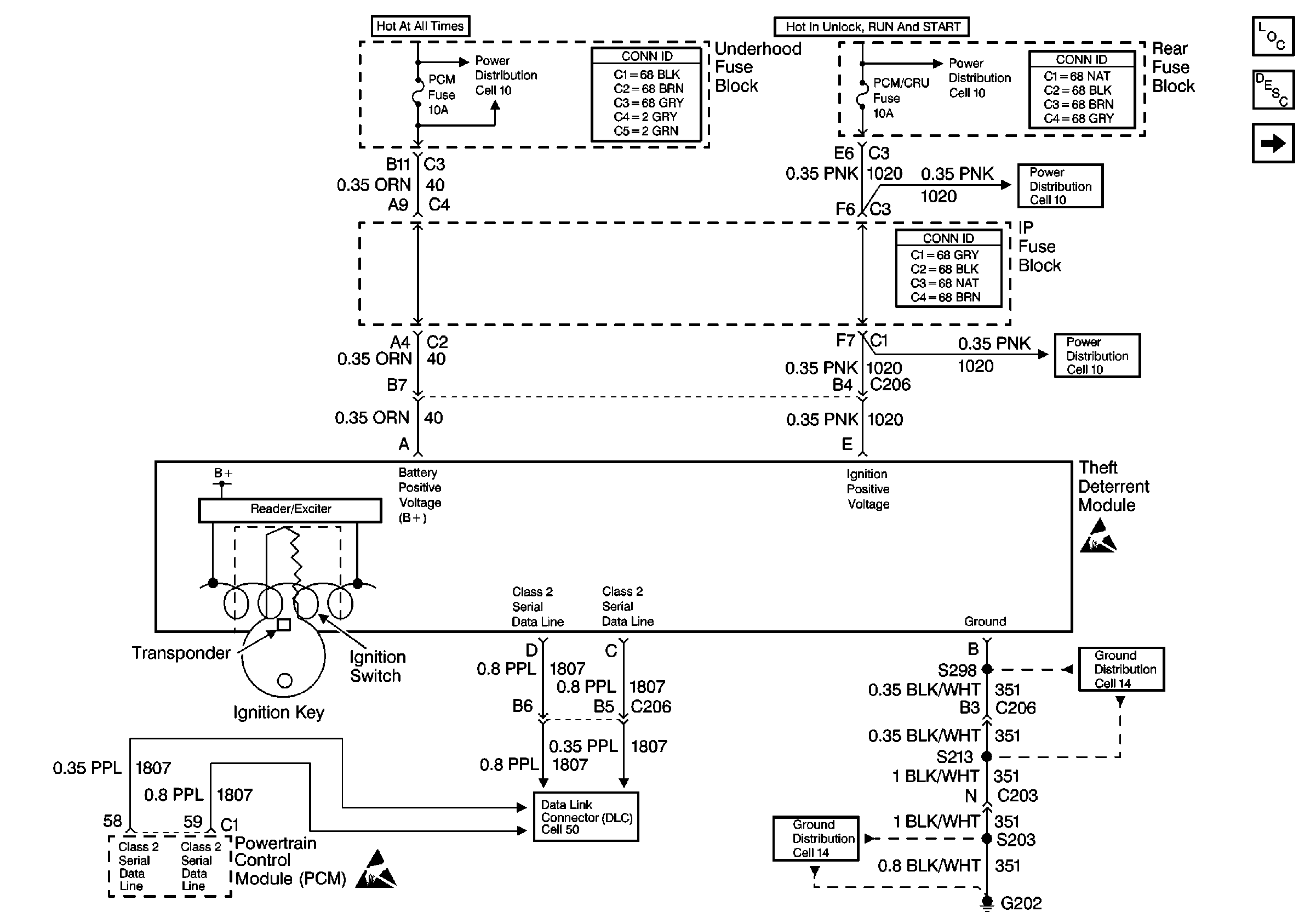
Theft Deterrent System Components
Vehicle Theft Deterrent (VTD) Description
Cell 133: Content Theft Deterrent
Cell 10: Horn and PCM Fuses
Cell 10: IGN, RUN/CRK, RUN, SBM, and PDM/CRU Fuses
Cell 10: IGN, RUN/CRK, RUN, SBM, and PDM/CRU Fuses
Cell 10: IGN, RUN/CRK, RUN, SBM, and PDM/CRU Fuses
Handling ESD Sensitive Parts Notice
Handling ESD Sensitive Parts Notice
Cell 50: Class 2 Serial Data Line
Cell 14: G202 (CKT 351 1 of 2)
Cell 14: G202 (CKT 351 2 of 2)

Circuit Description

The theft deterrent (VTD) module performs an internal test on the non-volatile memory every 300 milliseconds. If the test fails the VTD module will indicate a memory malfunction is current.

Conditions for Setting the DTC

The VTD module determined that a memory malfunction is current.

Action Taken When the DTC Sets

    • Stores a DTC B2734 in the VTD module memory.
    • No driver warning message will be displayed for this DTC.

Conditions for Clearing the DTC

    • The VTD module no longer detects a memory malfunction.
    • The history DTC will clear after 50 ignition cycles.
    • Use a scan tool in order to clear a history DTC.

Diagnostic Aids

Since the memory cannot be removed from the VTD module and DTC B2734 is an internal VTD module malfunction, the VTD module may be replaced. Refer to diagnostic table.

Test Description

The numbers below refer to the step numbers on the diagnostic table:

  1. Perform the Theft Deterrent Diagnostic System Check before continuing with the diagnosis of this DTC.

  2. Clear all DTCs and cycle ignition to check that the DTC did not falsely set.

  3. Clear all DTCs after the repair procedure is complete.

DTC B2734 Coded Key Controller Memory Failure

Step

Action

Value(s)

Yes

No

1

Was the Theft Deterrent Diagnostic System Check performed?

--

Go to Step 2

Go to Diagnostic System Check - Theft Deterrent

2

  1. Turn ON the ignition.
  2. Clear all DTCs.
  3. Turn OFF the ignition.
  4. Turn ON the ignition.

Is the DTC still present?

--

Go to Step 3

Go to Diagnostic System Check - Theft Deterrent

3

Replace the VTD Module. Refer to Theft Deterrent Module Replacement .

Refer to Programming Theft Deterrent System Components .

Is the replacement complete?

--

Go to Step 4

--

4

  1. Turn OFF the ignition.
  2. Reconnect or install any connectors or components that were disconnected or removed.
  3. Turn ON the ignition.
  4. Clear any DTCs.

Are all DTCs cleared?

--

Go to Diagnostic System Check - Theft Deterrent

--