GM Service Manual Online
For 1990-2009 cars only
Makes
🢒
Buick
🢒
2000
🢒
Park Avenue
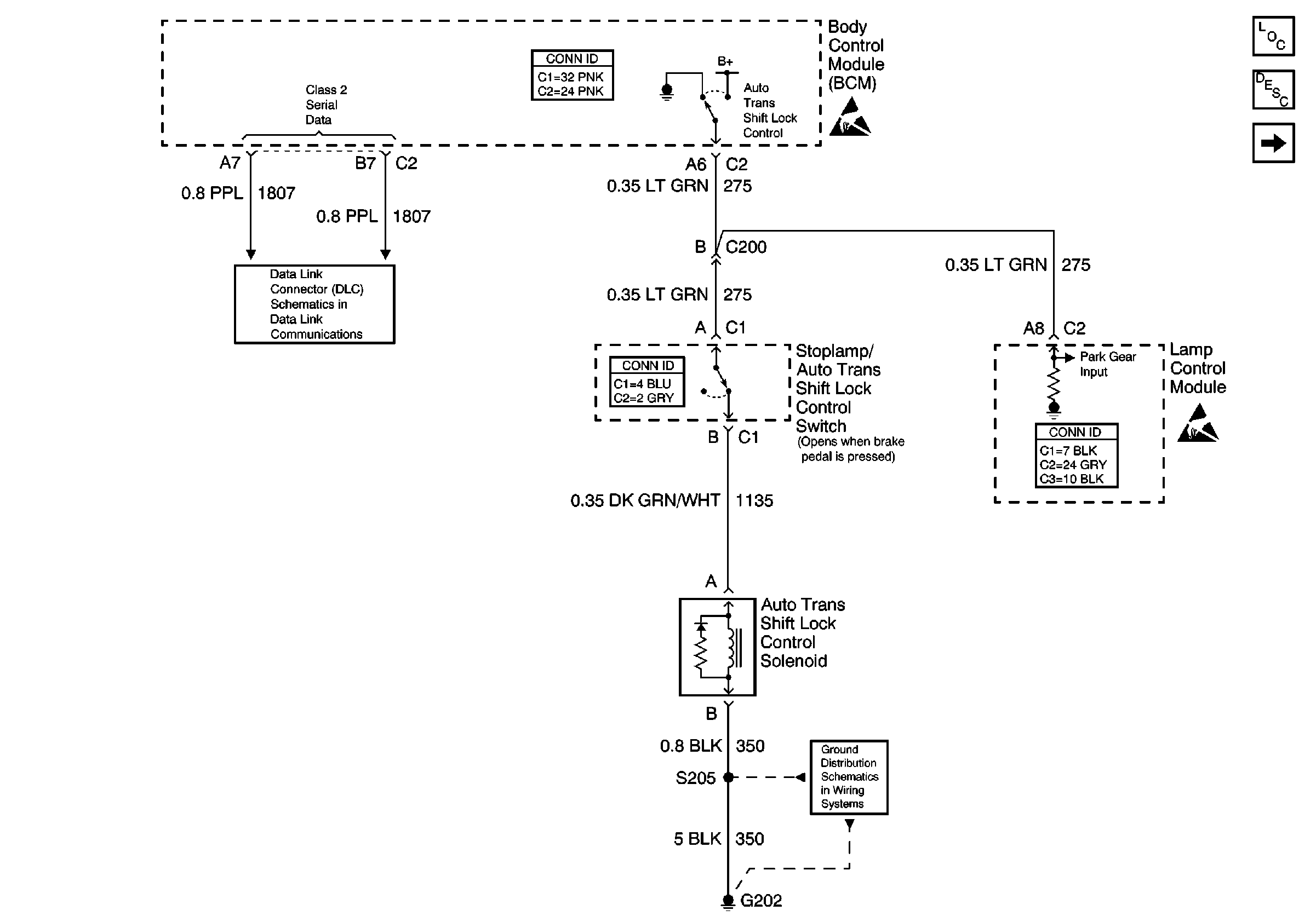
🢒 Auto Trans Shift Lock Control
Auto Trans Shift Lock Control
Auto Trans Shift Lock Control
Automatic Transmission Components
Automatic Transmission Shift Lock Control Circuit Description
Park Neutral Position Switch
Class 2 Serial Data Line
G202, 1 of 4
Handling ESD Sensitive Parts Notice
Handling ESD Sensitive Parts Notice