| Figure 1: |
Power, Ground, Serial Data, and MIL
|
| Figure 2: |
5-Volt and Low Reference
|
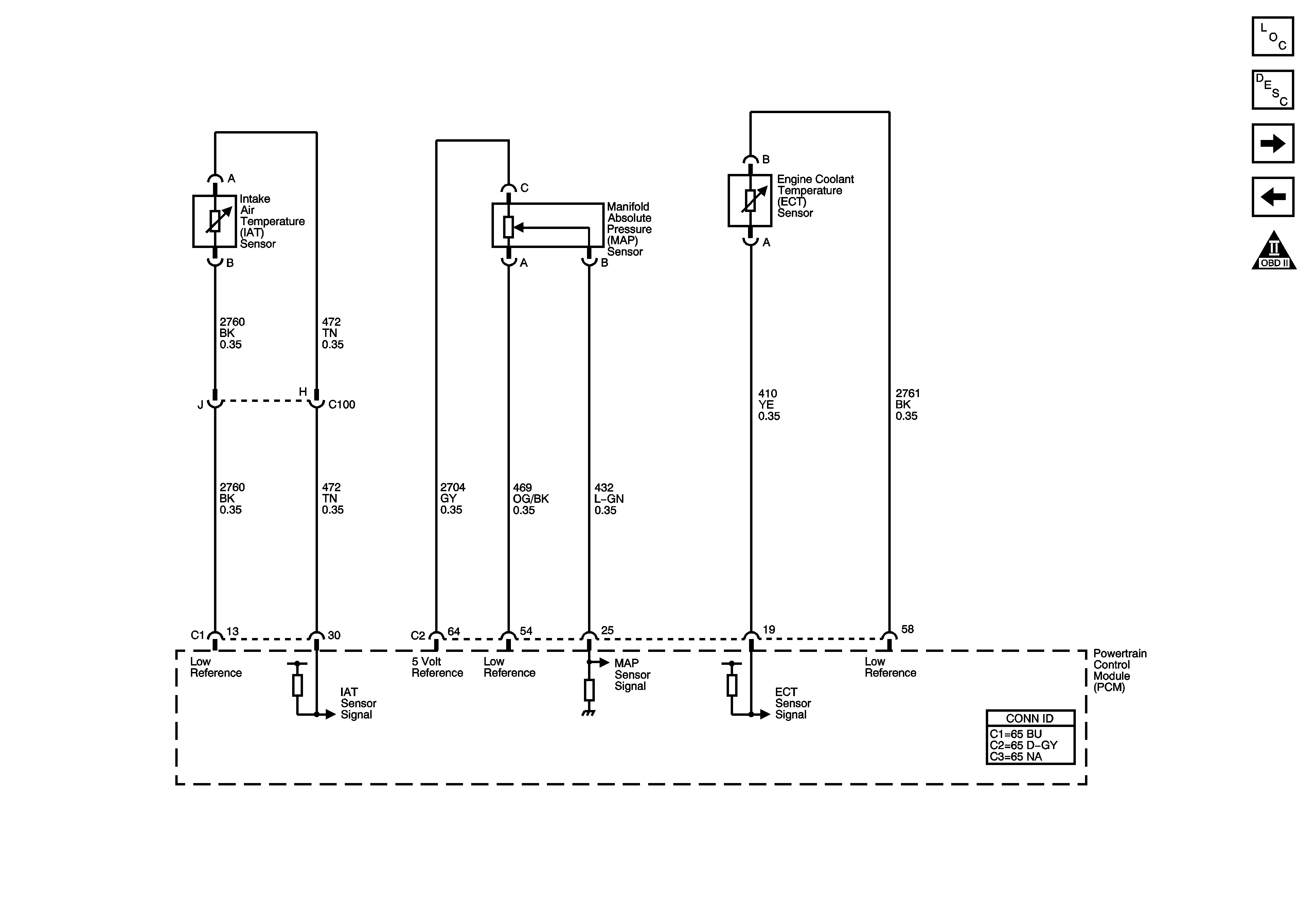
| Figure 3: |
Engine Data Sensors - Pressure and Temperature
|
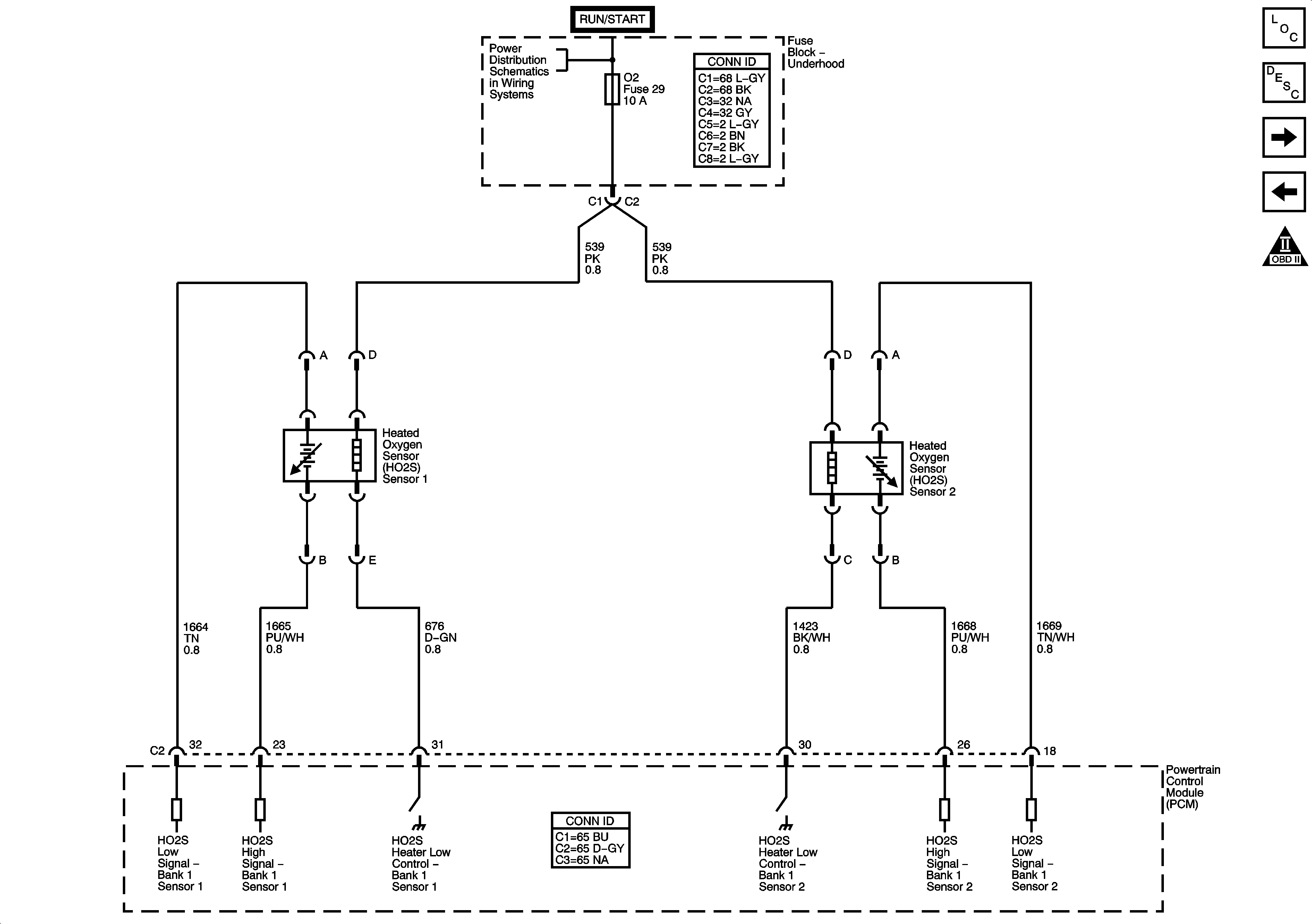
| Figure 4: |
Engine Data Sensors - Oxygen Sensors
|
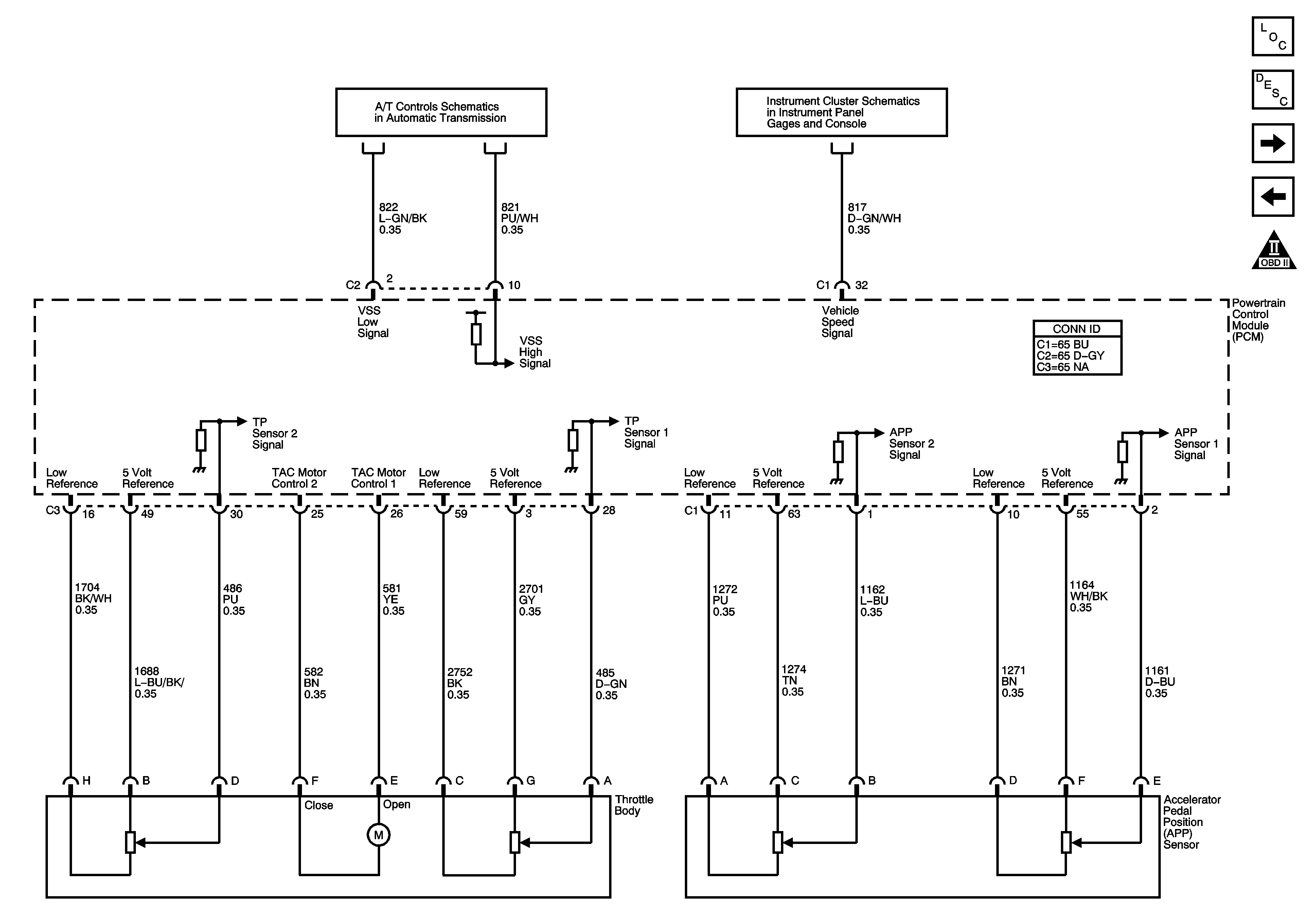
| Figure 5: |
Engine Data Sensors - Throttle Actuator Controls
and VSS
|
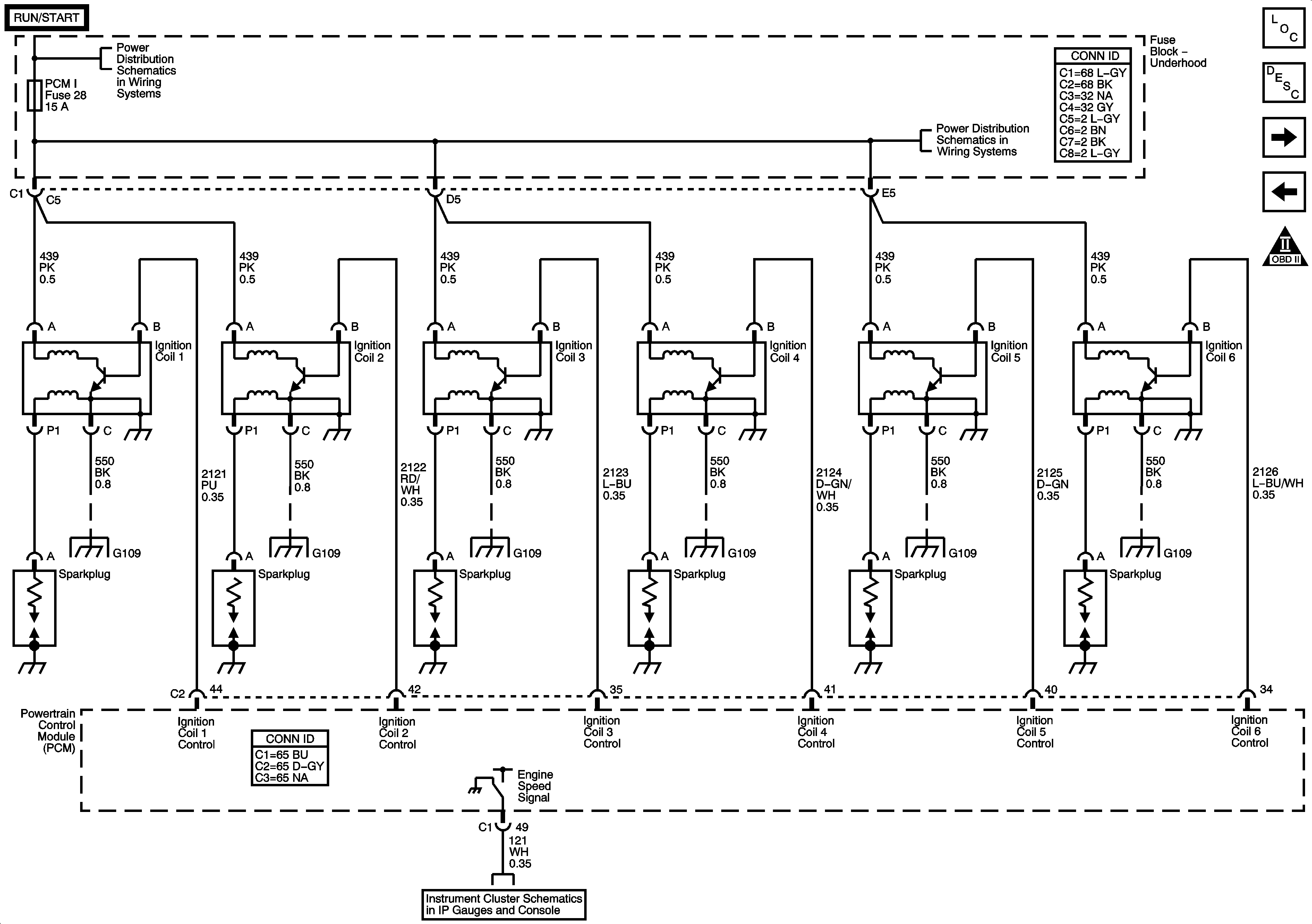
| Figure 6: |
Ignition Controls - Ignition System
|
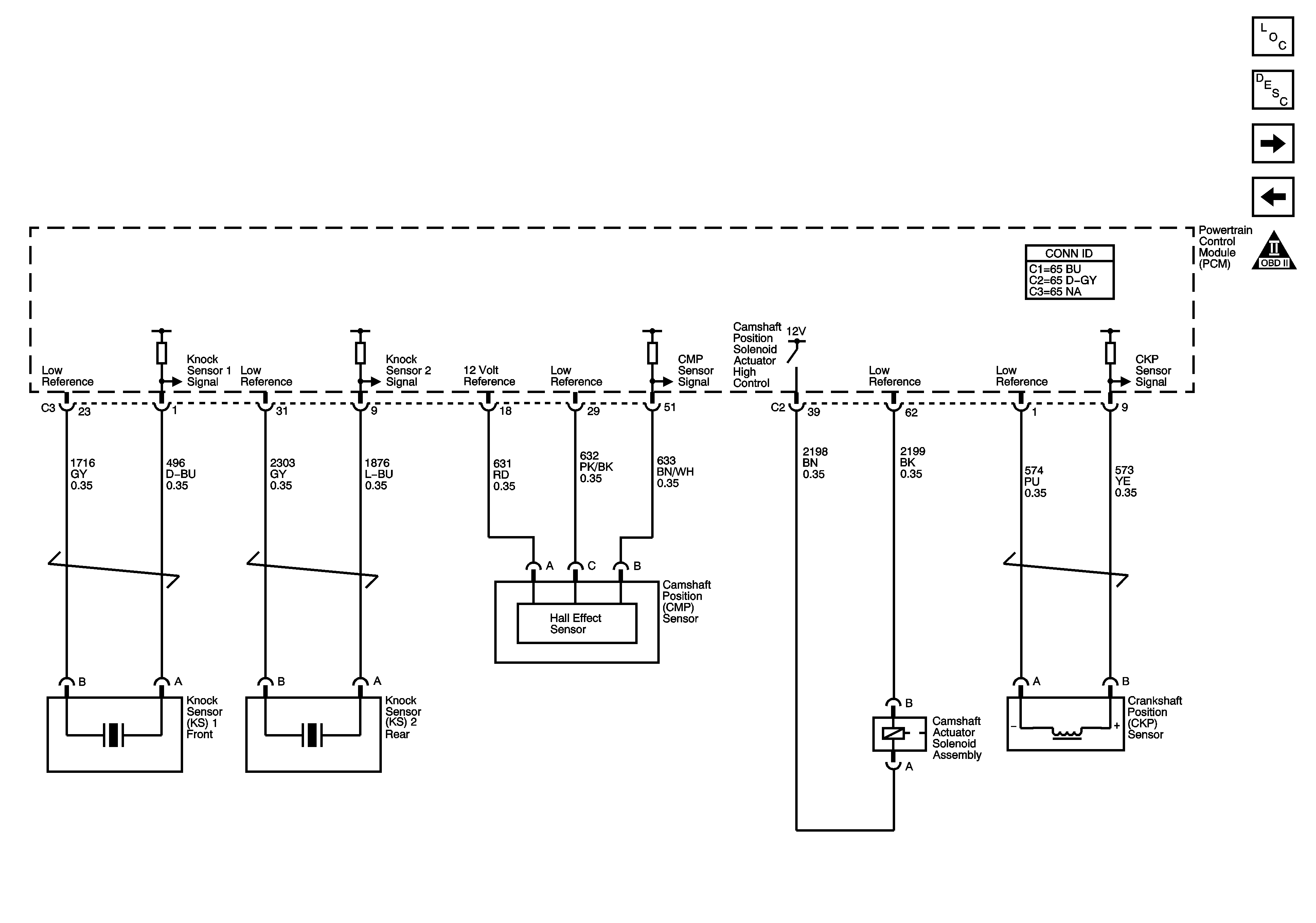
| Figure 7: |
Ignition Controls - Sensors
|
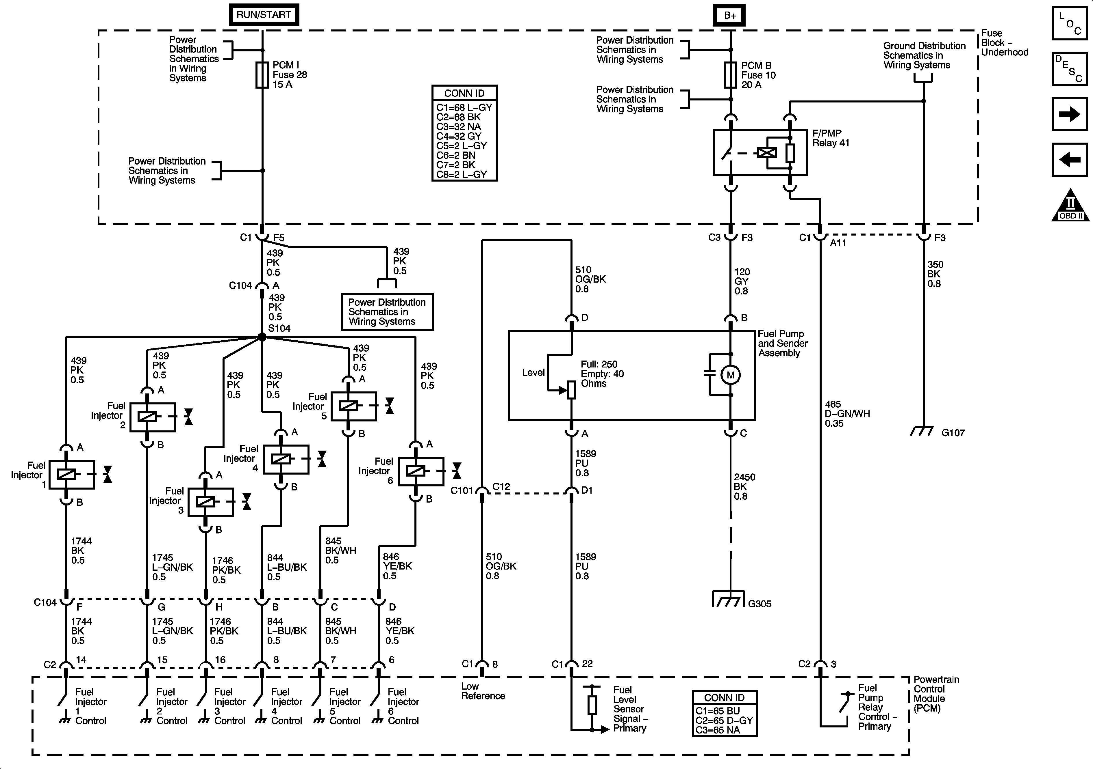
| Figure 8: |
Fuel Controls - Fuel Pump Controls and Fuel
Injectors
|
| Figure 9: |
Fuel Controls - EVAP Controls
|
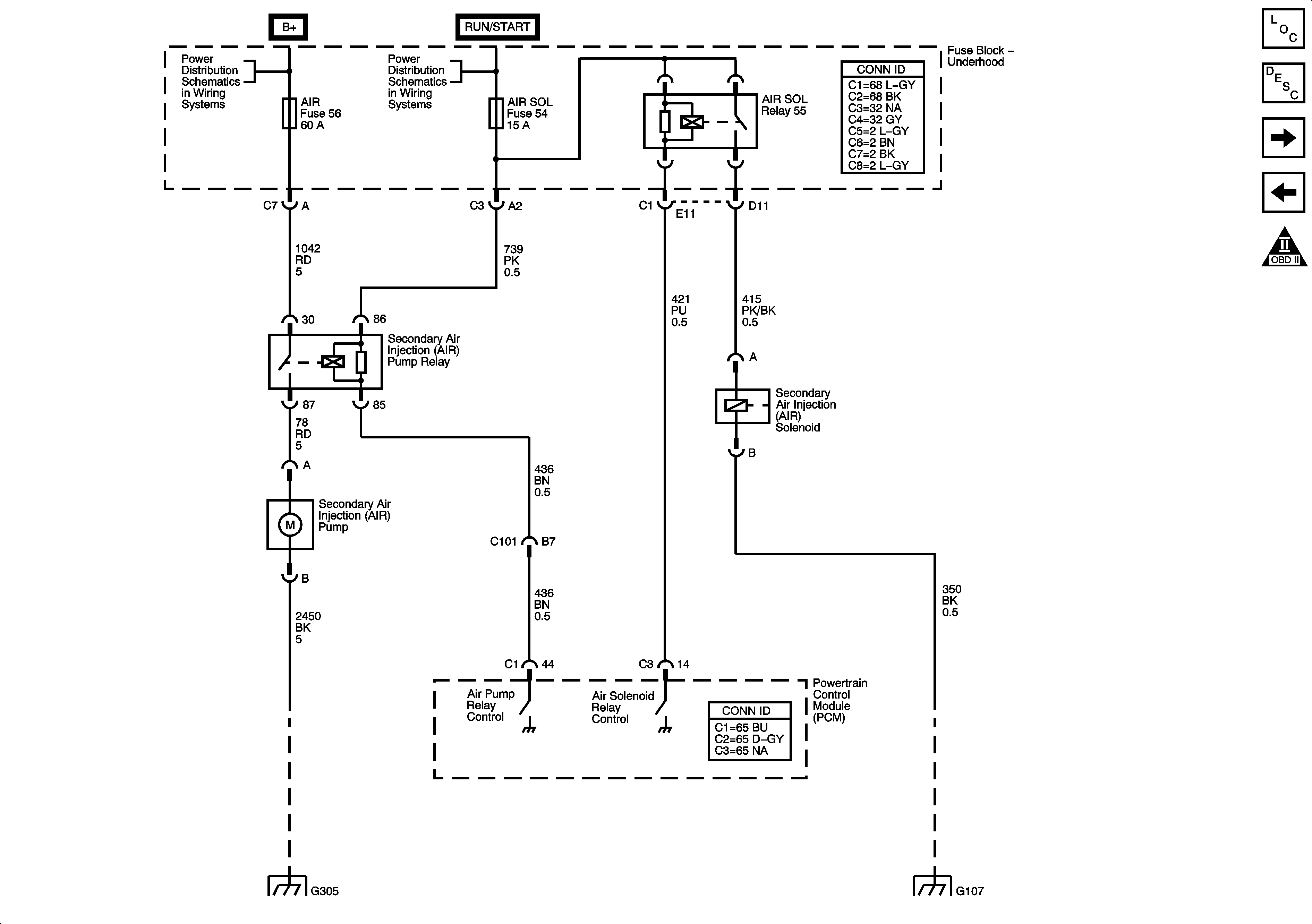
| Figure 10: |
Device Controls (K18)
|
| Figure 11: |
Controlled/Monitored Subsystem References
|
| Figure 12: |
Transmission Control References - A/T
|