GM Service Manual Online
For 1990-2009 cars only
Makes
🢒
Buick
🢒
2004
🢒
Rainier - 2WD
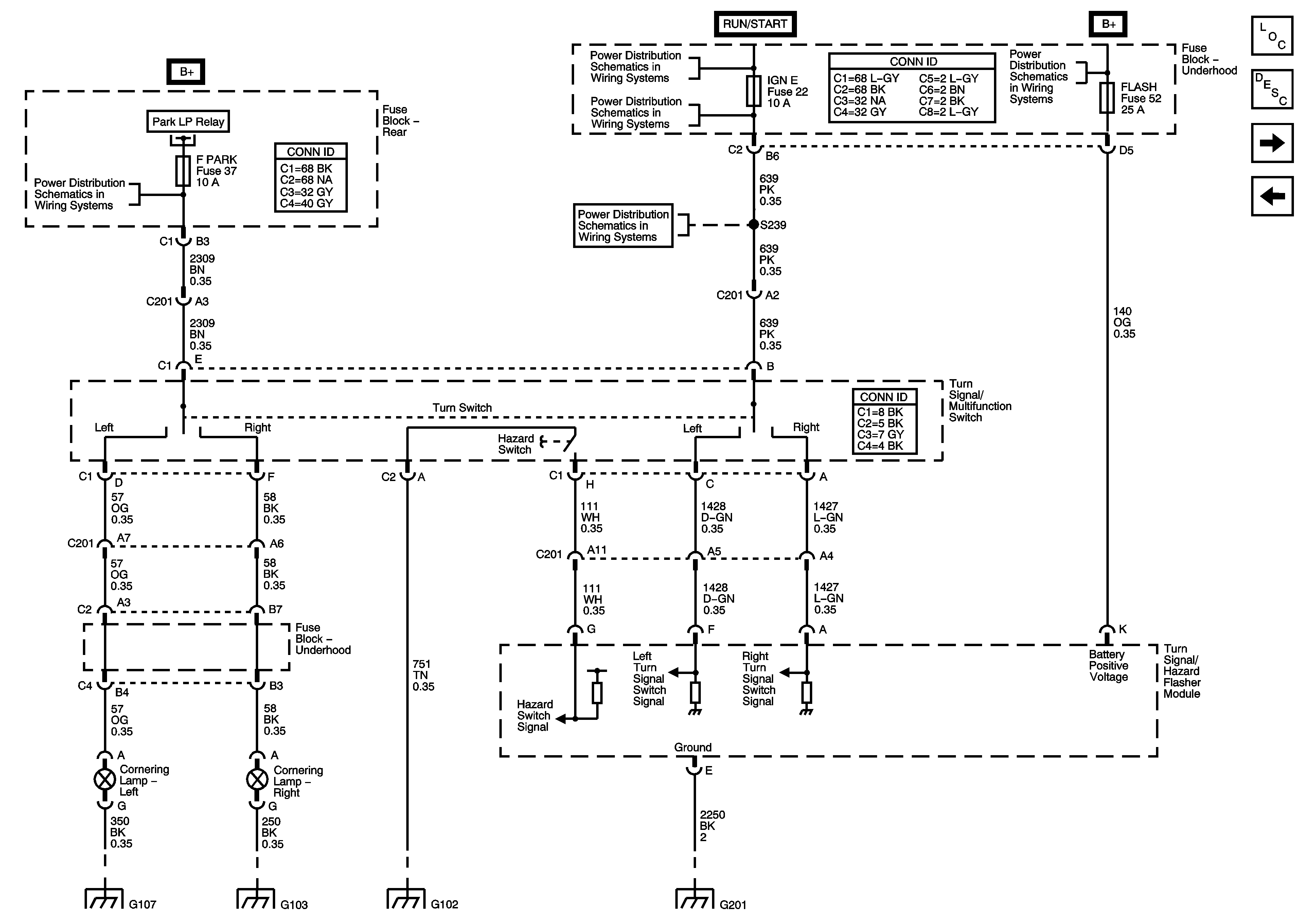
🢒 Turn Signal/Hazard Controls and Cornering Lamps
Turn Signal/Hazard Controls and Cornering Lamps
Turn Signal/Hazard Controls and Cornering Lamps
Master Electrical Component List
Exterior Lighting Systems Description and Operation
Left Turn Signals
Stop Lamps
ACCY/RUN and RUN/START Bus Bars
IGN E, TBC IGN 1, BACKUP, BTSI, and TRLR B/U Fuses
B+ Bus - Underhood Fuse Block
Park Lamp Relay
RR FOG, LR PARK, TR PARK, RR PARK, F PARK, LGM #2 Fuses, and RR WIPER Circuit Breaker
IGN E, TBC IGN 1, BACKUP, BTSI, and TRLR B/U Fuses
G104, G105, and G107
G101, G103, G106, and G110
G102
G201 - 1 of 2