GM Service Manual Online
For 1990-2009 cars only
Makes
🢒
Buick
🢒
2004
🢒
Rainier - 2WD
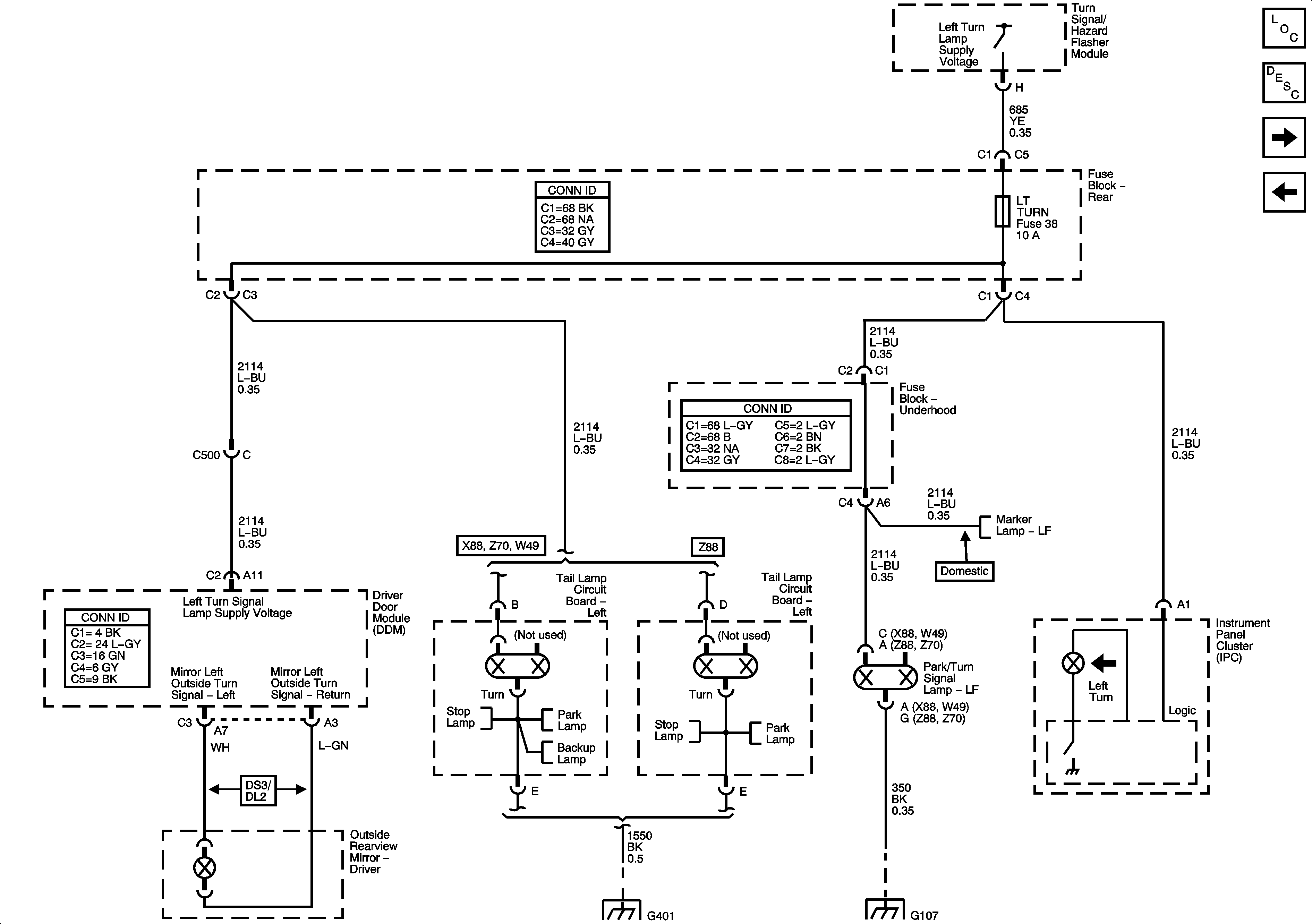
🢒 Left Turn Signals
Left Turn Signals
Left Turn Signals
Master Electrical Component List
Exterior Lighting Systems Description and Operation
Right Turn Signals
Turn Signal/Hazard Controls and Cornering Lamps
Marker and Front Park Lamps
Stop Lamps
Clearance, License, and Rear Park Lamps
Backup Lamps
Stop Lamps
Clearance, License, and Rear Park Lamps
G401, G402, and G403 - Except XUV
G104, G105, and G107