GM Service Manual Online
For 1990-2009 cars only
Makes
🢒
Buick
🢒
1999
🢒
Regal
🢒
Body and Accessories
🢒
Cruise Control
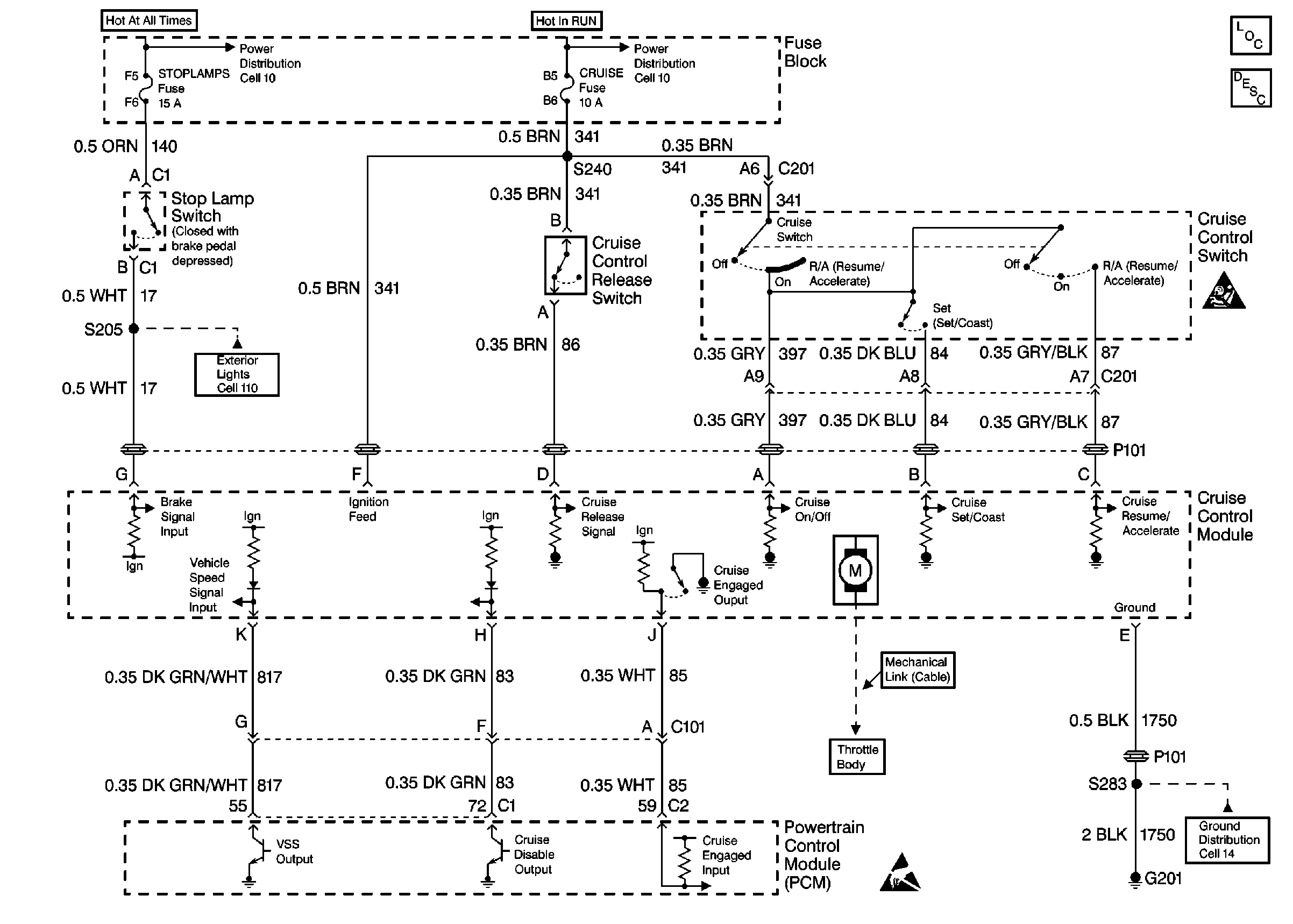
🢒 Cruise Control Schematics
Cell 34
Cruise Control Components
Cruise Control System Circuit Description
Cell 14: G201
Cell 11: LOW BLOWER, CRUISE and HVAC Fuses
Cell 11: HIGH BLOWER, HAZARD, STOP LAMPS, DOOR LOCKS, POWER MIRRORS, RH HEATED SEAT AND LH HEATED SEAT Fuses
Handling Electrostatic Discharge Sensitive Parts Notice
SIR Handling Caution
Cell 110: Turn Signal Switch, CHMSL Lamp