GM Service Manual Online
For 1990-2009 cars only
Makes
🢒
Buick
🢒
1999
🢒
Regal
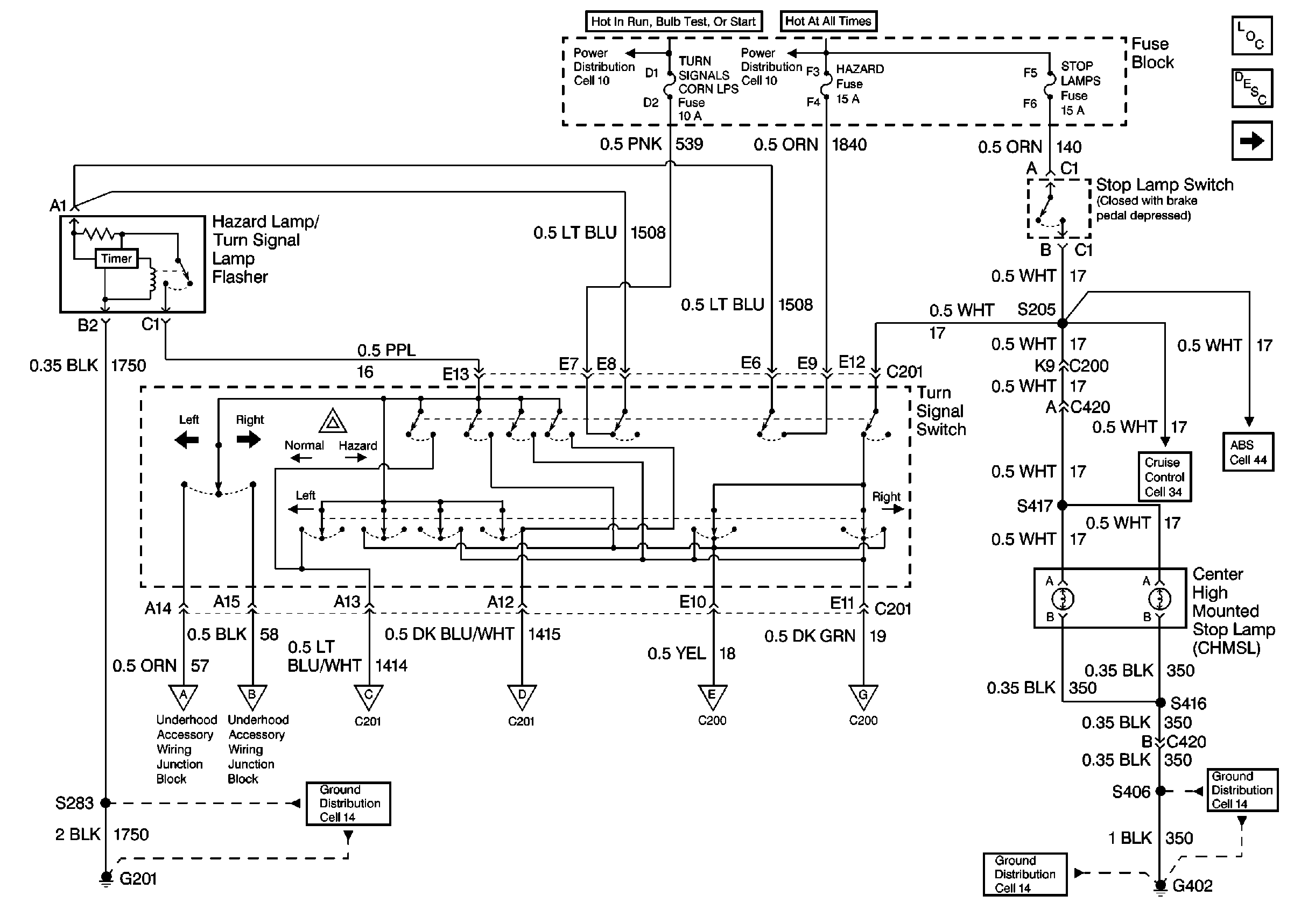
🢒 Cell 110: Turn Signal Switch, CHMSL Lamp
Cell 110: Turn Signal Switch, CHMSL Lamp
Cell 110: Turn Signal Switch, CHMSL Lamp
Exterior Lights Circuit Description
Cell 110: DRL Ambient Sensor and Module, BCM
Cruise Control Schematics
Cell 14: G402 (2 of 2)
Cell 14: G402 (2 of 2)
Cell 110: Park/Rear License Lamp, Tail/Stop/Turn Lamps
Cell 110: Park/Rear License Lamp, Tail/Stop/Turn Lamps
Cell 110: DRL Ambient Sensor and Module, BCM
Cell 110: DRL Ambient Sensor and Module, BCM
Cell 14: G201
Cell 110: Power, Headlamps
Cell 110: Power, Headlamps
Cell 11: HIGH BLOWER, HAZARD, STOP LAMPS, DOOR LOCKS, POWER MIRRORS, RH HEATED SEAT AND LH HEATED SEAT Fuses
Cell 11: HIGH BLOWER, HAZARD, STOP LAMPS, DOOR LOCKS, POWER MIRRORS, RH HEATED SEAT AND LH HEATED SEAT Fuses
Lighting Systems Components