GM Service Manual Online
For 1990-2009 cars only
Makes
🢒
Buick
🢒
1999
🢒
Regal
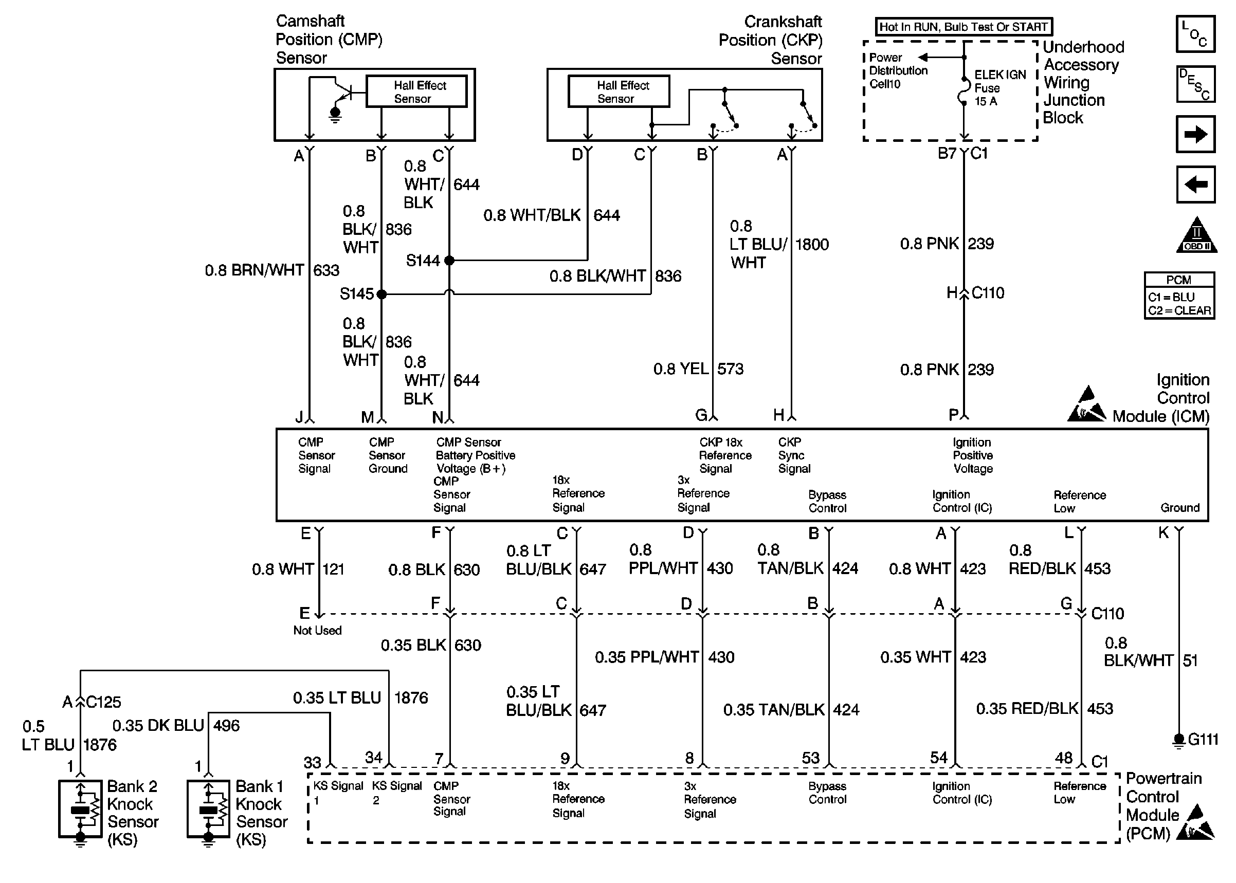
🢒 Cell 21: Ignition System and Knock Sensors
Cell 21: Ignition System and Knock Sensors
Cell 21: Ignition System and Knock Sensors
Cell 21: Fuel Controls - VIN K
OBDII Symbol Description Notice
Cell 21: Power, Ground, MIL and DLC
Cell 10: Underhood Accessory Wiring Junction Block