GM Service Manual Online
For 1990-2009 cars only

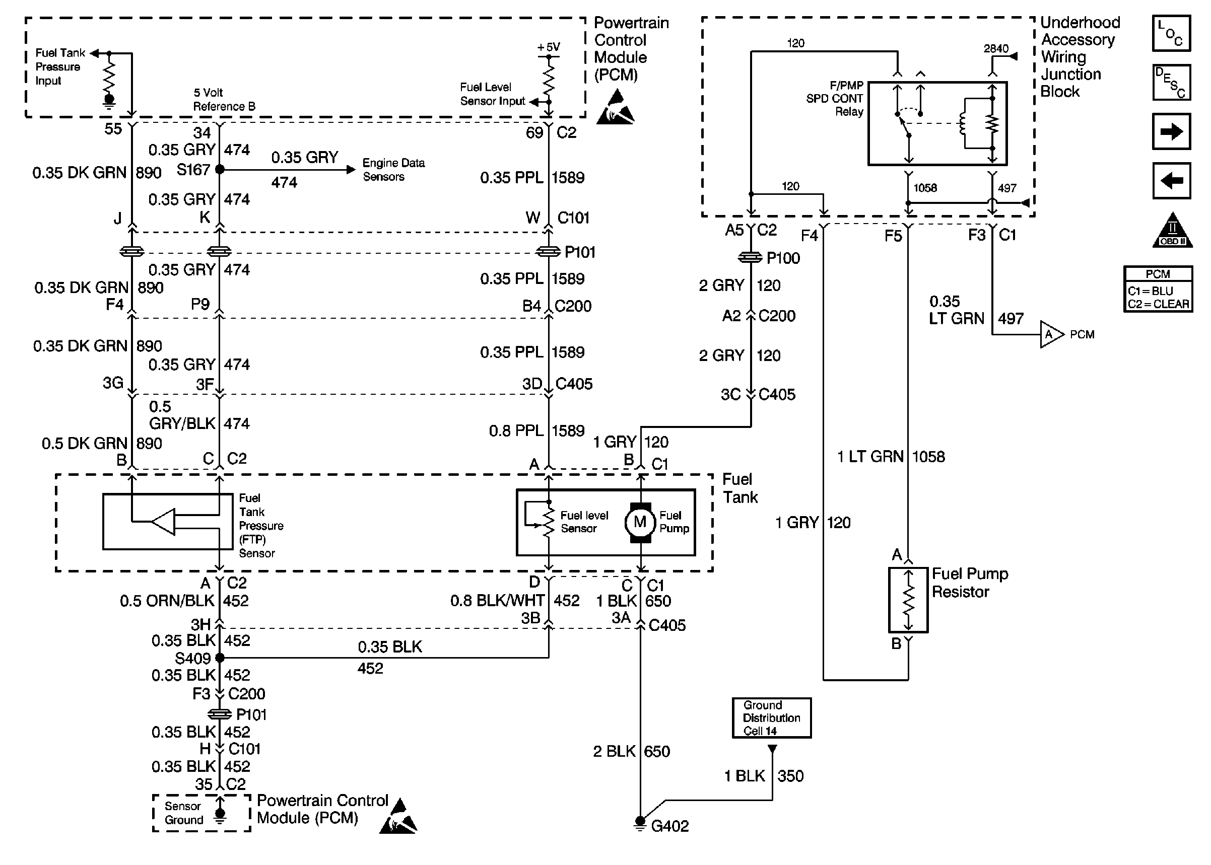
Cell 21: Fuel Controls - VIN 1 (1 of 2)

Cell 21: Fuel Controls - VIN 1 (1 of 2)


Object Number: 349358  Size: FS
Cell 21: Fuel Controls - VIN 1 (2 of 2)
OBDII Symbol Description Notice
Cell 21: Fuel Controls - VIN K
Cell 21: Engine Data Sensors-A/C Refrig Press, ECT, IAT, MAP and TP
Handling Electrostatic Discharge Sensitive Parts Notice
Handling Electrostatic Discharge Sensitive Parts Notice