GM Service Manual Online
For 1990-2009 cars only
Makes
🢒
Buick
🢒
1999
🢒
Regal
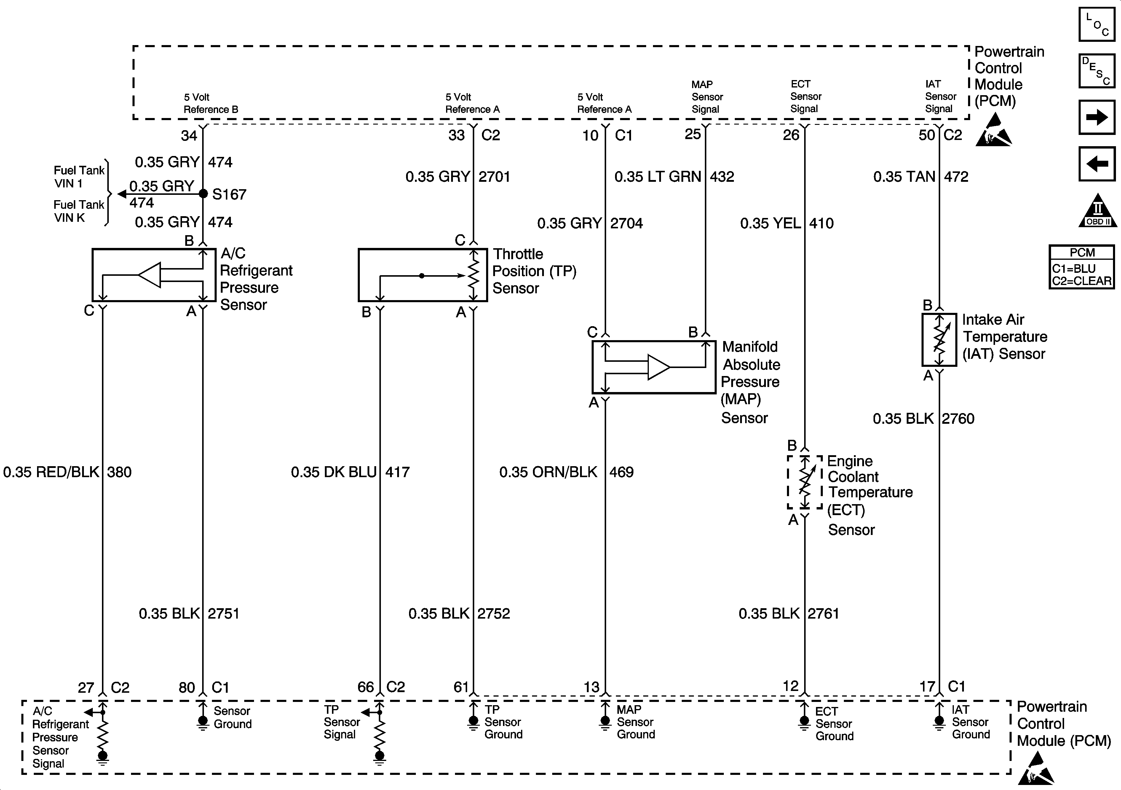
🢒 Cell 21: Engine Data Sensors-A/C Refrig Press, ECT, IAT, MAP and TP
Cell 21: Engine Data Sensors-A/C Refrig Press, ECT, IAT, MAP and TP
Cell 21: Engine Data Sensors-A/C Refrig Press, ECT, IAT, MAP and TP
Cell 21: Engine Data Sensors-HO2S 1 and HO2S 2
OBDII Symbol Description Notice
Cell 21: Fuel Injectors
Cell 21: Fuel Controls - VIN 1 (1 of 2)
Cell 21: Fuel Controls - VIN K
Handling Electrostatic Discharge Sensitive Parts Notice
Handling Electrostatic Discharge Sensitive Parts Notice