GM Service Manual Online
For 1990-2009 cars only
Makes
🢒
Buick
🢒
2000
🢒
Regal
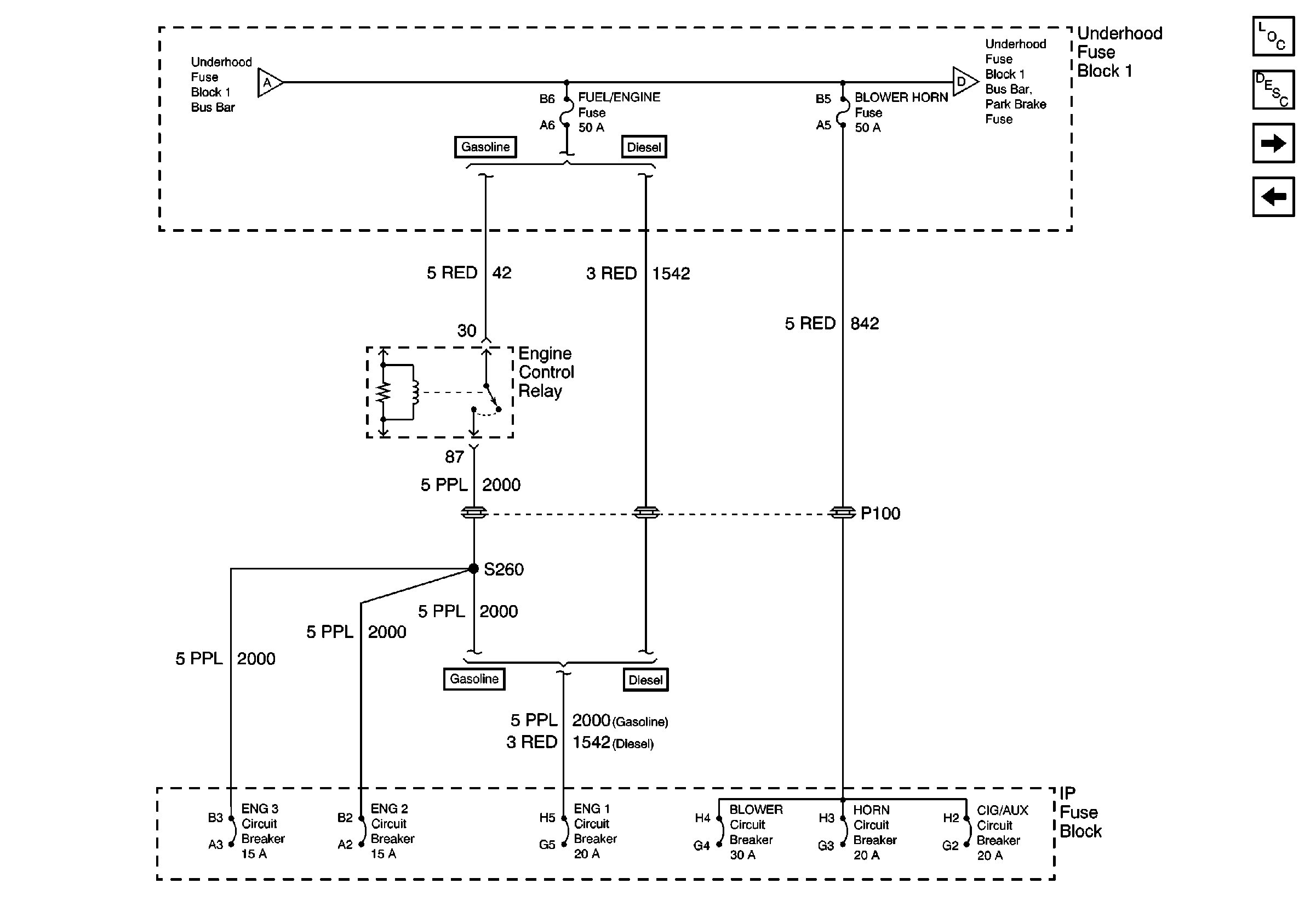
🢒 FUEL/ENGINE, BLOWER HORN Fuses
FUEL/ENGINE, BLOWER HORN Fuses
FUEL/ENGINE, BLOWER HORN Fuses
Power and Grounding Components Power Distribution
Power and Grounding Circuit Description
PARK BRAKE, TRANS/TRLR, POWER WDO/LKS, ABS Fuses
Battery, HYD PUMP Fuse, HYD BRK Circuit Breaker, Hydraulic Brake Fuse
Battery, HYD PUMP Fuse, HYD BRK Circuit Breaker, Hydraulic Brake Fuse
PARK BRAKE, TRANS/TRLR, POWER WDO/LKS, ABS Fuses