GM Service Manual Online
For 1990-2009 cars only
Makes
🢒
Buick
🢒
2000
🢒
Regal
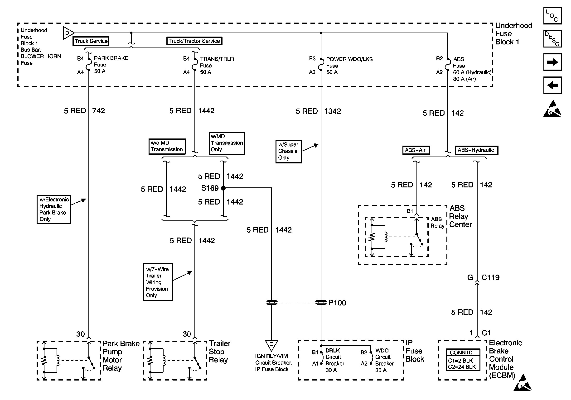
🢒 PARK BRAKE, TRANS/TRLR, POWER WDO/LKS, ABS Fuses
PARK BRAKE, TRANS/TRLR, POWER WDO/LKS, ABS Fuses
PARK BRAKE, TRANS/TRLR, POWER WDO/LKS, ABS Fuses
Power and Grounding Components Power Distribution
Power and Grounding Circuit Description
STP/HAZ TURN, IGN SW 3 Fuses
FUEL/ENGINE, BLOWER HORN Fuses
Handling ESD Sensitive Parts Notice
FUEL/ENGINE, BLOWER HORN Fuses
STP/HAZ TURN, IGN SW 3 Fuses
Antilock Brake System Connector End Views
Handling ESD Sensitive Parts Notice