GM Service Manual Online
For 1990-2009 cars only
Makes
🢒
Buick
🢒
2000
🢒
Regal
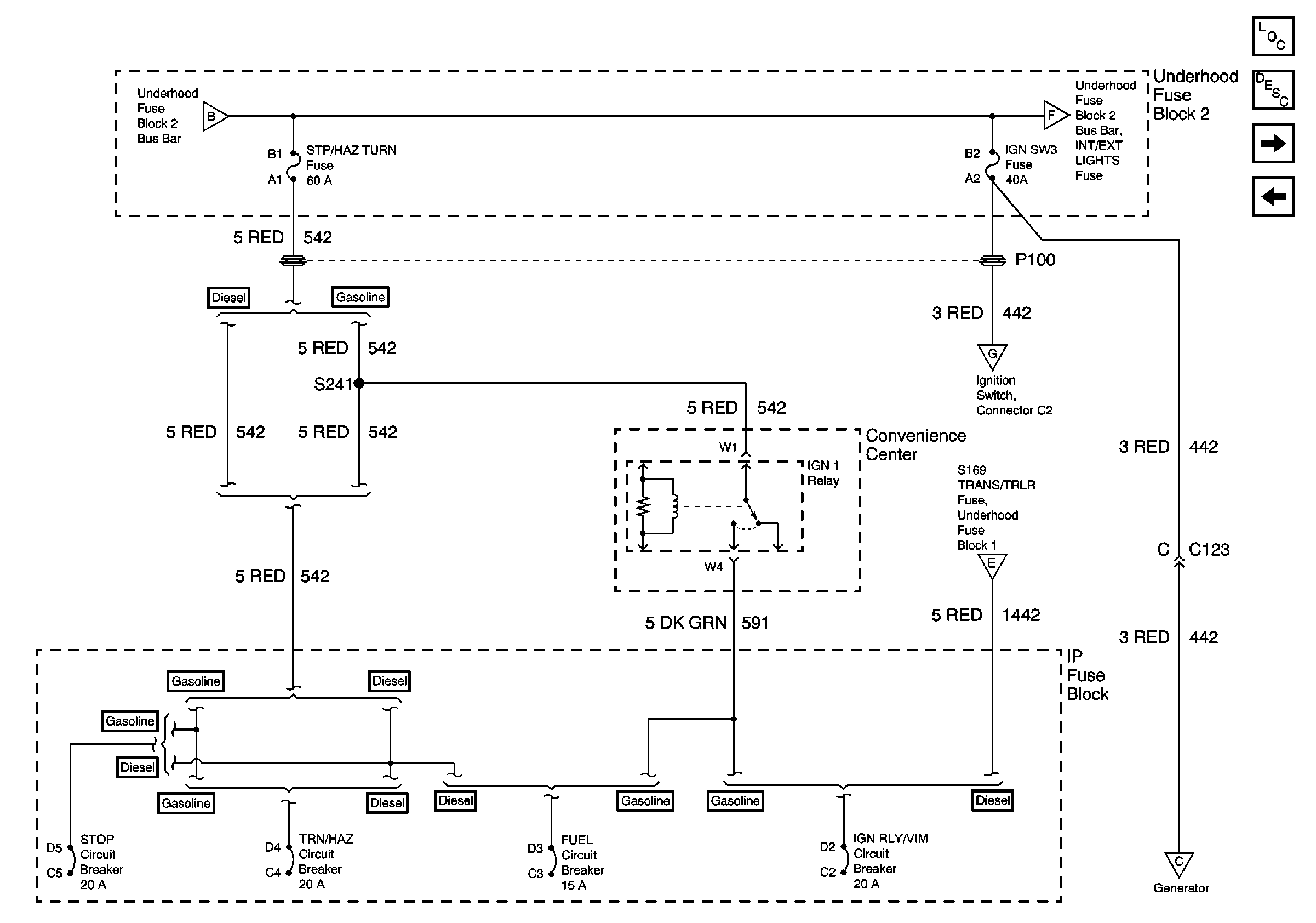
🢒 STP/HAZ TURN, IGN SW 3 Fuses
STP/HAZ TURN, IGN SW 3 Fuses
STP/HAZ TURN, IGN SW 3 Fuses
Power and Grounding Components Power Distribution
Power and Grounding Circuit Description
INT/EXT LIGHTS, HEAD LAMP, AUX WRG, IGN SW 1 Fuses
PARK BRAKE, TRANS/TRLR, POWER WDO/LKS, ABS Fuses
INT/EXT LIGHTS, HEAD LAMP, AUX WRG, IGN SW 1 Fuses
Battery, HYD PUMP Fuse, HYD BRK Circuit Breaker, Hydraulic Brake Fuse
INT/EXT LIGHTS, HEAD LAMP, AUX WRG, IGN SW 1 Fuses
Ignition Switch
PARK BRAKE, TRANS/TRLR, POWER WDO/LKS, ABS Fuses
Battery, HYD PUMP Fuse, HYD BRK Circuit Breaker, Hydraulic Brake Fuse