GM Service Manual Online
For 1990-2009 cars only
Makes
🢒
Buick
🢒
2000
🢒
Regal
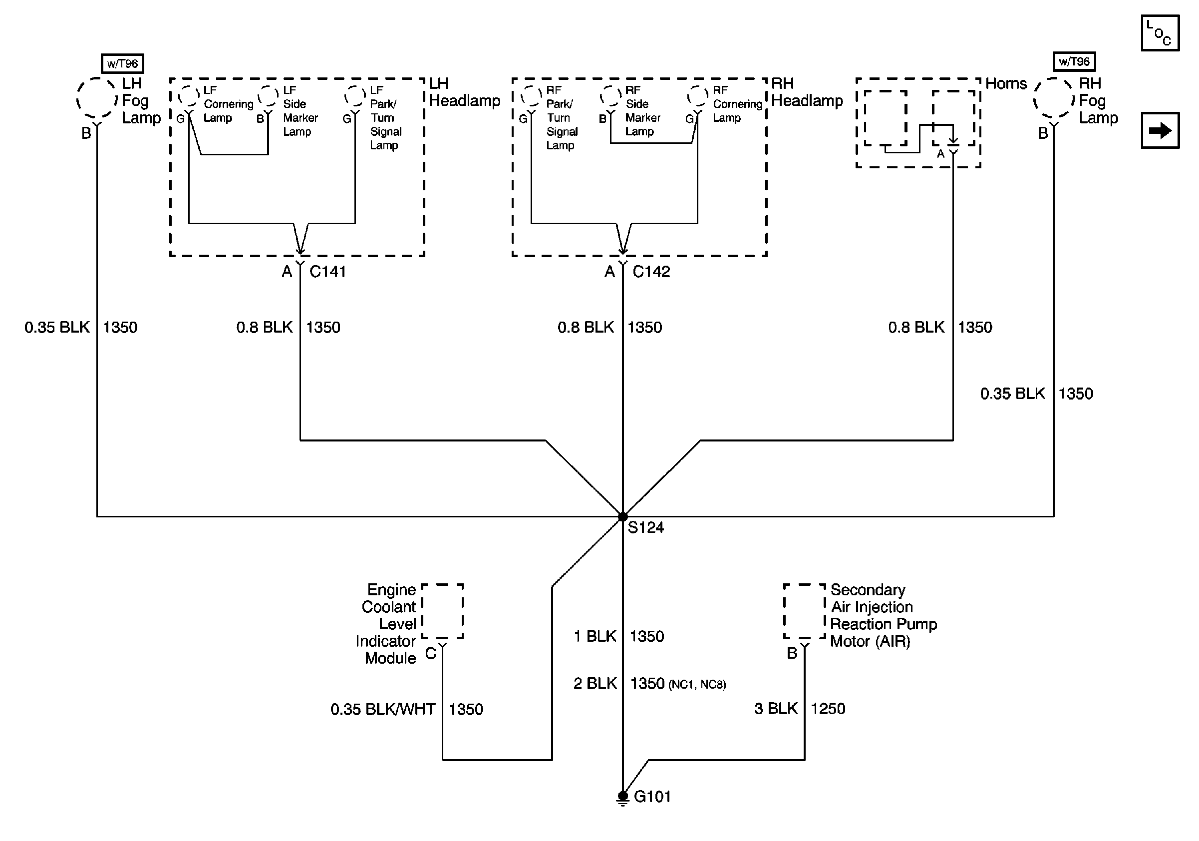
🢒 G101
G101
G101
Power and Grounding Components
G100, G113 and G113