GM Service Manual Online
For 1990-2009 cars only
Makes
🢒
Buick
🢒
2000
🢒
Regal
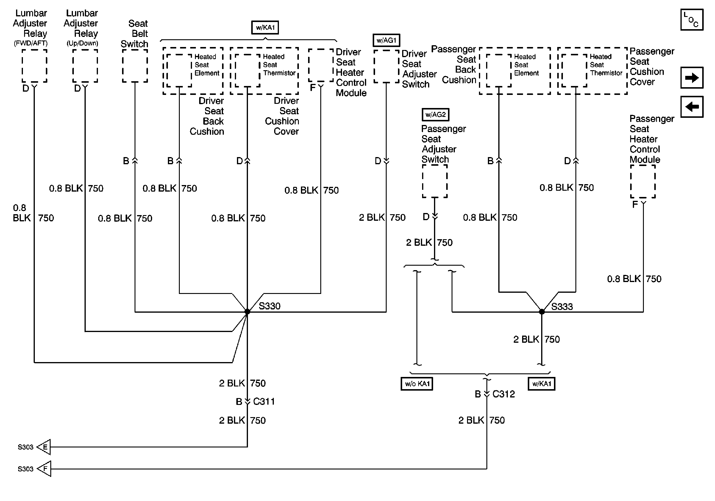
🢒 G301 cont.
G301 cont.
G301 cont.
Power and Grounding Components
G401
G301
G301
G301